Запчасти Case IH 21206 (E-02) - FUEL SYSTEM, AIR CLEANER AND CONNECTIONS (02) - FUEL SYSTEM

Схема запчастей Case IH 21206 - (E-02) - FUEL SYSTEM, AIR CLEANER AND CONNECTIONS (02) - FUEL SYSTEM
10
9
3
14
13
7
5
2
8
11
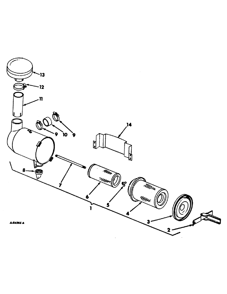
1
4
12
6
9
FIT
1:1
100%

Артикул

Название

Примечание

Количество

1

392050R93

CLEANER ASSY, air

1шт.

445671

PLUG,Sq Hd, 1/8"-27 NPTF

1/8-27 auto sq-soc pipe

1шт.

9635082

NUT,5/16" - 18, Gr 5

5/16-18 hex

2шт.

179817

BOLT,Hex, 5/16" - 18 x 7/8", Gr 5, Full Thd

2шт.

179840

BOLT,Hex, 3/8" - 16 x 1 1/8", Gr 5

SCREW, 3/8-16 x 1-1/8 hex-hd cap

2шт.

103320

LOCK WASHER,5/16"

WASHER, LOCK, 5/16"

2шт.

103321

LOCK WASHER,3/8"

WASHER, LOCK, 3/8"

2шт.

2

392521R92

LATCH

ASSY, air cleaner

1шт.

3

392520R91

COVER

ASSY, air cleaner

1шт.

4

392517R91

ELEMENT

ASSY, air cleaner outer

1шт.

5

381342R92

WING NUT

NUT ASSY, air cleaner

1шт.

6

392516R91

ELEMENT

ASSY, air cleaner inner

1шт.

7

393070R1

STUD, air cleaner

1шт.

8

383734R2

VALVE

air cleaner vacuator

1шт.

9

397257R1

HOSE CLAMP,#52, 2.81/3.75 Type F Worm, W/liner

CLAMP, outlet hose to air cleaner

2шт.

10

391903R1

RADIATOR HOSE,3.13" ID x 1.88"

Air cleaner Outlet 3.13" ID x 1.88"

1шт.

11

391927R1

PIPE, air cleaner extension 4" OD, 11.1" Length

1шт.

12

201846R2

CLAMP

air cleaner extension pipe

1шт.

102635

NUT,3/8"-16, G5

1шт.

179840

BOLT,Hex, 3/8" - 16 x 1 1/8", Gr 5

SCREW, 3/8-16 x 1-1/8 hex-hd cap

1шт.

103321

LOCK WASHER,3/8"

WASHER, LOCK, 3/8"

1шт.

13

321877R91

CAP ASSY, air cleaner, optional w/321259R1 & 391928R91

1шт.

13

321259R1

CAP

ASSY, air cleaner, optional w/321877R91 & 391928R91

1шт.

13

391928R91

CYLINDER END CAP

CAP ASSY, air cleaner, optional w/321877R91 & 321259R1

1шт.

14

396519R1

BAFFLE

precleaner

1шт.

256873

BOLT,Hex Serr, 5/16" - 18 x 1/2", 5SPL, Full Thd

4шт.

Выбрано товаров: 26