Запчасти Case IH 21456 (10-27) - HYDRAULICS, DRAFT CONTROL, FARMALL TRACTORS W/S/N 13328 & ABOVE, INTL TRACTORS W/ S/N 10207 & ABOVE (07) - HYDRAULICS

Схема запчастей Case IH 21456 - (10-27) - HYDRAULICS, DRAFT CONTROL, FARMALL TRACTORS W/S/N 13328 & ABOVE, INTL TRACTORS W/ S/N 10207 & ABOVE (07) - HYDRAULICS
37
61
44
83
80
67
59
42
52
23
68
22
64
75
43
37
53
71
38
46
6
72
69
7
45
14
15
49
47
60
25
63
65
58
1
55
28
48
81
70
41
56
79
40
2
9
50
32
19
74
36
30
78
39
17
73
73
76
20
84
5
62
33
10
13
8
19
16
66
31
27
4
51
54
21
3
35
77
12
19
34
18
57
24
29
26
82
11
FIT
1:1
100%

Артикул

Название

Примечание

Количество

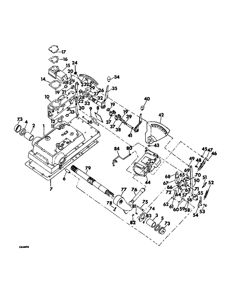
1

398353R91

COVER W/TWO BEARINGS, bushing and two oil seals, rear frame

1шт.

20203R1

BOLT,Hex, 5/8" - 11 x 3 7/8", Gr 5

SCREW, 5/8-11 x 3-7/8 hex-hd cap

16шт.

444776

PLUG,Sq Soc, 1/4"-18 NPTF

1/4-18 sq-soc pipe

1шт.

2

382774R2

BUSHING,70.78mm ID x 76.2mm OD x 80.26mm L

BEARING, rockshaft LH

1шт.

3

382775R2

BUSHING,76.85mm ID x 81.28mm OD x 80.26mm L

BEARING, rockshaft RH

1шт.

4

382776R91

OIL SEAL

rockshaft oil LH

1шт.

5

382778R91

OIL SEAL

rockshaft oil RH

1шт.

6

382798R1

BUSHING

eccentric shaft position control

1шт.

7

380264R2

GASKET

rear frame cover

1шт.

8

382415R1

COVER

valve adj opening

1шт.

13-510

BOLT,Hex, 5/16" - 18 x 5/8", Gr 5, Full Thd

6шт.

9

382416R1

GASKET

valve adj opening cover

1шт.

10

399605R93

SUPPORT

ASSY, seat RH, for components see list of parts under details of seat & hydraulic component support

1шт.

1017989R1

PLUG

7/8-14 self aligning

4шт.

179841

BOLT,Hex, 3/8" - 16 x 1 1/4", Gr 5

3/8-16 x 1-1/4 hex-hd cap

2шт.

279991R1

SCREW

W/PELLET INSERT, 1/2-13 x 1-1/2 hex-hd cap

1шт.

103321

LOCK WASHER,3/8"

WASHER, LOCK, 3/8"

2шт.

103323

LOCK WASHER,1/2"

WASHER, LOCK, 1/2"

1шт.

11

384377R1

O-RING,0.103" Thk x 2.55" ID, -141, Cl 6, 90 Duro

2-5/16 x 2-1/2 x 3/32, hyd component housing large

1шт.

12

381884R1

O-RING,0.103" Thk x 0.987" ID, -120, Cl 6, 90 Duro

1 x 1-3/16 x 3/32, hyd component housing small

1шт.

13

386867R1

O-RING,0.103" Thk x 1.11" ID, -122, Cl 6, 90 Duro

1-1/8 x 1-5/16 x 3/32, hyd component housing

1шт.

14

382793R1

GASKET

quadrant support opening

1шт.

15

532394R1

SUPPORT ASSY.

SUPPORT, draft control quadrant

1шт.

280161

BOLT,Hex, 3/8" - 16 x 3", Gr 5

2шт.

25080R1

SCREW, 3/8-16 x 3 fl gd 12-pt

2шт.

103321

LOCK WASHER,3/8"

WASHER, LOCK, 3/8"

2шт.

16

382795R1

GASKET

quadrant support cover

1шт.

17

382794R1

COVER

quadrant support

1шт.

179791

BOLT,Hex, 1/4" - 20 x 1/2", Gr 5

3шт.

413-414

BOLT,Hex, 1/4" - 20 x 7/8", Gr 5

SCREW, 1/4-20 x 7/8 C-Z hex-hd cap

1шт.

18

24834R1

PIN

7/32 x 1-3/8 coiled spring

1шт.

19

532395R1

BUSHING,19.07mm ID x 20.63mm OD x 16.64mm L

BEARING, sensitivity control shaft

3шт.

20

532410R11

LEVER ASSY, sensitivity control

1шт.

21

532406R1

WASHER

SPACER, sensitivity lever

1шт.

22

382848R21

ROD

ASSY, position control, upper

1шт.

23

378619R11

GUIDE

ASSY, position control handle

1шт.

88542

BOLT,Hex, 1/4"-20 x 1/2", Gr 5

SCREW, 1/4-20 x 1/2 cd or zn-pltd hex-hd cap

2шт.

492-11025

LOCK WASHER,1/4"

WASHER, LOCK, 1/4"

2шт.

24

371600R2

HANDLE

KNOB, adjustable stop pin

1шт.

25

371599R2

LARGE PIN

PIN, adjustable stop

1шт.

26

378620R1

STOP

position control handle

1шт.

144417H

NUT,1/4"-28, GB

1/4-28 cd pltd ESNA stop

1шт.

27

110668R1

CIRCLIP,#37, .300" Dia, E-Type

Ring, Retaining, , position control rod pin #37, .300" Dia, E-Type

1шт.

28

285430C1

BEARING

sensitivity shaft

1шт.

29

383024R1

O-RING,0.07" Thk x 0.676" ID, -17, Cl 6, 90 Duro

11/16 x 13/16 x 1/16, position control shaft

1шт.

30

382847R1

TURNBUCKLE

position control rod

1шт.

114503

JAM NUT,Jam, 3/8"-16, G5

1шт.

31

382846R1

ROD

position control, lower

1шт.

32

382803R2

LEVER, position control

1шт.

33

532399R1

SPACER, position control lever

1шт.

34

382801R1

BALL

KNOB, position control handle

1шт.

35

532396R1

HANDLE ASSY, position control

1шт.

36

110668R1

CIRCLIP,#37, .300" Dia, E-Type

Ring, Retaining, , position control bellcrank pin #37, .300" Dia, E-Type

1шт.

37

532401R1

SUPPORT

position control bearing

1шт.

181340

BOLT,Hex, 5/16" - 24 x 1 1/8", Gr 5

SCREW, 5/16-24 x 1-1/8 hex-hd cap

2шт.

192009

NUT, 5/16-24 hex.

2шт.

532409R1

SPRING WASHER

safety spring

2шт.

38

532408R1

PLASTIC RING

BEARING, sensitivity control shaft

1шт.

39

379365R1

O-RING,0.07" Thk x 0.364" ID, -12, Cl 6, 90 Duro

3/8 x 1/2 x 1/16, sensitivity control shaft

1шт.

40

382805R1

KNOB

sensitivity control handle

1шт.

41

532402R1

HANDLE ASSY, sensitivity control

1шт.

42

399384R1

SECTOR

control quadrant

1шт.

186270

BOLT,Hex, 5/16" - 18 x 3 1/2", Gr 5

3шт.

103320

LOCK WASHER,5/16"

WASHER, LOCK, 5/16"

3шт.

43

387926R2

RING

seal, Serial Range: cylinder-cover

2шт.

44

391909R91

CYLINDER

& VALVE ASSY, draft control, for components see list of parts under details of draft control cylinder & valve

1шт.

271560

PANEL,Hex, 5/8" - 11 x 1 3/4", Gr 5

5/8-11 x 1-3/4 hex-hd cap

2шт.

271569

SOCKET,Hex, 5/8" - 11 x 3 3/4", Gr 5

SCREW, 5/8-11 x 3-3/4 hex-hd cap

2шт.

45

382841R1

PIN

walking, Serial Range: beam-valve

1шт.

46

110668R1

CIRCLIP,#37, .300" Dia, E-Type

Ring, Retaining, , valve pin #37, .300" Dia, E-Type

1шт.

47

403984R1

LINK

ASSY, walking, Serial Range: beam-valve

1шт.

48

382842R1

SCREW,Shldr, Hex, 5/16" - 18 x 0.65", W/ Nylon Pellet

shoulder

1шт.

49

110668R1

CIRCLIP,#37, .300" Dia, E-Type

Ring, Retaining, , sensitivity control lever pin #37, .300" Dia, E-Type

1шт.

50

392226R1

LINK, draft control eccentric to sensing lever

1шт.

51

387414R1

ANCHOR

spring, part of cylinder & valve 391909R91

1шт.

52

392280R1

SPRING

sensing arm return

1шт.

53

382788R1

PIN

sensing pick-up arm

1шт.

54

392225R1

ARM

draft control sensing pick-up

1шт.

55

392223R91

ASSEMBLY

ECCENTRIC ASSY, draft control

1шт.

56

110668R1

CIRCLIP,#37, .300" Dia, E-Type

Ring, Retaining, , sensing pick-up arm pin #37, .300" Dia, E-Type

1шт.

57

110668R1

CIRCLIP,#37, .300" Dia, E-Type

Ring, Retaining, , draft control eccentric shaft #37, .300" Dia, E-Type

1шт.

58

971043R1

SNAP RING,#50, Ext

Eccentric shaft #50, Ext

1шт.

59

355967R1

O-RING,0.364" ID x 0.003" Width

3/8 x 1/2 x 1/16, eccentric shaft

1шт.

60

384399R91

ECCENTRIC

ASSY, position control

1шт.

61

382838R1

LINK

, Serial Range: eccentric-rockshaft

1шт.

62

110668R1

CIRCLIP,#37, .300" Dia, E-Type

Ring, Retaining, , position control eccentric pin #37, .300" Dia, E-Type

1шт.

63

382843R11

BEAM

ASSY, follow-up walking

1шт.

64

110668R1

CIRCLIP,#37, .300" Dia, E-Type

Ring, Retaining, , follow-up walking beam #37, .300" Dia, E-Type

1шт.

65

382845R1

LINK

walking, Serial Range: beam-bellcrank

1шт.

66

104977R1

SNAP RING,#X31, .243" Dia, E-Type

RING, RETAINING, , Walking beam to bellcrank #X31, .243" Dia, E-Type

1шт.

67

370290R1

SNAP RING,#50, .392" Dia, E-Type

Ring, Retaining, , draft control eccentric #50, .392" Dia, E-Type

1шт.

68

384511R91

SUPPORT

ASSY, position control stop pivot

1шт.

179840

BOLT,Hex, 3/8" - 16 x 1 1/8", Gr 5

SCREW, 3/8-16 x 1-1/8 hex-hd cap

1шт.

413-622

BOLT,Hex, 3/8" - 16 x 1-3/8", Gr 5

3/8-16 x 1-3/8 hex-hd cap

1шт.

103321

LOCK WASHER,3/8"

WASHER, LOCK, 3/8"

2шт.

69

382825R11

LEVER

BELLCRANK ASSY, position control

1шт.

70

204502R1

SNAP RING,#43, Ext

Position control bellcrank #43, Ext

1шт.

71

381478R1

SNAP RING,#X43, .375" Dia, E-Type

Ring, Retaining, , draft control stop lever #X43, .375" Dia, E-Type

1шт.

72

384513R11

LEVER

ASSY, draft control stop

1шт.

73

382818R1

RETAINER

rockshaft arm

2шт.

271556

WHEEL CYLINDER,Hex, 5/8" - 11 x 1 1/4", Gr 5

SCREW, 5/8-11 x 1-1/4 hex-hd cap

2шт.

74

384518R11

CAM

ASSY, rockshaft actuating hub

1шт.

75

398314R2

PIN,6.35mm OD x 76.2mm L

piston connecting rod

1шт.

103384

COTTER PIN,1/8" x 3/4"

Pin, Split (Cotter), 1/8" x 3/4"

1шт.

16558R1

WASHER

17/64 x 5/8 x .049

1шт.

76

382812R4

ROD

piston connecting

1шт.

77

382810R2

ROD

BELLCRANK, rockshaft

1шт.

78

382811R1

SET SCREW,Hex, 3/8" - 16, Lok-Thd x 1 1/2", Cone Pt

rockshaft bellcrank lok-thread set

1шт.

79

392872R2

ROCKSHAFT

hyd draft control

1шт.

80

19984R1

TUBE NUT,7/16"-24

NUT, 7/16-24 hi-duty tube fitting for 1/4 tube, optional with 29898D

1шт.

80

222-502

TUBE NUT,7/16"-24

NUT, 7/16-24 hi-duty tube fitting for 1/4 tube, optional with 19984R1

1шт.

81

376057R1

BUCKET TOOTH KEY

KEY, rockshaft actuating hub cam

1шт.

82

110668R1

CIRCLIP,#37, .300" Dia, E-Type

Ring, Retaining, , eccentric to rockshaft link #37, .300" Dia, E-Type

1шт.

83

382816R1

SET SCREW

rockshaft actuating hub cam set

1шт.

84

385942R91

TUBE

ASSY, cylinder lub

1шт.

179816

BOLT,Hex, 5/16" - 18 x 3/4", Gr 5

1шт.

103320

LOCK WASHER,5/16"

WASHER, LOCK, 5/16"

1шт.

Выбрано товаров: 117