Запчасти Case IH 21456 (08-02) - ELECTRICAL, ALTERNATOR GENERATOR AND CONNECTIONS (06) - ELECTRICAL

Схема запчастей Case IH 21456 - (08-02) - ELECTRICAL, ALTERNATOR GENERATOR AND CONNECTIONS (06) - ELECTRICAL
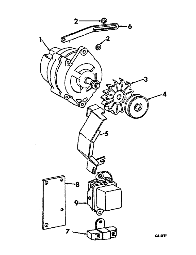
1
6
5
3
9
2
4
2
8
7
FIT
1:1
100%

Артикул

Название

Примечание

Количество

1

1100805

GENERATOR

ALTERNATOR GENERATOR ASSY, 702377C91, for components see list of parts under details of alternator generator

1шт.

1

103805A1R

REMAN-ALTERNATOR

Remanufactured Alternator, 12 volt 55 ampere

1шт.

1

103805A1C

CORE-ALTERNATOR

Return Number

1шт.

186282

BOLT,Hex, 3/8" - 16 x 3 1/4", Gr 5

SCREW, 3/8-16 x 3-1/4 hex-hd cap

1шт.

9413953

LOCK NUT,3/8"-16, GB

NUT, 3/8-16 PHC hex. lock

1шт.

121743

CHAIN,#12 - 24

12-24 C-Z hex. mach screw

1шт.

120614

NUT,Hex, #10 - 32

NUT, #10-32

1шт.

492-11012

LOCK WASHER,#12

Washer, Lock, #12

1шт.

120217

LOCK WASHER,#10

WASHER, LOCK, #10

1шт.

2

280185R1

SPACER

alternator generator brace

1шт.

3

1940994

FAN

alternator generator, 221425R1

1шт.

4

1960481

PULLEY

alternator generator, 384987R2

1шт.

5

396360R2

GUARD

SHIELD ASSY, alternator fan and pulley

1шт.

6

385008R1

SUPPORT

BRACE, alternator generator

1шт.

NLS

NO LONGER SERVICED

1шт.

103321

LOCK WASHER,3/8"

WASHER, LOCK, 3/8"

1шт.

179820

BOLT,Hex, 5/16" - 18 x 1 1/4", Gr 5

1шт.

103320

LOCK WASHER,5/16"

WASHER, LOCK, 5/16"

1шт.

7

1962014

RESISTOR

RESISTANCE UNIT, 260602C91

1шт.

8

384989R91

BRACKET ASSY, voltage regulator mounting

1шт.

385544R1

SPACER,1/4" Pipe x 3/8"

regulator mounting bracket

1шт.

385545R1

SPACER, regulator mounting bracket

1шт.

179797

BOLT,Hex, 1/4" - 20 x 1", Gr 5

1шт.

179804

RETAINING WIRE

1/4-20 x 1-7/8 hex-hd cap

1шт.

103319

LOCK WASHER,1/4"

WASHER, LOCK, 1/4"

2шт.

9

1119516

REGULATOR

ASSY, voltage 384988R91, composed of (1) cover 1958151 (2) screw, cover 1962733 (1) regulator 1119515 (1) shock bracket package 1962629

1шт.

109084

NUT,1/4"-20, G5

2шт.

103319

LOCK WASHER,1/4"

WASHER, LOCK, 1/4"

2шт.

Выбрано товаров: 28