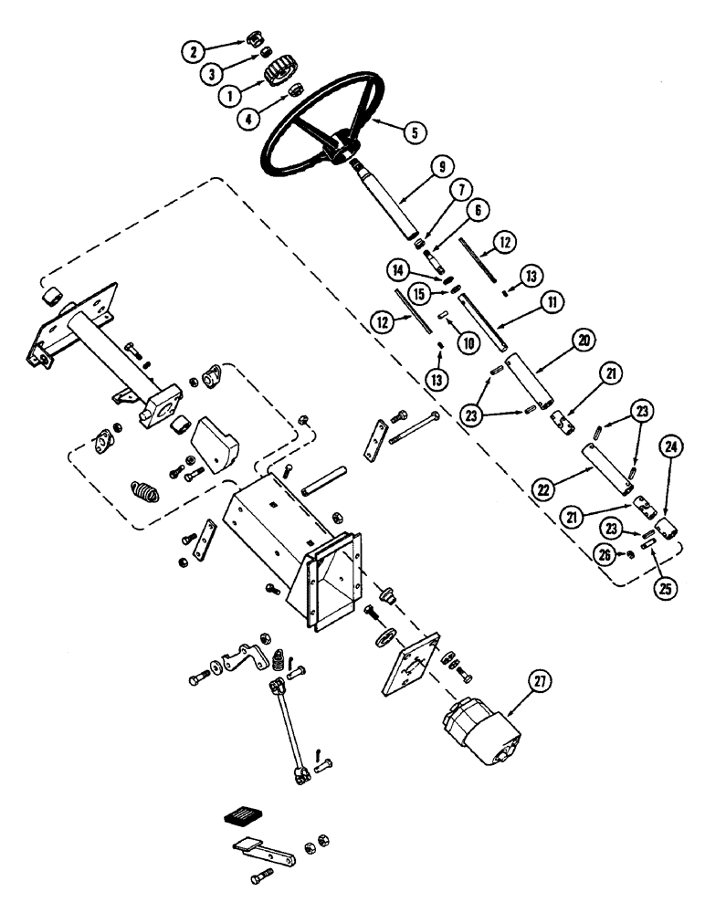
Запчасти Case IH 2290 (5-172) - STEERING WHEEL AND SHAFT (05) - STEERING

Схема запчастей Case IH 2290 - (5-172) - STEERING WHEEL AND SHAFT (05) - STEERING
3
27
1
11
13
24
22
20
13
9
21
25
7
23
12
23
5
12
21
23
4
26
15
14
2
10
6
FIT
1:1
100%

Артикул

Название

Примечание

Количество

1

A141827

CAP

KNOB - lock, steering wheel

1шт.

2

353-413

PLUG,Dome, 1.187" hole, Nylon

- nylon, 1-3/8 inch (35 MM) hole size

1шт.

3

25-146

JAM NUT,Jam, 3/8"-16, G5

- hex jam, 3/8 inch NC

1шт.

4

A14567

JAM NUT

-, Serial Range: wheel-shaft

1шт.

5

A65544

STEERING WHEEL

1шт.

6

A63683

SHAFT

- lock, telescoping

1шт.

7

A63684

LOCK NUT

- lock, left thread (1/2 inch NC)

1шт.

9

A63681

SHAFT

- outer, steering

1шт.

10

A63685

PIN

- stop

1шт.

11

A162020

SHAFT

- inner, steering (Replaces A63697)

1шт.

12

A63686

KEY

- lock, steering shaft

2шт.

13

A63687

LOCK

- friction

2шт.

14

A63688

FRICTION WASHER

- retainer, lock

1шт.

15

A58116

RING

- snap

1шт.

20

A147294

COUPLING

- steering, Serial Range: shaft-joint

1шт.

21

CASA147292

SWIVEL CONNECTION

JOINT - universal

2шт.

22

A147293

COUPLING

- U-joint

1шт.

23

138-172

LOCK PIN,3/8" x 1 1/4", Slotted

PIN, 3/8" x 1 1/4", Slotted

5шт.

24

A147291

COUPLING

- steering pump shaft

1шт.

25

A64000

PIN,9.42mm OD x 38.1mm L

- coupling to pump shaft

1шт.

26

A164905

SNAP RING,#37, Ext

Ring, Snap, , Pin (replaces A27795) #37, Ext

2шт.

27

REF

INSTRUCTION

PUMP AND VALVE ASSEMBLY - (See Page 5-180)

1шт.

Выбрано товаров: 22