Запчасти Case IH 2290 (5-190) - ADJUSTABLE FRONT AXLE, STANDARD AND LONG AXLE WITH STANDARD WHEEL BASE (05) - STEERING

Схема запчастей Case IH 2290 - (5-190) - ADJUSTABLE FRONT AXLE, STANDARD AND LONG AXLE WITH STANDARD WHEEL BASE (05) - STEERING
39
34
10
38
16
13
25
26
17
31
7
21
29
12
6
11
33
8
42
1
20
27
18
16
3
41
30
14
15
40
19
37
38
5
2
22
32
4
43
9
FIT
1:1
100%

Артикул

Название

Примечание

Количество

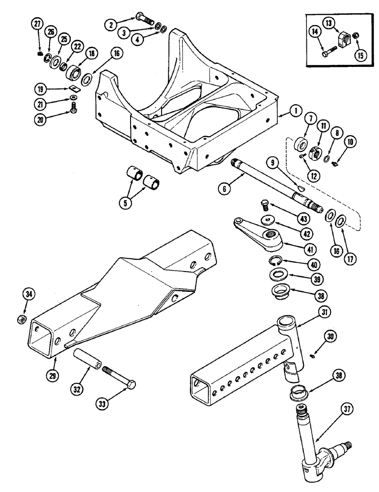
1

A163364

SUPPORT ASSY.

SUPPORT - front axle

1шт.

2

26-1244

BOLT,Hex, 3/4" - 10 x 2-3/4", Gr 8

- hex, 3/4 NC x 2-3/4 inch (Grade 8)

4шт.

3

195-45

WASHER,3/4"

4шт.

4

A26462

WASHER

- hardened, 49/64 x 1-1/4 x 5/64 inch (19 x 32 x 2 MM)

4шт.

5

A164817

BUSHING,38.13mm ID x 40.22mm OD x 50.8mm L

- pivot pin (1 1/2" I.D.)

2шт.

6

A164818

AXLE PIN,38.1mm OD x 590.55mm L

PIN - axle pivot, 23-1/4 inch long (591 MM) (1 1/2" O.D.)

1шт.

7

A163361

COLLAR CLAMP

COLLAR - front

1шт.

8

A160576

RING

- retaining

1шт.

9

126-43

WOODRUFF KEY,#128, 5/16" x 2 1/8"

1шт.

10

219-1

LUBE NIPPLE,1/8" - 27 NPTF

FITTING - grease, 1/8 inch PT straight (Front)

1шт.

11

A161075

COLLAR

- pivot shaft lock, Includes: Ref. 12

1шт.

12

62-514

BOLT (SPREADER),5/16" - 24 x 7/8"

BOLT - hex socket head, 5/16 NF x 7/8 inch

1шт.

13

A160551

NUT

- pivot shaft lock (Order A161075 collar, see ref 11)

1шт.

14

26-844

BOLT,Hex, 1/2" - 13 x 2-3/4", Gr 8

- hex, 1/2 NC x 2-3/4 inch (Grade 8 )

1шт.

15

131-10

NUT,1/2"-13, GB

NUT, LOCK, 1/2"-13, GB

1шт.

16

A163363

WASHER

- thrust, 1-13/32 x 2-1/2 x 1/16 inch (36 x 63 x 2 MM)

1шт.

17

A163362

WASHER,38.23mm ID x 63.5mm OD x 3.05mm Thk

- thrust, 1-3/8 x 2-1/2 x 1/8 inch (35 x 63 x 3 MM)

1шт.

18

A149888

COLLAR

- lock, pivot pin

1шт.

19

A143426

LOCKING TAB

TAB - bolt lock

1шт.

20

26-820

BOLT,Hex, 1/2" - 13 x 1-1/4", Gr 8

1шт.

21

195-106

WASHER,1/2"

- 9/16 x 1-3/8 x 7/64 inch (14 x 35 x 3 MM)

1шт.

22

A163360

COLLAR CLAMP

COLLAR - half

2шт.

25

195-2170

WASHER,1 17/32" x 2 1/2" x .180"

- cup, rear

1шт.

26

R10197

RING

- retaining, rear

1шт.

27

219-55

LUBE NIPPLE,90 Degree Elbow, 1/8" - 27 NPTF

NIPPLE, LUBE, (Rear) 90º, 1/8" NPT x .84" lg

1шт.

29

A163354

CENTER AXLE

AXLE - center section

1шт.

30

219-1

LUBE NIPPLE,1/8" - 27 NPTF

FITTING - straight, 1/8 inch PT

4шт.

31

A160127

SHAFT

AXLE - left end section

1шт.

31

A160126

SHAFT

AXLE - right end section (Left shown)

1шт.

32

A137107

BUSHING

SPACER - axle adjusting bolt

4шт.

33

26-1480

BOLT,Hex, 7/8" - 9 x 5", Gr 8

- hex, 7/8 NC x 5-1/2 inch (Grade 8)

4шт.

34

129-109

NUT,7/8"-9, G5

4шт.

37

A161259

SPINDLE

- front wheel (Replaces A160446) (Order A167024)

2шт.

38

A143174

BUSHING,51mm ID x 60.45mm OD x 28.57mm L

- spindle

4шт.

39

A31269

WASHER,38.89mm ID x 73.03mm OD x 3.17mm Thk

- spindle retainer, 1-17/32 x 2-7/8 x 1/8 inch (39 x 73 x 3 MM)

2шт.

40

T37909

SNAP RING,#150, Ext

Ring, Snap, #150, Ext

2шт.

41

A160125

ARM

- steering, left spindle

1шт.

41

A160124

ARM

- steering, right spindle (Left shown)

1шт.

42

A161870

WASHER

- steering arm, 25/32 x 2-1/2 x 5/16 inch (20 x 63 x 8 MM)

2шт.

43

113-709

BOLT,Hex, 3/4" - 10 x 1-1/2", Gr 5

2шт.

Выбрано товаров: 40