Запчасти Case IH 2290 (5-210) - STEERING TIE RODS, STANDARD AND LONG AXLE WITH STANDARD WHEEL BASE (05) - STEERING

Схема запчастей Case IH 2290 - (5-210) - STEERING TIE RODS, STANDARD AND LONG AXLE WITH STANDARD WHEEL BASE (05) - STEERING
14
2
7
14
9
9
10
12
15
8
11
13
1
13
9
6
15
10
14
2
4
3
15
5
14
3
9
15
11
12
FIT
1:1
100%

Артикул

Название

Примечание

Количество

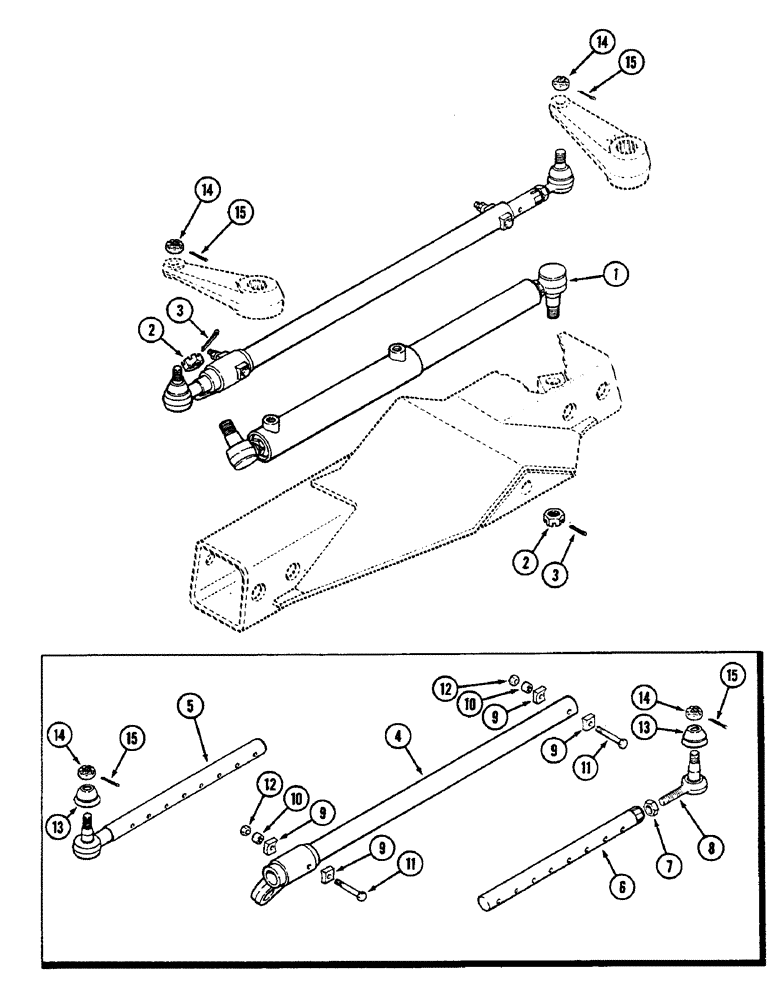
1

REF

INSTRUCTION

CYLINDER - steering (See Figure 5-182)

1шт.

2

25-1314

SLOTTED NUT,7/8"-14, G5

NUT - hex slotted, 7/8 inch NF

2шт.

3

132-337

COTTER PIN,1/8" x 1 3/4"

PIN, SPLIT (COTTER), 1/8" x 1 3/4"

2шт.

4

A160166

TUBE

- tie rod

1шт.

5

A160199

ROD

END - tie rod, right

1шт.

6

A143876

ROD

END - tie rod, left

1шт.

7

F22580

NUT

- tie rod lock

1шт.

8

A162214

BALL

JOINT - end ball, left (Replaces A160200)

1шт.

9

A43369

CLAMP

- tie rod

4шт.

10

A145846

SPACER

- tie rod clamp, 3/8 x 3/4 x 9/16 inch (10 x 19 x 14 MM)

2шт.

11

26-648

BOLT,Hex, 3/8" - 16 x 3", Gr 8

- hex, 3/8 NC x 3 inch (Grade 8)

2шт.

12

131-52

NUT,3/8"-16, GC

NUT - hex ESNA lock, 3/8 inch

2шт.

13

A160642

COVER

- dust (Replaces A45102)

2шт.

14

129-610

SLOTTED NUT,5/8"-18, G5

2шт.

15

132-49

COTTER PIN,1/8" x 1 1/8"

Pin, Split (Cotter), 1/8" x 1 1/8"

2шт.

Выбрано товаров: 15