Запчасти Case IH 2290 (6-220) - POWER SHIFT TRANSMISSION, TRANSMISSION HOUSING (06) - POWER TRAIN

Схема запчастей Case IH 2290 - (6-220) - POWER SHIFT TRANSMISSION, TRANSMISSION HOUSING (06) - POWER TRAIN
32
21
31
3
3
25
59
41
17
55
7
27
15
5
58
20
28
30
29
7
54
12
14
4
14
23
42
16
33
57
13
22
11
4
14
26
19
9
5
6
56
6
35
1
34
25
60
18
2
53
24
10
26
FIT
1:1
100%

Артикул

Название

Примечание

Количество

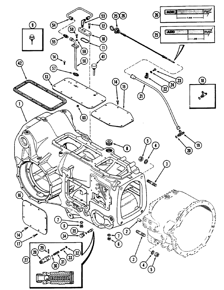
1

A144313

HOUSING

- transmission

1шт.

2

A28269

PIN

- dowel

2шт.

3

A151866

STUD

- 7/8 NF x 4 inch

4шт.

4

193-16

LOCK WASHER,Ext Tooth, 7/8"

WASHER - external Shakeproof, 7/8 inch

4шт.

5

129-129

NUT,7/8"-14, G5

- hex, 7/8 inch NF

4шт.

6

A140222

PLUG

- drain

2шт.

7

A58608

GASKET

- plug

2шт.

8

221-97

DRAIN PLUG,Sq Soc, 2"-11 1/2, NTPF

PLUG - square socket head, 2 inch PT

1шт.

9

REF

INSTRUCTION

BREATHER - transmission case (Order A154691, A144226 and 221-1012)

1шт.

10

A157626

PLATE

COVER - charge pump outlet (Replaces A144463)

1шт.

Part of Spiral Bevel Gear Kit, P/N A46937

1шт.

11

A28318

O-RING,0.139" Thk x 2.484" ID, -230, Cl 5, 75 Duro

- 2-1/2 x 2-3/4 x 1/8 inch (63 x 70 x 3 MM)

1шт.

Part of Spiral Bevel Gear Kit, P/N A46937

1шт.

12

113-207

BOLT,Hex, 3/8" - 16 x 1", Gr 5

2шт.

13

A157223

PLATE

COVER - transmission top, rear (Replaces A144227)

1шт.

14

113-207

BOLT,Hex, 3/8" - 16 x 1", Gr 5

24шт.

15

A140989

COVER

- transmission top, front

1шт.

16

A144538

COVER

- transmission side

1шт.

17

113-208

BOLT,Hex, 3/8" - 16 x 1-1/4", Gr 5

2шт.

19

A151314

FITTING

CONNECTOR - dipstick (Prior to transmission serial number 10211499)

1шт.

19

A161146

FITTING

CONNECTOR - dipstick (Transmission serial number 10211499 and after)

1шт.

20

218-5008

O-RING,0.116" Thk x 0.924" ID, -912, Cl 6, 90 Duro

- 59/64 x 3/4 x 7/64 inch (23 x 19 x 3 MM)

1шт.

21

A144056

TUBE

- dipstick

1шт.

22

49838

CLAMP

CLIP - tube

1шт.

23

113-206

BOLT,Hex, 3/8" - 16 x 3/4", Gr 5, Full Thd

1шт.

24

195-525

WASHER,3/8", SAE

- 13/32 x 13/16 x 1/16 inch (10 x 21 x 2 MM)

1шт.

25

A144055

DIPSTICK

- transmission oil (Transmission serial number 10204527 and after)

1шт.

26

A154744

DIPSTICK

- transmission oil (Prior to transmission serial no. 10204527) (Painted green)

1шт.

27

A60890

VALVE

ASSEMBLY - relief, lubrication oil, Includes: Ref. 28-33

1шт.

28

NSS

NOT SOLD SEPARAT

BODY - relief valve

1шт.

29

138-57

LOCK PIN,1/8" x 3/4", Slotted

PIN, (3 x 19 mm) 1/8" x 3/4", Slotted

1шт.

30

211-9

BALL,5/16" Dia

- chrome steel, 5/16 inch diameter (8 MM)

1шт.

31

A60889

SPRING

- relief valve

1шт.

32

195-506

WASHER,#6

- shim, 5/32 x 5/16 x 1/32 inch (4 x 8 x 1 MM)

1шт.

33

138-96

LOCK PIN,3/16" x 1", Slotted

PIN, (5 x 25 mm) 3/16" x 1", Slotted

1шт.

34

A67369

PLUG

- oil relief valve

1шт.

35

218-5008

O-RING,0.116" Thk x 0.924" ID, -912, Cl 6, 90 Duro

- 5/64 x 3/4 x 7/64 inch (23 x 19 x 3 MM)

1шт.

41

A154691

BREATHER

- transmission

1шт.

42

A144226

GASKET

- cover

1шт.

53

218-1084

ELBOW,90 Degree, 3/4"-16, 37 Degree x 1/2"-12 NPTF, XLG

- 90 degree (Transmission serial no. 16208654 and after)

1шт.

54

A165325

PIPE

TUBE - spiral bevel supply (Transmission serial no. 16208654 and after)

1шт.

Part of Spiral Bevel Gear Kit, P/N A46937

1шт.

55

A160216

FITTING

VALVE - check, lube tube (Transmission serial no. 16208654 and after)

1шт.

Part of Spiral Bevel Gear Kit, P/N A46937

1шт.

56

A165324

PIPE

TUBE - spiral bevel lube (Transmission serial no. 16208654 and after)

1шт.

Part of Spiral Bevel Gear Kit, P/N A46937

1шт.

57

A38212

GASKET

- lube tube (Transmission serial no. 16208654 and after)

1шт.

58

13-516

BOLT,Hex, 5/16" - 18 x 1", Gr 5

(Transmission S/N 16208654 and after) Hex, 5/16"-18 x 1", G5, Full Thd

2шт.

Part of Spiral Bevel Gear Kit, P/N A46937

1шт.

59

92-5

LOCK WASHER,5/16"

(Transmission serial no. 16208654 and after) 5/16"

2шт.

Part of Spiral Bevel Gear Kit, P/N A46937

1шт.

60

9635082

NUT,5/16" - 18, Gr 5

- hex, 5/16 inch NC (Transmission serial no. 16208654 and after)

2шт.

A159488

GEAR

SET - pinion and countershaft (Matched set) (Order A168188)

1шт.

A46937

TUBE

KIT - spiral bevel gear, Includes: ref. nos. 10, 11, 53, 54, 55, 56, 58, 59, 60

1шт.

Выбрано товаров: 54