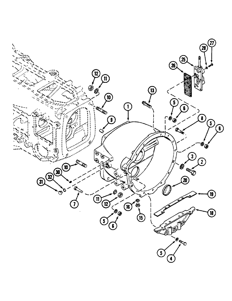
Запчасти Case IH 2290 (6-246) - MECHANICAL SHIFT TRANSMISSION, CLUTCH HOUSING (06) - POWER TRAIN

Схема запчастей Case IH 2290 - (6-246) - MECHANICAL SHIFT TRANSMISSION, CLUTCH HOUSING (06) - POWER TRAIN
30
1
31
25
12
11
32
4
6
6
12
20
11
5
2
7
28
15
5
10
10
3
27
8
5
9
5
16
19
18
13
6
26
FIT
1:1
100%

Артикул

Название

Примечание

Количество

1

A152658

HOUSING - clutch

1шт.

2

26-1240

BOLT,Hex, 3/4" - 10 x 2-1/2", Gr 8

- hex, 3/4 NC x 2-1/2 inch (Grade 8)

2шт.

3

A34651

LOCK WASHER

- external Shakeproof, 3/4 inch

2шт.

4

26-840

BOLT,Hex, 1/2" - 13 x 2-1/2", Gr 8

- hex, 1/2 NC x 2-1/2 inch (Grade 8)

1шт.

4

26-832

BOLT,Hex, 1/2" - 13 x 2", Gr 8

- hex, 1/2 NC x 2 inch (Grade 8)

2шт.

4

26-826

BOLT,Hex, 1/2" - 13 x 1-5/8", Gr 8

- hex, 1/2 NC x 1-5/8 inch (Grade 8)

5шт.

5

A34650

LOCK WASHER

- external Shakeproof, 1/2 inch

13шт.

6

25-168

NUT,1/2"-13, G5, Hvy

- hex, 1/2 inch NC

3шт.

7

A149765

STEP BOLT

BOLT - hex, dowel, 1/2 NC x 2-7/16 inch

1шт.

8

A149764

STEP BOLT

BOLT - hex, dowel, 1/2 NC x 3 inch

1шт.

9

A28269

PIN

- dowel

2шт.

10

A151866

STUD

- 7/8 NF x 4 inch

4шт.

11

193-16

LOCK WASHER,Ext Tooth, 7/8"

WASHER - external Shakeproof, 7/8 inch

4шт.

12

129-129

NUT,7/8"-14, G5

- hex, 7/8 inch NF

4шт.

13

166-88

12 PT SCREW,Flg, 1/2" - 13 x 1 3/4", Gr 8

BOLT - ferry head, 1/2 NC x 1-3/4 inch (Grade 8)

2шт.

15

A140222

PLUG

- drain

1шт.

16

A58608

GASKET

- plug

1шт.

18

A144906

PLATE

- flywheel housing seal

1шт.

19

A152424

GASKET

- plate (Replaces A76249)

1шт.

20

A58007

PLUG

- cup, 3-1/2 inch (89 MM)

1шт.

25

REF

INSTRUCTION

VALVE ASSEMBLY - master clutch (See Figure 6-254)

1шт.

26

A152647

GASKET

-, Serial Range: valve-housing

1шт.

27

113-208

BOLT,Hex, 3/8" - 16 x 1-1/4", Gr 5

6шт.

28

A140282

WASHER,9.78mm ID x 19.66mm OD x 0.81mm Thk

- 27/64 x 3/4 x 1/32 inch (11 x 19 x 1 MM)

6шт.

30

221-1011

DRAIN PLUG,Sq Hd, 1/8"-27 NPTF

PLUG - square head, 1/8 inch

1шт.

31

214389

PLUG,3/4" - 16 ORB

Assy, Includes Ref. 32 Hex Hd, 3/4"-16 ORB

1шт.

32

218-5346

O-RING,0.116" Thk x 0.863" ID, -911, Cl 6, 90 Duro

- 55/64 x 1-3/32 x 7/64 inch (22 x 28 x 3 MM)

1шт.

Выбрано товаров: 27