Запчасти Case IH 2290 (8-358) - HYDRAULICS, PTO TUBES AND FITTINGS (08) - HYDRAULICS

Схема запчастей Case IH 2290 - (8-358) - HYDRAULICS, PTO TUBES AND FITTINGS (08) - HYDRAULICS
9
15
7
5
4
22
21
7
18
8
9
2
14
13
1
12
6
16
19
FIT
1:1
100%

Артикул

Название

Примечание

Количество

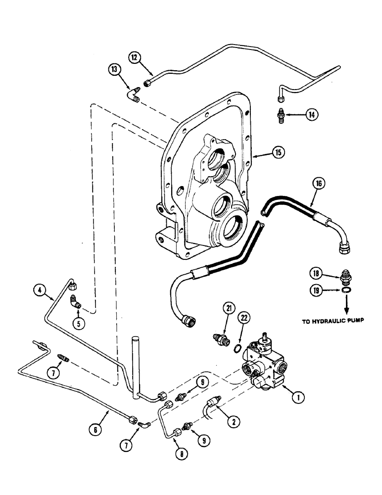
1

REF

INSTRUCTION

VALVE ASSEMBLY - regulator, PTO and clutch (See Figure 6-320)

1шт.

2

A162422

SWITCH

- sender, transmission oil pressure (Replaces A145119 switch and A155051 snubber)

1шт.

4

A160582

TUBE

- valve to PTO clutch (Replaces A145667)

1шт.

5

218-483

ELBOW,90 Degree Elbow, 9/16" - 18 Male JIC x 1/4" - 18 Male NPTF

- PTO housing, 90 degree, 3/8 tube x 1/4 inch PT

1шт.

6

A145291

TUBE

- valve to PTO brake

1шт.

7

218-481

ELBOW,90 Degree Elbow, 7/16" - 20 Male JIC x 1/8" - 27 Male NPTF

- brake tube, 90 degree, 1/4 tube x 1/8 inch PT

2шт.

8

NLS

NO LONGER SERVICED

- drain, PTO brake

1шт.

9

218-441

HYD CONNECTOR,7/16" - 20 Male JIC x 1/8" - 27 Male NPTF

CONNECTOR - tube to valve, 1/4 tube x 1/8 inch PT

2шт.

12

A145892

TUBE

- lubrication, PTO from pump

1шт.

13

218-1053

ELBOW,90 Degree, 9/16"-18, 37 Degree x 3/8"-18, NPTF

- PTO housing, 90 degree, 3/8 tube x 3/8 inch PT

1шт.

14

A149515

CONNECTOR, ELEC

CONNECTOR - restriction, tube to pump cover

1шт.

15

REF

INSTRUCTION

HOUSING - PTO

1шт.

16

A160652

TUBE

HOSE - pump to regulator valve (Replaces A160221)

1шт.

18

218-5077

HYD CONNECTOR,1-1/16" - 12 Male JIC x 1-5/16" - 12 Male ORB

CONNECTOR ASSEMBLY - pump, 3/4 tube x 1-5/16 inch thread, Incl. Ref. 19

1шт.

19

218-5010

O-RING,0.116" Thk x 1.171" ID, -916, Cl 6, 90 Duro

- 1-11/64 x 1-13/32 x 7/64 inch (33 x 39 x 3 MM)

1шт.

21

218-5064

HYD CONNECTOR,1-1/16" - 12 Male JIC x 1-1/16" - 12 Male ORB

CONNECTOR ASSEMBLY - regulator valve, 3/4 tube x 1-1/16 inch, Incl. Ref. 22

1шт.

22

218-5008

O-RING,0.116" Thk x 0.924" ID, -912, Cl 6, 90 Duro

- 15/16 x 1-5/32 x 7/64 inch (24 x 29 x 3 MM)

1шт.

Выбрано товаров: 17