Запчасти Case IH 2290 (8-360) - HYDRAULICS, POWER SHIFT CONTROL VALVE (08) - HYDRAULICS

Схема запчастей Case IH 2290 - (8-360) - HYDRAULICS, POWER SHIFT CONTROL VALVE (08) - HYDRAULICS
2
11
29
5
28
18
9
23
4
3
6
25
31
21
19
20
13
24
27
12
30
1
10
22
8
7
FIT
1:1
100%

Артикул

Название

Примечание

Количество

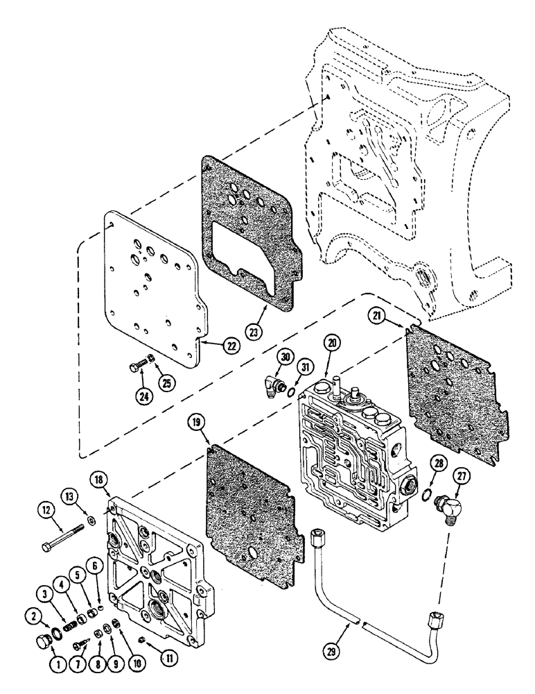
1

A62588

PLUG

- detent

1шт.

3

A61696

SPRING

- detent, 1-1/16 inch (27 MM) free length

1шт.

4

A62107

SPACER

- detent

1шт.

5

A59062

SLEEVE

- detent

1шт.

6

211-12

BALL,7/16 Dia

- detent, 7/16 inch (11 MM) diameter

1шт.

7

A136916

NEEDLE

- retard orifice

2шт.

8

425-154

JAM NUT,Jam, 1/4"-28, G5

2шт.

9

122-13

GROMMET

WASHER - 1/4 inch steel (6 MM)

2шт.

10

A59074

SEAL

- thread, 1/4 inch (6 MM) ID

2шт.

11

221-1011

DRAIN PLUG,Sq Hd, 1/8"-27 NPTF

PLUG - square head, pipe, 1/8 inch

5шт.

12

113-252

BOLT,Hex, 3/8" - 16 x 3-3/4", Gr 5

10шт.

13

A50820

WASHER

- bolt, hardened

10шт.

18

A157320

COVER

- valve assembly (Replaces A155485)

1шт.

19

A157321

GASKET

- cover to valve (Replaces A142314)

1шт.

20

REF

INSTRUCTION

VALVE ASSEMBLY - power shift control (See Figure 8-364)

1шт.

21

A66735

GASKET

- valve to manifold plate

1шт.

22

A142315

COVER

PLATE - manifold

1шт.

23

A154572

MANIFOLD GASKET

- manifold to transmission housing (Replaces A142316)

1шт.

24

113-262

BOLT,Hex, 3/8" - 16 x 1-1/8", Gr 5, Full Thd

2шт.

25

192-21

LOCK WASHER,3/8"

WASHER, LOCK, 3/8"

2шт.

27

A63295

ELBOW,90 Degree, 3/4"-16, 37 Degree x 9/16"-18 O-Ring

ASSEMBLY - 90 degree, 9/16-18 x 3/4-18 inch, Includes: Ref. 28

1шт.

28

218-5005

O-RING,0.078" Thk x 0.468" ID, -906, Cl 6, 90 Duro

6-1, 90 Duro, .468" ID x .078" Thk (12 x 16 x 2 mm)

1шт.

29

A64332

TUBE

- pilot, reverse lockout

1шт.

30

A156245

FITTING

ELBOW ASSEMBLY - 90 degree, 1/2 tube x 3/4-16 inch (Replaces 218-5106), Includes: Ref. 31

1шт.

2

218-5006

O-RING,0.087" Thk x 0.644" ID, -908, Cl 6, 90 Duro

- 1/2 x 41/64 x 5/64 inch (13 x 16 x 2 MM)

1шт.

31

218-5006

O-RING,0.087" Thk x 0.644" ID, -908, Cl 6, 90 Duro

- 41/64 x 1/2 x 5/64 inch (16 x 13 x 2 MM)

1шт.

Выбрано товаров: 26