Запчасти Case IH 2290 (8-366) - HYDRAULICS, MECHANICAL SHIFT VALVE CIRCUIT (08) - HYDRAULICS

Схема запчастей Case IH 2290 - (8-366) - HYDRAULICS, MECHANICAL SHIFT VALVE CIRCUIT (08) - HYDRAULICS
5
2
6
13
14
16
21
3
9
8
17
7
1
20
23
4
12
15
FIT
1:1
100%

Артикул

Название

Примечание

Количество

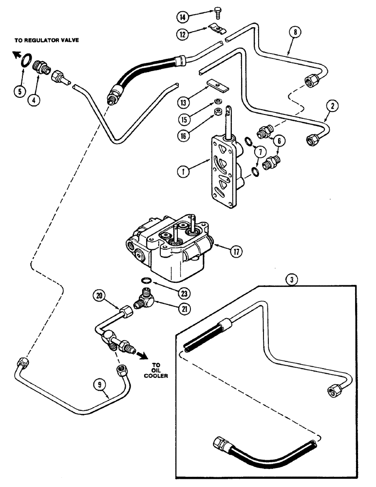
1

REF

INSTRUCTION

VALVE ASSEMBLY - master clutch (See Figure 6-254)

1шт.

2

NSS

NOT SOLD SEPARAT

TUBE - regulator to clutch valve inlet (JI Case installed, Order A149015)

1шт.

3

A149015

HOSE

- regulator to clutch valve inlet (Service only)

1шт.

4

218-5070

HYD CONNECTOR,3/4" - 16 Male JIC x 1-1/16" - 12 Male ORB

CONNECTOR ASSEMBLY - straight, 1/2 tube x 1-1/16-12 inch (Regulator valve), Includes: Ref. 5

1шт.

5

218-5010

O-RING,0.116" Thk x 1.171" ID, -916, Cl 6, 90 Duro

- 1-11/64 x 1-11/32 x 7/64 inch (30 x 34 x 3 MM)

1шт.

6

218-5059

HYD CONNECTOR,3/4"-16, 37 Degree x 3/4"-16, O-Ring

CONNECTOR ASSEMBLY - straight, 1/2 tube x 3/4-16 inch (In clutch valve), Incl. Ref 7

2шт.

7

218-5346

O-RING,0.116" Thk x 0.863" ID, -911, Cl 6, 90 Duro

- 55/64 x 1-13/64 x 7/64 inch (22 x 30 x 3 MM)

1шт.

8

A145682

HOSE

- clutch valve to brake valve tube

1шт.

9

A147257

TUBE

- clutch valve hose to brake valve manifold

1шт.

12

A63323

CLAMP

- tube

1шт.

13

A60864

PLATE

- clamp bolt

1шт.

14

13-516

BOLT,Hex, 5/16" - 18 x 1", Gr 5

1шт.

15

92-5

LOCK WASHER,5/16"

1шт.

16

9635082

NUT,5/16" - 18, Gr 5

- hex, 5/16 inch NC

1шт.

17

REF

INSTRUCTION

VALVE ASSEMBLY - brake (See Figure 7-342)

1шт.

20

A147196

MANIFOLD

- brake valve

1шт.

21

218-5106

90 ELBOW,90 Degree Elbow, 3/4" - 16 Male JIC x 3/4" - 16 Male ORB

ASSEMBLY - 1/2 x 3/4 inch PT, Includes: Ref. 23

1шт.

23

218-5006

O-RING,0.087" Thk x 0.644" ID, -908, Cl 6, 90 Duro

- 1/2 x 21/32 x 3/32 inch (13 x 17 x 2 MM)

1шт.

Выбрано товаров: 18