Запчасти Case IH 2290 (8-368) - HYDRAULICS, CHARGING PUMP AND DRIVE (08) - HYDRAULICS

Схема запчастей Case IH 2290 - (8-368) - HYDRAULICS, CHARGING PUMP AND DRIVE (08) - HYDRAULICS
23
7
25
17
20
9
10
15
19
5
34
3
11
18
24
12
30
21
36
33
2
31
35
4
6
22
1
14
32
8
FIT
1:1
100%

Артикул

Название

Примечание

Количество

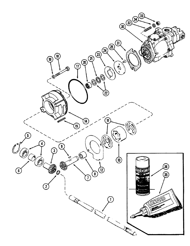
1

A156861

SHAFT

- drive, PTO and hydraulic pump (Replaces A150822)

1шт.

2

F62235

SNAP RING,#112, Ext

Ring, Snap, , pump drive bevel gear (replaces A75171) #112, Ext

1шт.

3

A151266

GEAR

- bevel, pump drive

1шт.

4

D47572

BEARING

- ball, drive gear (Order A29183)

2шт.

5

A150936

RING

- snap, 0.074 inch (1.88 MM)

1шт.

5

A151259

RING

- snap, 0.079 inch (2.0 MM)

1шт.

5

A150935

RING

- snap, 0.084 inch (2.12 MM)

1шт.

5

A151260

RING

- snap, 0.089 inch (2.26 MM)

1шт.

5

A150934

RING

- snap, 0.094 inch (2.30 MM)

1шт.

6

A142293

SPACER

- bearing

1шт.

7

A152010

GEAR

PINION - bevel, pump drive

1шт.

8

A39457

NEEDLE BEARING,1.25" ID x 1.625" OD x 1.25"

BEARING - needle, pinion

1шт.

9

126-119

WOODRUFF KEY,#11, 3/16" x 7/8", HT

KEY - Woodruff, 7/8 x 3/16 inch hardened

1шт.

10

A151258

PUMP

GEROTOR SET - charging pump

1шт.

11

A142022

PLATE

- wear, gerotor

2шт.

12

A144444

SHIM

- pump cover, 0.002 inch (0.05 MM) (Red code)

1шт.

12

A144443

SHIM

- pump cover, 0.005 inch (0.13 MM) (Blue code)

1шт.

14

A154647

HOUSING

COVER - charging pump (Replaces A151251)

1шт.

15

A155684

SEAL

- pump cover (Transmission serial no. 10236915 and after)

4шт.

17

G102868

O-RING,6.984" ID x 7.262" OD

- 7 x 7-1/4 x 1/8 inch (178 x 184 x 3 MM)

1шт.

18

13-868

BOLT,Hex, 1/2" - 13 x 4-1/4", Gr 5

2шт.

19

A30061

WASHER

- 15/32 x 15/16 x 1/16 inch (12 x 24 x 2 MM)

2шт.

20

D63322

ROLLER BEARING,Needle, 31.75mm ID x 38.1mm OD x 19.05mm W

BEARING - needle, pinion

1шт.

21

T36441

THRUST BEARING,1.127" ID x 1.74" OD x 0.0781"

BEARING - thrust, pump drive

1шт.

22

A146625

WASHER, THRUST,28.63mm ID x 43.95mm OD x 3.2mm Thk

RACE - thrust bearing

2шт.

23

A151268

SHIM

- bearing retainer, 0.003 inch (0.08 MM) (Green color code)

1шт.

23

A151269

SHIM

- bearing retainer, 0.010 inch (0.25 MM) (Brown color code)

1шт.

24

A151267

RETAINER

- bearing

1шт.

25

164-52

HEX SOC SCREW,Flat Hd, 3/8" - 16 x 1 1/4"

SCREW - flat socket head, 3/8 NC x 1-1/4 inch (Grade 8)

2шт.

30

REF

INSTRUCTION

PUMP ASSEMBLY - hydraulic (See page 8-378)

1шт.

31

A141828

GASKET

- pump mounting

1шт.

32

A160002

STUD

- pump mounting, 1/2 NC x 2-1/4 inch

2шт.

33

129-105

NUT,Hex, 1/2" - 13, Gr 5

2шт.

34

L30674

WASHER

- hardened, 17/32 x 1 x 1/8 inch (13 x 25 x 3 MM)

2шт.

35

A154247

ADHESIVE

- charge pump sealer (Prior to transmission serial no. 10236915)

1шт.

36

A154248

SPARE PART

SPRAY - adhesive hardener (Prior to transmission serial no. 10236915)

1шт.

Выбрано товаров: 36