Запчасти Case IH 2290 (8-378) - HYDRAULICS, GEAR AND PISTON PUMP ASSEMBLY, PRIOR TO TRANSMISSION SERIAL NUMBER 16210895 (08) - HYDRAULICS

Схема запчастей Case IH 2290 - (8-378) - HYDRAULICS, GEAR AND PISTON PUMP ASSEMBLY, PRIOR TO TRANSMISSION SERIAL NUMBER 16210895 (08) - HYDRAULICS
17
21
25
20
19
15
6
5
3
8
18
22
10
1
23
7
9
2
16
24
11
4
12
24
FIT
1:1
100%

Артикул

Название

Примечание

Количество

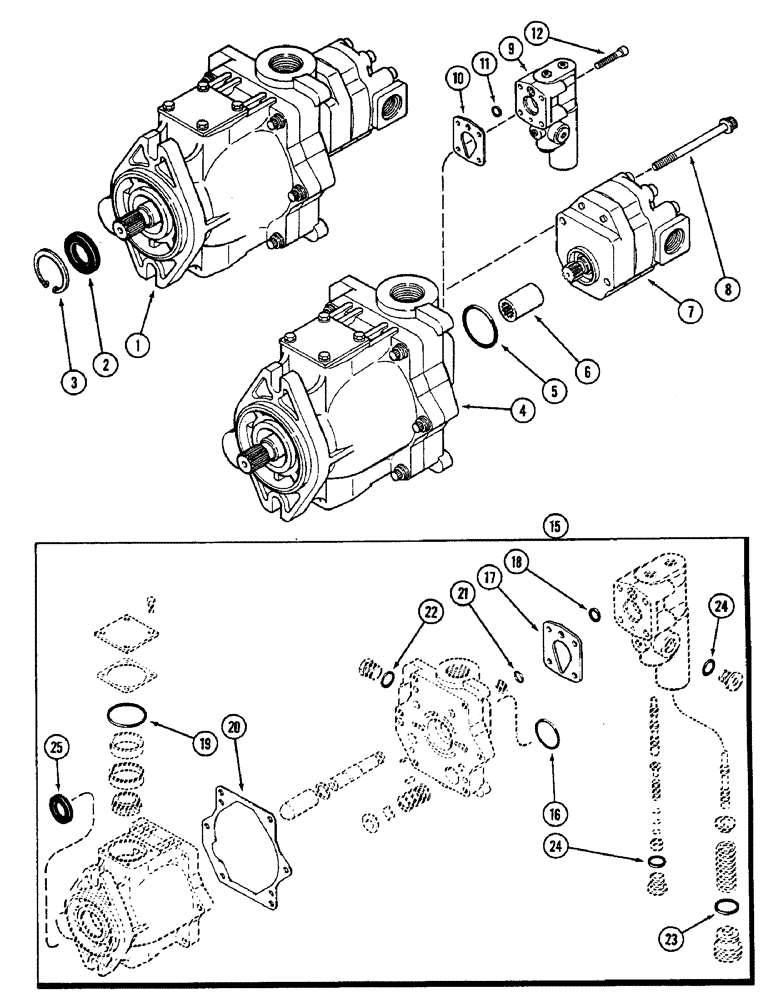
1

A163166

PUMP

ASSEMBLY - complete, hydraulic (Transmission serial no. 10265818 through 16210894)

1шт.

1346425C1

REMAN-HYD PUMP

2290 PRIOR TO TRANSMISSION SERIAL NUMBER 16210895, Hydraulic Transmission Serial no. 10265818 though 16210894 (1/79-12/83), Reman for New PN A163166

1шт.

1346426C1

CORE-HYDRAULIC PUMP

Return Number

1шт.

1

A160318

PUMP

ASSEMBLY - complete, hydraulic (Prior to transmission serial no. 10265818) (Order A163166), Includes: Ref. 2-25

1шт.

2

A47480

SEAL,25.35mm ID x 44.78mm OD x 7.57mm Thk

- oil

1шт.

Part of Seal and Gasket Kit, P/N A47567

1шт.

3

A44937

SNAP RING,#175, Ext

Ring, Snap, #175, Ext

1шт.

4

NSS

NOT SOLD SEPARAT

PUMP ASSEMBLY - piston type (See page 8-380)

1шт.

5

F98069

O-RING

- seal

1шт.

Part of Seal and Gasket Kit, P/N A47567

1шт.

6

A47312

COUPLING, BREAK AWAY

COUPLING - drive, gear pump to piston pump

1шт.

7

REF

INSTRUCTION

PUMP ASSEMBLY - gear type (See page 8-384)

1шт.

8

A47412

SCREW,M8 x 100mm

- metric, gear pump to piston pump

2шт.

9

REF

INSTRUCTION

COMPENSATOR ASSEMBLY - (See page 8-386)

1шт.

10

A47328

GASKET

-, Serial Range: compensator-pump

1шт.

Part of Seal and Gasket Kit, P/N A47567

1шт.

11

A138385

O-RING,0.07" Thk x 0.301" ID, -11, Cl 6, 90 Duro

- compensator

1шт.

Part of Seal and Gasket Kit, P/N A47567

1шт.

12

165-26

HEX SOC SCREW,#10 - 24 x 1 1/4"

SCREW - socket head, no. 10-24 x 1-1/4 inch

4шт.

15

A47567

KIT

- seal and gasket, complete pump, Includes: ref. nos. 2, 5, 10 and 11, on pages 8-378 through 8-386) (Replaces A47341), Includes: Ref. 16-25

1шт.

16

F98069

O-RING

- gear pump to piston pump

1шт.

17

A47328

GASKET

-, Serial Range: compensator-pump

1шт.

18

A138385

O-RING,0.07" Thk x 0.301" ID, -11, Cl 6, 90 Duro

- compensator

1шт.

19

S5730

O-RING,0.103" Thk x 2.05" ID, -137, Cl 5, 75 Duro

- yoke cover, piston pump

2шт.

20

A47280

GASKET,0.53mm Thk

- cylinder block to body, piston pump

1шт.

21

H756783

O-RING,0.103" Thk x 0.487" ID, -112, Cl 6, 90 Duro

- 1/2 x 11/16 x 3/32 inch (13 x 17 x 2 MM)

1шт.

22

237-6010

O-RING,0.097" Thk x 0.755" ID, -910, Cl 6, 90 Duro

- 3/4 x 61/64 x 3/32 inch (19 x 24 x 2 MM)

1шт.

23

A65918

O-RING,0.551" ID x 0.691" OD

- 9/16 x 11/16 x 1/16 inch (14 x 17 x 2 MM)

1шт.

24

218-5003

O-RING,0.072" Thk x 0.351" ID, -904, Cl 6, 90 Duro

- 11/32 x 1/2 x 5/64 inch (9 x 13 x 2 MM)

2шт.

25

A47480

SEAL,25.35mm ID x 44.78mm OD x 7.57mm Thk

- oil

1шт.

Выбрано товаров: 0