Запчасти Case IH 2290 (8-382) - HYDRAULICS, GEAR AND PISTON PUMP ASSEMBLY, PRIOR TO TRANSMISSION SERIAL NUMBER 16210895 (08) - HYDRAULICS

Схема запчастей Case IH 2290 - (8-382) - HYDRAULICS, GEAR AND PISTON PUMP ASSEMBLY, PRIOR TO TRANSMISSION SERIAL NUMBER 16210895 (08) - HYDRAULICS
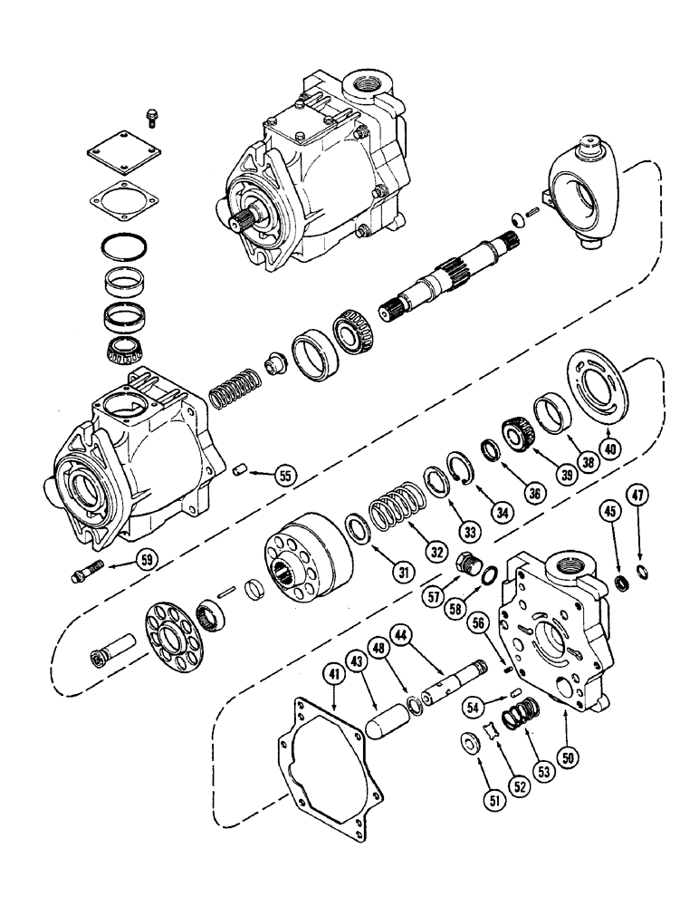
32
58
34
31
51
41
43
44
40
45
33
59
52
53
54
38
55
56
36
39
50
57
48
47
FIT
1:1
100%

Артикул

Название

Примечание

Количество

A163166

PUMP

ASSEMBLY - complete, hydraulic (Transmission serial no. 10265818 through 16210894) (Continued from Figure 8-380)

1шт.

1346425C1

REMAN-HYD PUMP

2290 PRIOR TO TRANSMISSION SERIAL NUMBER 16210895, Hydraulic Transmission Serial no. 10265818 though 16210894 (1/79-12/83), Reman for New PN A163166

1шт.

1346426C1

CORE-HYDRAULIC PUMP

Return Number

1шт.

A160318

PUMP

ASSEMBLY - gear and piston (Prior to transmission serial no. 10265818) (Order A163166), Includes: Ref. 31-59, and Kits

1шт.

31

A47299

WASHER

- spring, front

1шт.

32

A47298

SPRING

- cylinder block

1шт.

33

A47300

SPRING WASHER

WASHER - spring, rear

1шт.

34

NLS

NO LONGER SERVICED

Ring, Snap, , cylinder block 1.625", Int, #162

1шт.

A47303

KIT

- spacer, rear bearing, Includes: Ref. 36

1шт.

36

NSS

NOT SOLD SEPARAT

SPACER - 0.139 inch (3.53 MM)

1шт.

36

NSS

NOT SOLD SEPARAT

SPACER - 0.142 inch (3.61 MM)

1шт.

36

NSS

NOT SOLD SEPARAT

SPACER - 0.145 inch (3.68 MM)

1шт.

36

NSS

NOT SOLD SEPARAT

SPACER - 0.148 inch (3.76 MM)

1шт.

36

NSS

NOT SOLD SEPARAT

SPACER - 0.151 inch (3.84 MM)

1шт.

36

NSS

NOT SOLD SEPARAT

SPACER - 0.154 inch (3.91 MM)

1шт.

36

NSS

NOT SOLD SEPARAT

SPACER - 0.157 inch (3.99 MM)

1шт.

36

NSS

NOT SOLD SEPARAT

SPACER - 0.160 inch (4.06 MM)

1шт.

36

NSS

NOT SOLD SEPARAT

SPACER - 0.163 inch (4.14 MM)

1шт.

36

NSS

NOT SOLD SEPARAT

SPACER - 0.166 inch (4.22 MM)

1шт.

36

NSS

NOT SOLD SEPARAT

SPACER - 0.169 inch (4.29 MM)

1шт.

38

FB14849

BEARING CUP

- bearing, 1-31/32 inch OD (50 MM)

1шт.

39

FB14850

ROLLER BEARING

CONE - bearing, 27/32 inch ID (21 MM)

1шт.

40

A47302

PLATE

- wafer

1шт.

41

A47280

GASKET,0.53mm Thk

- body

1шт.

Part of Seal and Gasket Kit, P/N A47567

1шт.

A47305

KIT

- piston rod, Includes: Ref. 43, 44, 45

1шт.

43

NSS

NOT SOLD SEPARAT

PISTON

1шт.

44

NSS

NOT SOLD SEPARAT

ROD

1шт.

45

A47340

RING

- snap, piston rod

1шт.

47

H756783

O-RING,0.103" Thk x 0.487" ID, -112, Cl 6, 90 Duro

- 1/2 x 11/16 x 3/32 inch (13 x 17 x 2 MM)

1шт.

48

A47479

BUSHING

SPACER - piston limit

1шт.

50

A47304

BLOCK

- valve

1шт.

51

A47306

PLUG

SEAT - valve block

1шт.

52

A47307

VALVE

- check

1шт.

53

A47308

SPRING

- valve block

1шт.

54

A47309

PIN

- headless, 1/4 x 1/2 inch

1шт.

55

A47301

PIN

- housing to valve body

2шт.

56

221-1849

PLUG

- pipe, 1/8-27 inch

1шт.

57

86512512

PLUG,7/8" - 14 ORB

Valve body Hex Hd, 7/8"-14 ORB

1шт.

58

237-6010

O-RING,0.097" Thk x 0.755" ID, -910, Cl 6, 90 Duro

- plug 3/4 x 61/64 x 3/32 inch (19 x 24 x 2 MM)

1шт.

Part of Seal and Gasket Kit, P/N A47567

1шт.

59

166-47

12 PT SCREW,Flg, 3/8" - 16 x 1 1/2", Gr 8

SCREW - 12 point head, 3/8 NC x 1-1/2 inch

6шт.

A47567

KIT

- seal and gasket, Includes: ref. nos. 41, 47 and 58, See Figure 8-378)

1шт.

Выбрано товаров: 43