Запчасти Case IH 2290 (8-394) - HYDRAULICS, GEAR AND PISTON PUMP ASSEMBLY, TRANSMISSION SERIAL NUMBER 16210895 AND AFTER (08) - HYDRAULICS

Схема запчастей Case IH 2290 - (8-394) - HYDRAULICS, GEAR AND PISTON PUMP ASSEMBLY, TRANSMISSION SERIAL NUMBER 16210895 AND AFTER (08) - HYDRAULICS
14
7
2
9
5
20
1
10
17
13
15
3
21
8
5
4
11
6
16
FIT
1:1
100%

Артикул

Название

Примечание

Количество

A166504

PUMP

ASSEMBLY - complete, hydraulic (Continued from Figure 8-392), Includes: Ref. 1-21 and Kit

1шт.

1346425C1

REMAN-HYD PUMP

2290 SERIAL NUMBER 16210895 AND AFTER (1/79-12/83)

1шт.

1346426C1

CORE-HYDRAULIC PUMP

Return Number

1шт.

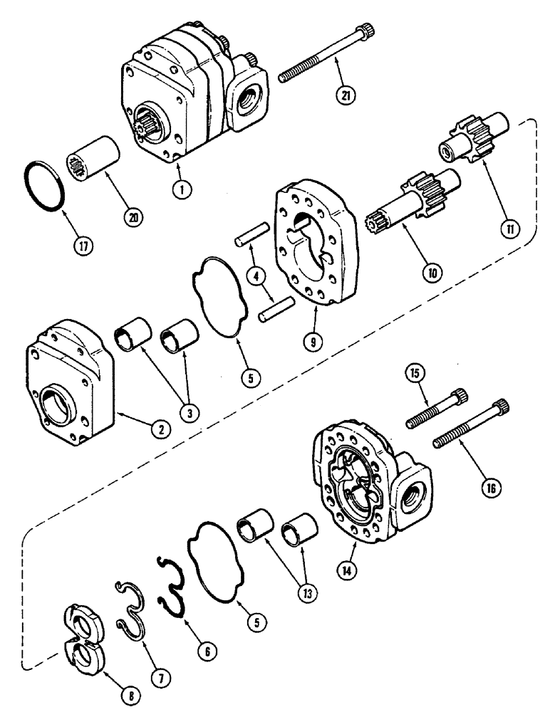
1

A47928

PUMP

ASSEMBLY - gear, Includes: Ref. 1-17

1шт.

84372945R

REMAN-HYD PUMP

2290 TRANSMISSION SERIAL NUMBER 16210895 AND AFTER (1/79-12/83), Reman for New PN A47928

1шт.

84372945C

CORE-HYDRAULIC PUMP

Return Number

1шт.

2

NSS

NOT SOLD SEPARAT

COVER - front

1шт.

3

NSS

NOT SOLD SEPARAT

BUSHING - front cover

2шт.

4

NSS

NOT SOLD SEPARAT

DOWELS - body locating

2шт.

5

NSS

NOT SOLD SEPARAT

SEAL - front and rear cover

2шт.

6

NSS

NOT SOLD SEPARAT

SEAL - rubber

1шт.

7

NSS

NOT SOLD SEPARAT

SEAL - teflon

1шт.

8

NSS

NOT SOLD SEPARAT

PLATE - wear

1шт.

9

NSS

NOT SOLD SEPARAT

BODY - pump

1шт.

10

NSS

NOT SOLD SEPARAT

GEAR - drive

1шт.

11

NSS

NOT SOLD SEPARAT

GEAR - idler

1шт.

13

NSS

NOT SOLD SEPARAT

BUSHING - rear cover

2шт.

14

NSS

NOT SOLD SEPARAT

COVER - rear

1шт.

15

NSS

NOT SOLD SEPARAT

SCREW - short

6шт.

16

NSS

NOT SOLD SEPARAT

SCREW - long

4шт.

17

F98069

O-RING

- gear pump

1шт.

A47643

SEAL

KIT - seal, gear pump

1шт.

20

A47312

COUPLING, BREAK AWAY

COUPLING - gear pump to valve block

1шт.

21

A47412

SCREW,M8 x 100mm

- Ferry cap, M8 x 100 MM

2шт.

Выбрано товаров: 0