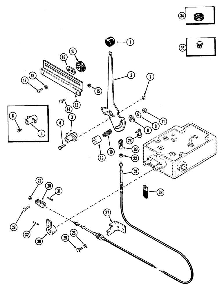
Запчасти Case IH 2290 (8-456) - HITCH DEPTH CONTROL LINKAGE (08) - HYDRAULICS

Схема запчастей Case IH 2290 - (8-456) - HITCH DEPTH CONTROL LINKAGE (08) - HYDRAULICS
14
11
16
10
35
1
8
30
15
21
26
23
2
31
3
5
17
29
9
33
27
12
18
22
34
4
22
7
19
6
20
28
25
32
13
FIT
1:1
100%

Артикул

Название

Примечание

Количество

1

A139945

KNOB

- hand lever

1шт.

2

A141390

LEVER

- hand

1шт.

3

A160500

BUSHING,15.95mm ID x 25.4mm OD x 55.37mm L

BEARING - lever pivot (Replaces A141371)

1шт.

4

113-3

BOLT,Hex, 1/4" - 20 x 3/4", Gr 5

(Used with A160500 bearing) Hex, 1/4"-20 x 3/4", G5, Full Thd

2шт.

5

A141371

BEARING

- lever (Order A160500)

1шт.

6

113-2

BOLT,Hex, 1/4" - 20 x 5/8", Gr 5

(Used with A141371 bearing) Hex, 1/4"-20 x 5/8", G5, Full Thd

2шт.

7

131-1180

LOCK NUT,1/4"-20, GA

NUT, LOCK, 1/4"-20, GA

2шт.

8

A61069

DISC

- friction

1шт.

9

195-2172

WASHER,7/16" x 1 1/4" x .083"

- 7/16 x 1-1/4 x 5/64 inch (11 x 32 x 2 MM)

1шт.

10

A65583

SPRING

- friction disc

1шт.

11

131-1306

JAM NUT,Jam, 3/8"-16

NUT - hex jam, 3/8 inch NC

1шт.

12

A160623

BUSHING

SPACER - lever

1шт.

13

A141539

SUPPORT

QUADRANT - hand lever

1шт.

14

113-101

BOLT,Hex, 5/16" - 18 x 1-1/2", Gr 5

2шт.

15

9635082

NUT,5/16" - 18, Gr 5

2шт.

16

G15950

STOP

- hand lever, quadrant

1шт.

17

A143181

NUT

KNOB - adjusting, quadrant stop

2шт.

18

192-23

LOCK WASHER,1/2"

WASHER, LOCK, 1/2"

1шт.

19

111-360

CARRIAGE BOLT,Short NK, 3/8"-16 x 3/4", G5

BOLT, CARRIAGE, Short NK, 3/8"-16 x 3/4", G5

2шт.

20

213-1

ADJUSTABLE CLEVIS,#10-32

YOKE - cable to hand lever

1шт.

21

A67299

CABLE

- control, hand, Serial Range: lever-valve

1шт.

22

193-1000

NUT,Keps, w/LW,#10-32

- Keps, no. 10 NF

2шт.

23

A149683

PIN

- spring, yoke to hand lever

1шт.

25

113-102

BOLT,Hex, 5/16" - 18 x 3/4", Gr 5

Hex, 5/16"-18 x 3/4", G5, Full Thd

2шт.

26

92-5

LOCK WASHER,5/16"

2шт.

27

A160811

BRACKET

- control cables (Replaces A160639)

1шт.

28

A65265

YOKE

- cable to valve lever

1шт.

29

141-51

CLEVIS PIN,3/16" x .580"

PIN - yoke, 3/16 inch

1шт.

30

A63037

LEVER

- control valve

1шт.

31

132-329

COTTER PIN,1/16" x 3/4"

1/16" x 3/4"

1шт.

32

138-99

LOCK PIN,3/16" x 1 3/8", Slotted

PIN, 3/16" x 1 3/8", Slotted

1шт.

33

A37179

CLIP

-, Serial Range: cable-transmission

1шт.

34

A141389

GROMMET

- cable

1шт.

35

A67295

PLUG

- cable, 9/16 inch diameter head (14 MM)

1шт.

35

A162961

PLUG

- cable, 3/4 inch diameter head (19 MM)

1шт.

Выбрано товаров: 35