Запчасти Case IH 2290 (9-516) - SWIVEL SEAT ASSEMBLY, SUSPENSION PARTS, LATE PRODUCTION (09) - CHASSIS/ATTACHMENTS

Схема запчастей Case IH 2290 - (9-516) - SWIVEL SEAT ASSEMBLY, SUSPENSION PARTS, LATE PRODUCTION (09) - CHASSIS/ATTACHMENTS
16
33
15
7
34
36
22
37
8
1
50
28
17
23
34
5
51
34
3
5
20
27
17
19
32
29
21
17
24
11
6
18
2
35
10
20
34
38
52
30
4
FIT
1:1
100%

Артикул

Название

Примечание

Количество

A161408

SEAT

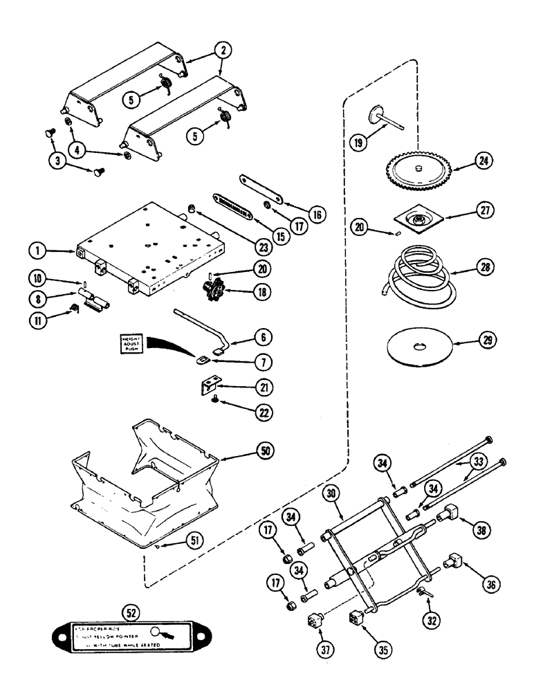
AND SUSPENSION ASSEMBLY - (Continued from Figure 9-514), Includes: Ref. 1-52

1шт.

1

A47761

PLATE

- upper, suspension assembly

1шт.

2

A47379

LINK

- cross, seat mounting

2шт.

3

A45473

STEP BOLT

BOLT - shoulder, 1/2 inch NC

4шт.

4

193-77

LOCK WASHER,Int Tooth, 1/2"

WASHER, LOCK, Int Tooth, 1/2"

4шт.

5

A47384

SPRING

- torsion

2шт.

6

A47764

LEVER

- height adjusting

1шт.

7

A47767

CAP

- lever

1шт.

8

A47381

LATCH

- height adjusting

1шт.

10

138-2070

PIN,5/32" x 3/4", Coiled

1шт.

11

A47382

SPRING

- latch return

1шт.

15

A47383

LINK

- notched, right side

1шт.

16

A45474

LINK

- plain, left side

1шт.

17

131-1402

THIN NUT,1/2"-13, GB, Thin

NUT, LOCK, , Fastener 1/2"-13, GB, Thin

6шт.

18

A47763

KNOB

ASSEMBLY - weight adjusting

1шт.

19

A45513

GEAR

- weight adjusting spinner

1шт.

20

138-2024

PIN,5/32" x 1", Coiled

2шт.

21

A45531

BRACKET

- shaft

1шт.

22

411-48

CARRIAGE BOLT,Sq Nk, 1/4" - 20 x 1/2", Gr 2

BOLT - round head square neck, 1/4 NC x 1/2 inch (Grade 2)

2шт.

23

131-1351

FLANGE NUT,Flg, 1/4"-20

NUT, LOCK, Flg, 1/4"-20

2шт.

24

A45505

GEAR

- weight adjusting

1шт.

27

A45504

SPRING WASHER

- spring

1шт.

28

A45497

SPRING

- conical, weight suspension

1шт.

29

A45530

PAD

- spring

1шт.

30

A47759

ARM

ASSEMBLY - weight suspension

1шт.

32

A47070

INDICATOR

- ride adjustment

1шт.

33

A47762

SHAFT

- bearing

2шт.

34

A47760

BUSHING

TUBE - bearing

4шт.

35

A45512

BLOCK

- slider, 1-3/16 inch (30 MM)

1шт.

36

A45516

BLOCK

- slider, 2-3/16 inch (56 MM)

1шт.

37

A45515

BLOCK

- slider, 1-9/16 inch (40 MM)

1шт.

38

A45517

BLOCK

- slider, 2-9/16 inch (65 MM)

1шт.

50

A47359

BOOT

COVER - suspension

1шт.

51

151-705

CLIP,Rd 1/2" Hd, 1/4" Hole

- cover fastener, 1/4 inch

23шт.

52

A47778

DECAL

- ride adjusting

1шт.

Выбрано товаров: 35