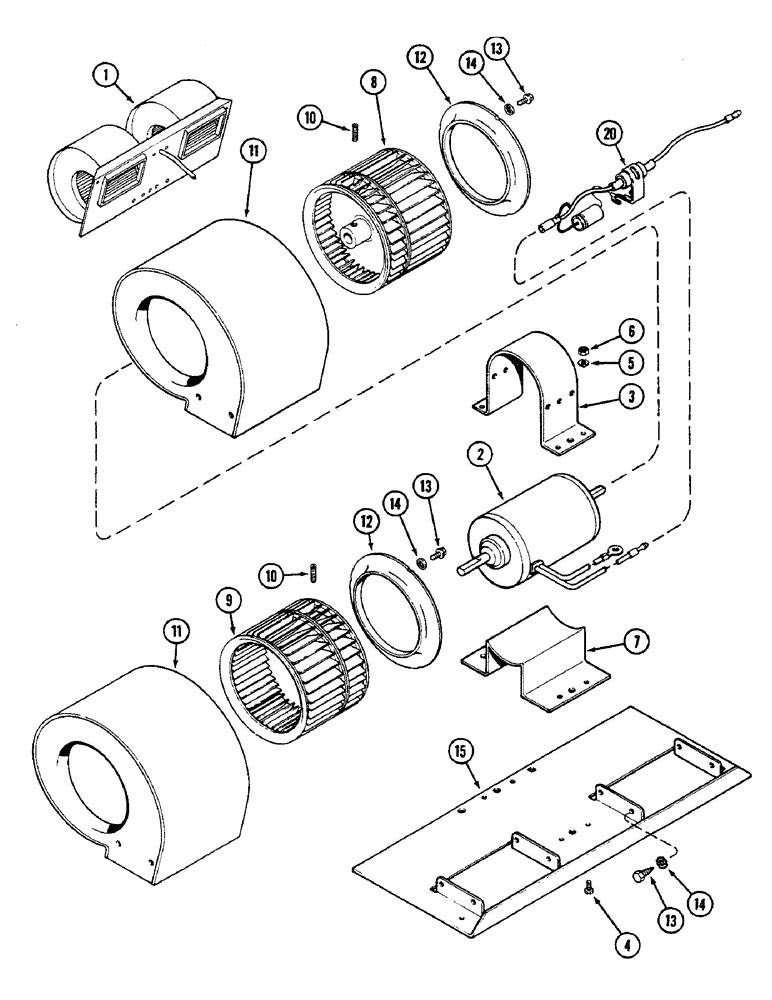
Запчасти Case IH 2290 (9-582) - CAB, BLOWER ASSEMBLY, PRIOR TO CAB SERIAL NUMBER 12047878 (09) - CHASSIS/ATTACHMENTS

Схема запчастей Case IH 2290 - (9-582) - CAB, BLOWER ASSEMBLY, PRIOR TO CAB SERIAL NUMBER 12047878 (09) - CHASSIS/ATTACHMENTS
13
14
12
13
15
10
12
11
4
10
14
6
8
2
9
5
13
11
1
7
20
14
3
FIT
1:1
100%

Артикул

Название

Примечание

Количество

1

NSS

NOT SOLD SEPARAT

BLOWER ASSEMBLY - cab air (Order components), Includes: Ref. 2-15

1шт.

2

F89388

MOTOR, ELECTRIC

MOTOR - blower (Order F45196)

1шт.

3

F63438

CLAMP

- motor

1шт.

4

182-516

SCREW,Sl Pan Hd, #10 - 24 x 1/2"

- pan head, no. 10-24 x 1/2 inch

4шт.

5

192-18

LOCK WASHER,Helical Spring, #10, 0.196" ID, CST, ZND

WASHER, LOCK, #10

4шт.

6

129-17

NUT,Hex, #10 - 24

NUT - hex, no. 10-24

4шт.

7

F63439

MOUNTING PARTS

MOUNT - motor

1шт.

8

A42568

WHEEL

FAN - blower, left

1шт.

9

A42569

BLOWER,Fan, RH

FAN - blower, right

1шт.

10

84-410

SET SCREW,Hex Soc, 1/4"-28 x 5/8"

SCREW - headless cup point, 1/4 NF x 5/8 inch NF

2шт.

11

F89797

HOUSING

- blower

2шт.

12

F63655

RETAINER

EYE - inlet

2шт.

13

187-1088

SELF-TAP SCREW,Hex Wash Hd, #10 x 1/2"

SCREW - washer head, self tapping, no. 10-16 x 1/2 inch

12шт.

14

193-6

LOCK WASHER,Ext Tooth, #10

WASHER, LOCK, Ext Tooth, #10

12шт.

15

F63616

BASE

- mounting

1шт.

20

F64184

CAPACITOR

SUPPRESSOR - noise

1шт.

Выбрано товаров: 16