Запчасти Case IH 2290 (9-600) - CAB, WINDSHIELD WIPER, PRIOR TO CAB SERIAL NUMBER 12022944 (09) - CHASSIS/ATTACHMENTS

Схема запчастей Case IH 2290 - (9-600) - CAB, WINDSHIELD WIPER, PRIOR TO CAB SERIAL NUMBER 12022944 (09) - CHASSIS/ATTACHMENTS
13
14
28
11
16
4
20
5
25
1
9
19
7
17
6
8
2
27
15
21
12
26
3
10
FIT
1:1
100%

Артикул

Название

Примечание

Количество

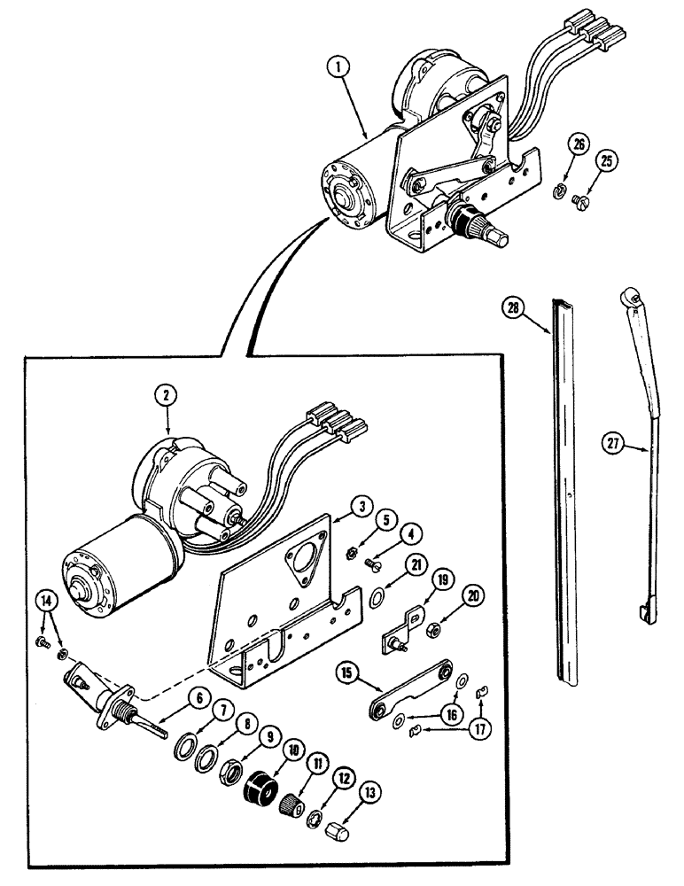
1

F98108

WIPER

ASSEMBLY - windshield (Order F96764 and F64530, Figure: 9-602), Includes: Ref. 2-21

1шт.

2

NSS

NOT SOLD SEPARAT

MOTOR - wiper (Order F96764 and F64530)

1шт.

3

NSS

NOT SOLD SEPARAT

BRACKET - (Order F96764 and F64530)

1шт.

4

174-214

SCREW,Sl Rnd Hd, 1/4" - 28 x 5/8"

- round head, 1/4 NF x 5/8 inch

3шт.

5

193-57

LOCK WASHER,Ext Tooth, 1/4"

WASHER, LOCK, Ext Tooth, 1/4"

3шт.

D71415

SHAFT

ASSEMBLY - wiper arm, Includes: Ref. 6-13

1шт.

6

NSS

NOT SOLD SEPARAT

SHAFT AND PIVOT - (Order D71415)

1шт.

7

D71417

SPECIAL WASHER

WASHER - fiber

1шт.

8

D71418

WASHER

- steel

1шт.

9

D71419

NUT

- shaft

1шт.

10

D71420

CAP

BOOT - rubber

1шт.

11

D71421

TOOL

DRIVER - knurled, wiper arm

1шт.

12

193-87

LOCK WASHER,Ext-Int Tooth, 1/2"

WASHER - internal Shakeproof, 5/16 inch

1шт.

13

D71422

NUT

- arm fastener

1шт.

14

D71416

SCREW

- shaft assembly, round head (Includes washer) (No. 10-32 x 5/16 inch)

2шт.

15

D71427

LINK,85.85mm L

- motor to shaft pivot

1шт.

16

A22431

WASHER

- link clip

2шт.

17

D71414

CLIP

- link to drive arm and shaft

2шт.

19

F64210

LEVER

ARM - drive

1шт.

20

F44452

LOCK NUT

- lock, arm to motor shaft

1шт.

21

D71411

WASHER

- spring

1шт.

25

182-548

SCREW,Slotted Pan Hd, 1/4"-28 x 3/8"

- mounting, pan head slotted, 1/4 NF x 3/8 inch

2шт.

26

192-19

LOCK WASHER,Helical Spring, 0.256" ID, CST, ZND

WASHER, LOCK, 1/4"

2шт.

27

A165060

WIPER ARM

ARM - wiper blade, 18 inch (457 MM) (Black) (Replaces F43789)

1шт.

28

A165059

WIPER

BLADE - wiper, 20 inch (508 MM) (Black) (Replaces L35261)

1шт.

Выбрано товаров: 25