Запчасти Case IH 2290 (9-610) - AIR CONDITIONING, COMPRESSOR MOUNTING AND DRIVE (09) - CHASSIS/ATTACHMENTS

Схема запчастей Case IH 2290 - (9-610) - AIR CONDITIONING, COMPRESSOR MOUNTING AND DRIVE (09) - CHASSIS/ATTACHMENTS
23
4
27
1
22
2
16
7
19
21
11
15
12
14
20
18
24
26
25
6
8
5
17
13
11
3
9
10
FIT
1:1
100%

Артикул

Название

Примечание

Количество

1

REF

INSTRUCTION

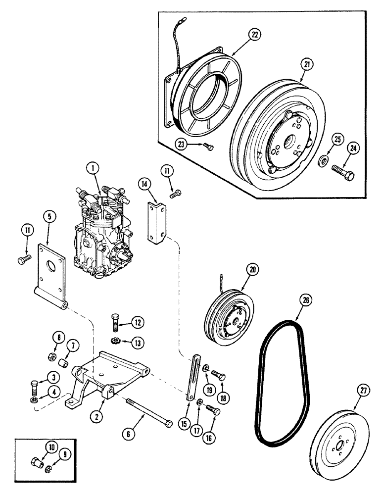
COMPRESSOR - air conditioning (See Figure 9-614)

1шт.

2

A161525

SUPPORT

- compressor tilt mount (P.I.N. 9906496 and after)

1шт.

2

A145507

BRACKET

SUPPORT - compressor tilt mount (Prior to P.I.N. 9906496) (See note)

1шт.

3

13-822

BOLT,Hex, 1/2" - 13 x 1-3/8", Gr 5, Full Thd

2шт.

4

192-23

LOCK WASHER,1/2"

WASHER, LOCK, 1/2"

2шт.

5

A137006

SUPPORT

- compressor tilt (Prior to P.I.N. 9906496)

1шт.

5

A161611

SUPPORT

- compressor tilt (P.I.N. 9906496 and after)

1шт.

6

26-7104

BOLT,Hex, 7/16" - 14 x 6-1/2", Gr 8

- hex, 7/16 NC x 7 inch (Grade 8) (Prior to P.I.N. 9906496)

1шт.

6

113-2420

BOLT,Hex, 1/2" - 13 x 7-1/2", Gr 5

- hex, 1/2 NC x 7-1/2 inch (P.I.N. 9904696 and after)

1шт.

7

A161610

SPACER

- 1/2 x 3/4 x 1-1/4 inch (13 x 19 x 32 MM) (P.I.N. 9906496 and after)

1шт.

8

131-1182

LOCK NUT,1/2"-13, GA

NUT - hex lock, 1/2 inch NC

1шт.

9

192-22

LOCK WASHER,7/16"

WASHER, LOCK, (Prior to P.I.N. 9906496) 7/16"

1шт.

10

A149191

NUT

- special, 7/16 inch NC (Prior to P.I.N. 9906496)

1шт.

11

121-228

SERRATED BOLT,Hex, 3/8" - 16 x 3/4"

6шт.

12

113-209

BOLT,Hex, 3/8" - 16 x 1-1/2", Gr 5

2шт.

13

193-110

LOCK WASHER,Ext Tooth, 3/8"

WASHER - external Shakeproof, 3/8 inch

2шт.

14

A162406

ANGLE

- tilt mount adjusting (Replaces A145520)

1шт.

15

A145521

STRAP

- tilt mount adjusting

1шт.

16

113-207

BOLT,Hex, 3/8" - 16 x 1", Gr 5

1шт.

17

192-21

LOCK WASHER,3/8"

WASHER, LOCK, 3/8"

1шт.

18

113-103

BOLT,Hex, 5/16" - 18 x 1", Gr 5

1шт.

19

195-103

WASHER,5/16"

- 3/8 x 7/8 x 3/32 inch (10 x 22 x 2 MM)

1шт.

20

A162008

CLUTCH

ASSEMBLY - compressor (Warner Electric no. I-1411-45B), Includes: Ref. 21-25, and Bearing

1шт.

21

NSS

NOT SOLD SEPARAT

PULLEY - rotor

1шт.

22

NSS

NOT SOLD SEPARAT

FIELD - pulley

1шт.

23

NSS

NOT SOLD SEPARAT

BOLT - self locking hex head, 1/4 NC x 1/2 inch

4шт.

24

NSS

NOT SOLD SEPARAT

BOLT - hex, 5/16 NF x 1-1/4 inch

1шт.

25

NSS

NOT SOLD SEPARAT

SPACER - clutch attachment bolt, 3/4 OD x 1/8 inch thick

1шт.

A48399

BALL BEARING,1.1812" ID x 2.4411" OD x 1.0515"

BEARING - clutch (Not shown)

1шт.

26

51200857

BELT,0.53" W x 44.55" L

Compressor drive 0.53" W x 44.55" L

1шт.

27

A145140

PULLEY

- compressor drive (On water pump)

1шт.

Выбрано товаров: 31