Запчасти Case IH 2290 (9-612) - AIR CONDITIONING, CONDENSER AND RECEIVER-DRIER (09) - CHASSIS/ATTACHMENTS

Схема запчастей Case IH 2290 - (9-612) - AIR CONDITIONING, CONDENSER AND RECEIVER-DRIER (09) - CHASSIS/ATTACHMENTS
25
23
16
11
30
5
14
20
8
29
12
10
12
6
24
26
1
15
13
9
17
21
31
14
28
7
3
22
27
4
2
FIT
1:1
100%

Артикул

Название

Примечание

Количество

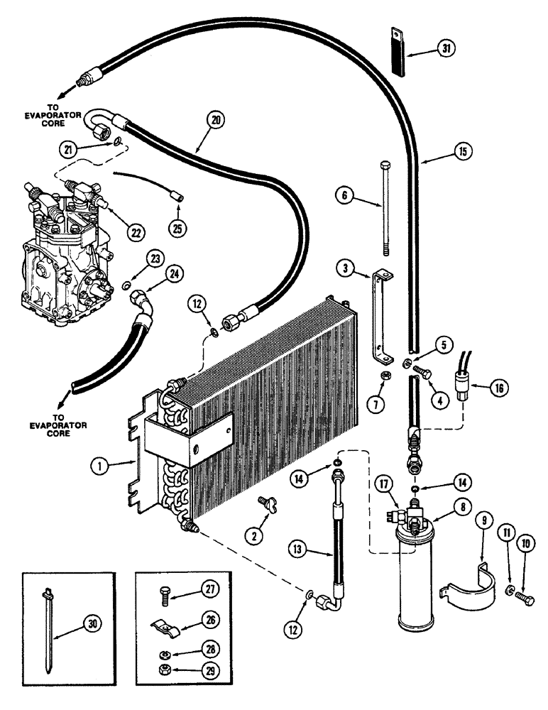
1

A145899

COIL

- condenser

1шт.

2

A141485

THUMB SCREW,5/16" - 18 x 5/8"

- thumb, 5/16 x 5/8 inch

2шт.

3

A141489

SUPPORT

BRACKET - condenser pivot

1шт.

4

113-118

BOLT,Hex, 5/16" - 18 x 5/8", Gr 5

2шт.

5

192-20

LOCK WASHER,Helical Spring, 0.318" ID, CST, ZND

WASHER, LOCK, 5/16"

2шт.

6

17-4136

BOLT,Sq Hd, 1/4" - 20 x 8 1/2", Gr 2

- square head, 1/4 NC x 8-1/2 inch (Grade 2)

1шт.

7

131-1180

LOCK NUT,1/4"-20, GA

NUT, LOCK, 1/4"-20, GA

1шт.

8

A76312

RECEIVER-DRYER

RECEIVER-DRIER

1шт.

9

A61193

CLAMP

-, Serial Range: drier-coil

1шт.

10

113-102

BOLT,Hex, 5/16" - 18 x 3/4", Gr 5

Hex, 5/16"-18 x 3/4", G5, Full Thd

1шт.

11

192-20

LOCK WASHER,Helical Spring, 0.318" ID, CST, ZND

WASHER, LOCK, 5/16"

1шт.

12

222-993

GASKET,3/8 Tube, Fl, Copper

2шт.

13

A145911

A/C HOSE

-, Serial Range: condenser-receiver-drier

1шт.

14

A61198

O-RING,0.07" Thk x 0.301" ID, -11

- 5/16 x 7/16 x 1/16 inch (8 x 11 x 2 MM)

2шт.

15

A145898

HOSE

- cab to receiver-drier (37")

1шт.

16

A65779

SWITCH

- high pressure cut out

1шт.

17

A47717

SWITCH

- low pressure

1шт.

20

A145910

HOSE

-, Serial Range: condenser-compressor

1шт.

21

222-994

GASKET,1/2 Tube, Fl, Copper

- copper, 1/2 inch tube x 45 degree flare

1шт.

22

A145699

VALVE

- rotolock, discharge

1шт.

23

222-995

SEALING WASHER,15.88mm ID

- copper, 5/8 inch tube x 45 degree flare

1шт.

24

F64305

HOSE

- cab to compressor (153" 1/2" I.D.)

1шт.

25

A61755

ELECTRICAL WIRE

WIRE - high pressure switch to clutch, 36 inch (914 MM)

1шт.

26

A63323

CLAMP

- hose

1шт.

27

113-104

BOLT,Hex, 5/16" - 18 x 1-1/4", Gr 5

1шт.

28

192-20

LOCK WASHER,Helical Spring, 0.318" ID, CST, ZND

WASHER, LOCK, 5/16"

1шт.

29

425-145

JAM NUT,Jam, 5/16"-18, G5

1шт.

30

L18337

CABLE TIE,9.95"-12.1" lg

STRAP - tie, 15 inch, nylon

2шт.

31

A149624

CLIP

-, Serial Range: hoses-manifold

3шт.

Выбрано товаров: 29