Запчасти Case IH 2290 (2-040) - CRANKSHAFT AND FLYWHEEL, 504BDT DIESEL ENGINE (02) - ENGINE

Схема запчастей Case IH 2290 - (2-040) - CRANKSHAFT AND FLYWHEEL, 504BDT DIESEL ENGINE (02) - ENGINE
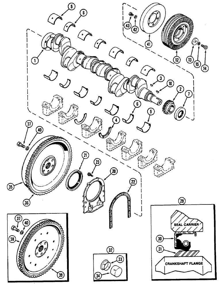
36
5
35
32
7
42
41
12
6
3
2
10
29
37
31
40
43
33
5
20
38
37
4
1
40
14
13
22
34
21
6
23
15
30
39
FIT
1:1
100%

Артикул

Название

Примечание

Количество

1

A154305

CRANKSHAFT

ASSEMBLY - engine, standard (Includes ref 2 and 3) (Replaces A136106)

1шт.

1

A166117

CRANKSHAFT

ASSEMBLY - engine, 0.010 inch undersize (0.254 MM), Includes: Ref. 2, 3

1шт.

2

A66404

GEAR

- crankshaft, front

1шт.

3

126-129

WOODRUFF KEY,#C, 5/16" x 1 1/8", HT

Gear #C, 5/16" x 1 1/8", HT

1шт.

4

A62573

THRUST WASHER,88.06mm ID x 114.3mm OD x 4.7mm Thk

WASHER - thrust, crankshaft (Standard) 0.185 inch thick (4.70 MM)

2шт.

4

A42932

BEARING WASHER,87.81mm ID x 114.55mm OD x 4.88mm Thk

WASHER - thrust, crankshaft (Oversize) 0.191 inch thick (4.85 MM)

2шт.

5

A43163

BEARING LINER

LINER - main bearing, wide (Standard) (Set of 2)

4шт.

5

A43164

BEARING LINER

LINER - mian bearing, wide, 0.002 inch undersize (0.05 MM) (Set of 2)

4шт.

5

A43165

BEARING LINER

LINER - main bearing, wide, 0.010 inch undersize (0.25 MM) (Set of 2)

4шт.

5

A43166

BEARING LINER

LINER - main bearing, wide, 0.020 inch undersize (0.50 MM) (Set of 2)

4шт.

5

A43167

BEARING LINER

LINER - main bearing, wide, 0.300 inch undersize (0.76 MM) (Set of 2)

4шт.

6

A43158

BEARING LINER

LINER - main bearing, narrow (Standard) (Set of 2)

3шт.

6

A43159

BEARING LINER

LINER - main bearing, narrow, 0.002 inch undersize (0.05 MM) (Set of 2)

3шт.

6

A43160

BEARING LINER

LINER - main bearing, narrow, 0.010 inch undersize (0.25 MM) (Set of 2)

3шт.

6

A43161

BEARING SET

LINER - main bearing, narrow, 0.020 inch undersize (0.50 MM) (Set of 2)

3шт.

6

A43162

BEARING LINER

LINER - main bearing, narrow, 0.030 inch undersize (0.76 MM) (Set of 2)

3шт.

REF 6 THE SERIAL NUMBER BREAK WAS WHERE CASE CHANGED FROM A 2 GROOVE SLEEVE TO A THREE GROOVE SLEEVE. PARTS WILL WORK FOR THE BELOW S/N AS WELL. PER ROGER KUNKEE

1шт.

7

A157044

OIL SEAL,63.78mm ID x 92.2mm OD x 9.91mm Thk

- oil, crankshaft front (Replaces A62049)

1шт.

10

126-129

WOODRUFF KEY,#C, 5/16" x 1 1/8", HT

Pulley #C, 5/16" x 1 1/8", HT

1шт.

12

A65125

PULLEY

- fan drive

1шт.

13

A156428

WASHER

- drive pulley

1шт.

14

114-613

BOLT,Hex, 5/8" - 18 x 1-1/2", Gr 5

SCREW - drive pulley

1шт.

15

192-25

LOCK WASHER,5/8"

WASHER, LOCK, 5/8"

1шт.

20

A57457

RETAINER

- crankshaft rear oil seal

1шт.

21

A62050

OIL SEAL

- oil, crankshaft, rear, 4-3/4 x 5-3/4 x 1/2 inch (121 x 146 x 13 MM) (See ref 29)

1шт.

22

A32830

GASKET

- retainer

1шт.

23

193-554

SCREW,SEMS, Hex Hd, 3/8"-16 x 1 1/4", G5

BOLT - hex Sems, 3/8 NC x 1-1/4 inch

6шт.

29

A43194

KIT

- rear oil seal wear, Includes: Ref. 30, 31

1шт.

30

NSS

NOT SOLD SEPARAT

SEAL - oil, rear (Reference no. A65871)

1шт.

31

NSS

NOT SOLD SEPARAT

SLEEVE - wear (Reference no. A65872)

1шт.

32

A154684

SLEEVE

KIT - front oil seal wear, Includes: Ref. 33, 34

1шт.

33

NSS

NOT SOLD SEPARAT

SLEEVE - wear (Reference no. A151704)

1шт.

34

NSS

NOT SOLD SEPARAT

TOOL - installation (Reference no. A154819)

1шт.

35

A153946

FLYWHEEL

ASSEMBLY - with 31 spline teeth (Power shift transmission), Includes: Ref. 36

1шт.

36

A27920

GEAR

- ring, 137 teeth

1шт.

37

28-1028

BOLT,Hex, 5/8" - 18 x 1-3/4", Gr 8

- hex, 5/8 NC x 1-3/4 inch (Grade 8)

6шт.

38

A154005

FLYWHEEL

ASSEMBLY - with 31 spline teeth (Mechanical shift transmission), Includes: Ref. 39

1шт.

39

A27920

GEAR

- ring, 137 teeth

1шт.

40

A58629

BEARING WASHER,16.66mm ID x 25.4mm OD x 3.04mm Thk

WASHER - hardened

1шт.

41

A58900

DAMPER

- viscous (With 8 speed transmission only, engine serial no. 10320977 and after)

1шт.

42

92-6

LOCK WASHER,3/8"

6шт.

43

113-221

BOLT,Hex, 3/8" - 16 x 7/8", Gr 5

6шт.

Выбрано товаров: 42