Запчасти Case IH 2290 (4-088) - ENGINE HARNESS, P.I.N. 8850031 THROUGH 9919620 (04) - ELECTRICAL SYSTEMS

Схема запчастей Case IH 2290 - (4-088) - ENGINE HARNESS, P.I.N. 8850031 THROUGH 9919620 (04) - ELECTRICAL SYSTEMS
6
4
19
9
7
13
11
15
12
8
1
10
25
29
24
23
17
3
5
2
26
16
28
20
18
27
FIT
1:1
100%

Артикул

Название

Примечание

Количество

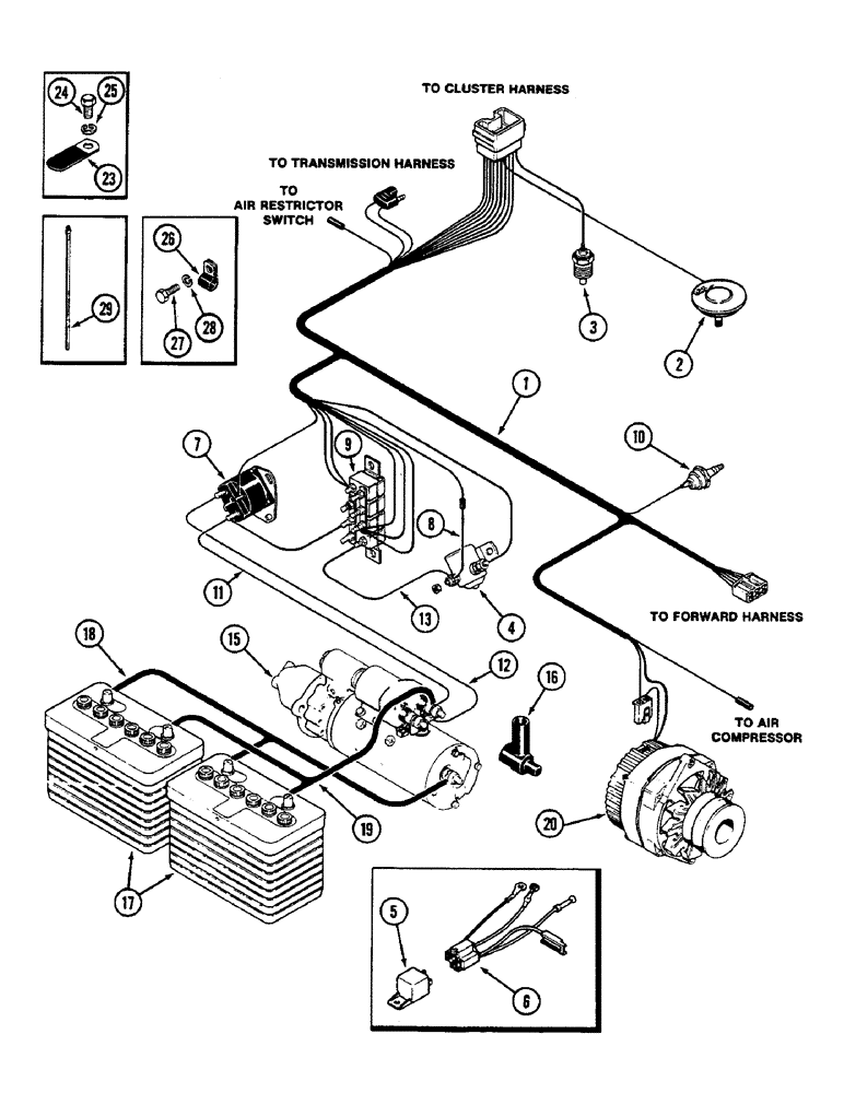
1

A160584

HARNESS

- engine (Order A167436 and A167492)

1шт.

2

A154782

SWITCH

- air cleaner restriction (See page 2-12)

1шт.

3

D66446

HARDWARE

SENDER - engine water temperature (See page 2-4)

1шт.

4

REF

INSTRUCTION

SOLENOID - cab electrical (If equipped) (See Figure 4-120)

1шт.

5

A167627

RELAY

- cab electrical (If equipped) (Order A167492)

1шт.

6

A165316

HARNESS

- relay (If equipped)

1шт.

7

A39079

SOLENOID

- ignition (See Figure 4-120)

1шт.

8

A160443

HARNESS

WIRE - cab solenoid, purple 6 inch (152 MM) long

1шт.

9

A160983

BREAKER

- circuit, 20 and 150 ampere (See Figure 4-120)

1шт.

10

A66737

SWITCH, PRESSURE

SWITCH - engine oil pressure

1шт.

11

A147210

ELECTRICAL WIRE

WIRE - starter to solenoid (Battery terminal)

1шт.

12

A163000

ELECTRICAL WIRE

WIRE - starter to solenoid (Switch terminal) (Replaces A147209)

1шт.

13

A160995

CABLE

WIRE - cab solenoid to circuit breaker, red 10 inch (254 MM) long

1шт.

15

REF

INSTRUCTION

STARTER - (See Figure 4-126)

1шт.

16

A153796

BOLT

COVER - starter terminal insulator

1шт.

17

REF

INSTRUCTION

BATTERY - 12 volt low maintenance (See Figure 4-122)

2шт.

18

A149182

CABLE

- battery, negative (See Figure 4-122) (Order A162285)

1шт.

19

A149179

CABLE

- battery, positive (See Figure 4-122) (Order A162287)

1шт.

20

REF

INSTRUCTION

ALTERNATOR - (See Figure 4-142)

1шт.

23

A37179

CLIP

- wire, alternator, Serial Range: wires-engine

1шт.

24

113-205

BOLT,Hex, 3/8" - 16 x 5/8", Gr 5

1шт.

25

92-6

LOCK WASHER,3/8"

1шт.

26

515-2295

CLAMP,3/8", Insul, 5/16" Bolt

CLIP - wire, harness to front end casting

1шт.

27

113-206

BOLT,Hex, 3/8" - 16 x 3/4", Gr 5, Full Thd

1шт.

28

192-21

LOCK WASHER,3/8"

WASHER, LOCK, 3/8"

1шт.

29

L18337

CABLE TIE,9.95"-12.1" lg

STRAP - tie, 15 inch, nylon

4шт.

Выбрано товаров: 26