Запчасти Case IH 2290 (4-108) - CAB HEADLINER WIRING, CAB SERIAL NUMBER 12008153 THROUGH 12045750 (04) - ELECTRICAL SYSTEMS

Схема запчастей Case IH 2290 - (4-108) - CAB HEADLINER WIRING, CAB SERIAL NUMBER 12008153 THROUGH 12045750 (04) - ELECTRICAL SYSTEMS
8
10
18
17
11
16
12
15
22
14
2
3
23
9
5
4
6
21
7
20
18
13
1
FIT
1:1
100%

Артикул

Название

Примечание

Количество

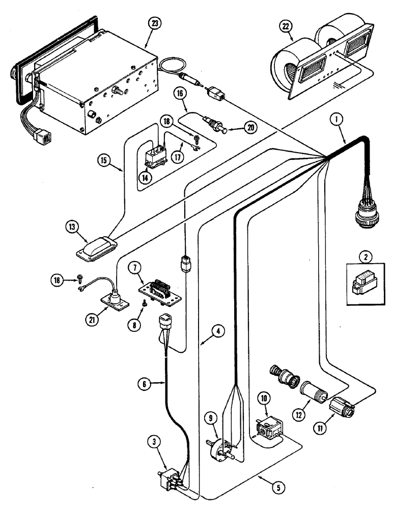
1

F64546

HARNESS

ASSEMBLY - headliner wiring (Cab serial no. 12022944 through 12045750) (Order F98195)

1шт.

2

F64478

HARNESS

ASSEMBLY - headliner wiring (Prior to cab serial no. 12022944)

1шт.

3

REF

INSTRUCTION

SWITCH - blower (See Figure 9-598)

1шт.

4

F64443

ELECTRICAL WIRE

WIRE - switch to blower motor, red 88 inch (2 235 MM)

1шт.

5

A42624

ELECTRICAL WIRE

WIRE - blower switch to air conditioning switch, black 6 inch (152 MM)

1шт.

6

F64222

HARNESS

- wire, blower switch resistor (Cab serial no. 12008153 through 12045750)

1шт.

7

F44900

RESISTOR

- voltage (Cab serial no. 12008153 through 1045750)

1шт.

8

187-579

SELF-TAP SCREW,Hex Wash Hd, #10 x 1/2"

SCREW - self tapping, no. 10-16 x 1/2 inch

1шт.

9

REF

INSTRUCTION

SWITCH - wiper (See Figure 9-598)

1шт.

10

REF

INSTRUCTION

SWITCH - air conditioning (See page 9-598)

1шт.

11

REF

INSTRUCTION

SHELL - lighter socket (See Figure 9-598)

1шт.

12

REF

INSTRUCTION

SOCKET - lighter (See Figure 9-598)

1шт.

13

REF

INSTRUCTION

LAMP - dome (See Figure 9-576)

1шт.

14

REF

INSTRUCTION

SWITCH - dome lamp (See Figure 9-576)

1шт.

15

F64126

ELECTRICAL WIRE

WIRE - switch to lamp, black 4 inch (102 MM)

1шт.

16

F64127

ELECTRICAL WIRE

WIRE - switch to door switch, white 70 inch (1 778 MM)

1шт.

17

F64476

WIRE - switch to ground, black 15 inch (381 MM)

1шт.

18

187-1088

SELF-TAP SCREW,Hex Wash Hd, #10 x 1/2"

SCREW - Phillips pan head, self tapping, no. 10-16 x 1/2 inch

1шт.

20

F63895

SWITCH

- lamp, door opening

1шт.

21

REF

INSTRUCTION

LAMP - console (See Figure 9-576)

1шт.

22

REF

INSTRUCTION

BLOWER ASSEMBLY - (See Figure 9-582)

1шт.

23

REF

INSTRUCTION

RADIO - (See page 9-604)

1шт.

Выбрано товаров: 22