Запчасти Case IH 2290 (4-110) - CAB HEADLINER WIRING, CAB SERIAL NUMBER 12045751 AND AFTER (04) - ELECTRICAL SYSTEMS

Схема запчастей Case IH 2290 - (4-110) - CAB HEADLINER WIRING, CAB SERIAL NUMBER 12045751 AND AFTER (04) - ELECTRICAL SYSTEMS
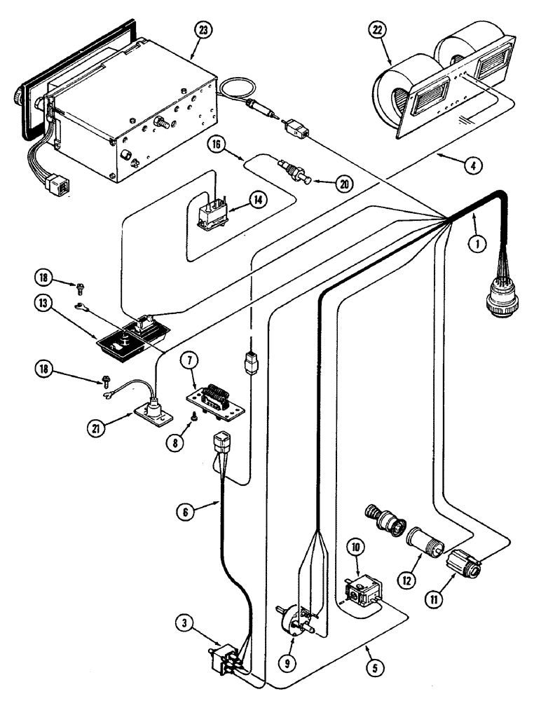
10
4
11
22
1
3
7
8
9
5
21
12
18
23
14
18
16
6
13
20
FIT
1:1
100%

Артикул

Название

Примечание

Количество

1

F98195

HARNESS

ASSEMBLY - headliner wiring

1шт.

3

REF

INSTRUCTION

SWITCH - blower (See Figure9-598)

1шт.

4

F64443

ELECTRICAL WIRE

WIRE - switch to blower motor, red 88 inch (2 235 MM)

1шт.

5

A42624

ELECTRICAL WIRE

WIRE - blower switch to air conditioning switch, black 6 inch (152 MM)

1шт.

6

F64222

HARNESS

- wire, blower switch resistor

1шт.

7

F44900

RESISTOR

- voltage

1шт.

8

187-579

SELF-TAP SCREW,Hex Wash Hd, #10 x 1/2"

SCREW - self tapping, 10-16 x 1/2 inch

1шт.

9

REF

INSTRUCTION

SWITCH - wiper (See Figure 9-598)

1шт.

10

REF

INSTRUCTION

SWITCH - air conditioning (See Figure 9-598)

1шт.

11

REF

INSTRUCTION

SHELL - lighter socket (See Figure 9-598)

1шт.

12

REF

INSTRUCTION

SOCKET - lighter (See Figure 9-598)

1шт.

13

REF

INSTRUCTION

LAMP - dome (See Figure 9-578)

1шт.

14

REF

INSTRUCTION

SWITCH - dome lamp (See Figure 9-578)

1шт.

16

F64127

ELECTRICAL WIRE

WIRE - switch to door switch, white 70 inch (1 778 MM)

1шт.

18

187-579

SELF-TAP SCREW,Hex Wash Hd, #10 x 1/2"

SCREW - Phillips pan head, self tapping, no. 10-16 x 1/2 inch

1шт.

20

F63895

SWITCH

- lamp, door opening

1шт.

21

REF

INSTRUCTION

LAMP - console (See Figure 9-578)

1шт.

22

REF

INSTRUCTION

BLOWER ASSEMBLY - (See Figure 9-582)

1шт.

23

REF

INSTRUCTION

RADIO - (See page 9-604)

1шт.

Выбрано товаров: 19