Запчасти Case IH 2290 (4-140) - ALTERNATOR MOUNTING (04) - ELECTRICAL SYSTEMS

Схема запчастей Case IH 2290 - (4-140) - ALTERNATOR MOUNTING (04) - ELECTRICAL SYSTEMS
15
5
20
7
6
11
22
16
3
14
21
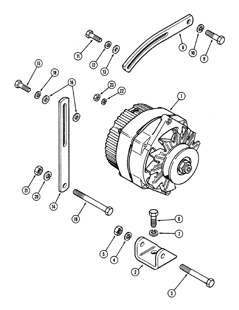
1
12
2
13
19
18
8
23
9
4
10
FIT
1:1
100%

Артикул

Название

Примечание

Количество

1

REF

INSTRUCTION

ALTERNATOR ASSEMBLY - (See Figure 4-142 through 4-152)

1шт.

2

A160391

BRACKET

- mounting, alternator to engine (Replace A38492)

1шт.

3

113-241

BOLT,Hex, 3/8" - 16 x 3", Gr 5

1шт.

4

192-21

LOCK WASHER,3/8"

WASHER, LOCK, 3/8"

1шт.

5

129-103

NUT,Hex, 3/8" - 16, Gr 5

NUT, 3/8"-16, G5

1шт.

6

113-207

BOLT,Hex, 3/8" - 16 x 1", Gr 5

2шт.

7

92-6

LOCK WASHER,3/8"

2шт.

8

A145326

STRAP

- adjusting

1шт.

9

113-221

BOLT,Hex, 3/8" - 16 x 7/8", Gr 5

1шт.

10

92-6

LOCK WASHER,3/8"

1шт.

11

113-103

BOLT,Hex, 5/16" - 18 x 1", Gr 5

1шт.

11

814-8025

BOLT,Hex, M8 x 1.25 x 25mm, Cl 8.8, Full Thd

- hex, M8 x 1.25 x 25 MM (See note)

1шт.

12

192-20

LOCK WASHER,Helical Spring, 0.318" ID, CST, ZND

WASHER, LOCK, 5/16"

1шт.

13

195-521

WASHER,5/16", SAE

- 11/32 x 11/16 x 1/16 inch (9 x 17 x 2 MM)

1шт.

14

A59098

STRAP

- support, rear

1шт.

15

113-103

BOLT,Hex, 5/16" - 18 x 1", Gr 5

1шт.

15

814-8025

BOLT,Hex, M8 x 1.25 x 25mm, Cl 8.8, Full Thd

- hex, M8 x 1.25 x 25 MM (See note)

1шт.

16

195-103

WASHER,5/16"

- 11/32 x 11/16 x 1/16 inch (9 x 17 x 2 MM)

2шт.

18

192-20

LOCK WASHER,Helical Spring, 0.318" ID, CST, ZND

WASHER, LOCK, 5/16"

1шт.

19

113-203

BOLT,Hex, 3/8" - 16 x 3-1/2", Gr 5

1шт.

20

92-6

LOCK WASHER,3/8"

1шт.

21

129-103

NUT,Hex, 3/8" - 16, Gr 5

NUT, 3/8"-16, G5

1шт.

22

192-19

LOCK WASHER,Helical Spring, 0.256" ID, CST, ZND

WASHER, LOCK, (Alternator battery terminal) 1/4"

1шт.

23

129-18

NUT,#12-24

- hex, no. 12-24 (Alternator battery terminal)

1шт.

23

825-1106

NUT,Hex, M6, Cl 8

- hex, M6 x 1 (Alternator battery terminal) (See note)

1шт.

Выбрано товаров: 25