Запчасти Case IH 2290 (4-148) - ALTERNATOR ASSEMBLY, 72 AMPERES, USES METRIC HARDWARE (04) - ELECTRICAL SYSTEMS

Схема запчастей Case IH 2290 - (4-148) - ALTERNATOR ASSEMBLY, 72 AMPERES, USES METRIC HARDWARE (04) - ELECTRICAL SYSTEMS
11
9
22
32
28
1
23
14
8
14
31
36
38
20
40
17
10
18
41
4
3
13
25
5
24
29
19
12
33
30
6
2
37
7
26
FIT
1:1
100%

Артикул

Название

Примечание

Количество

A160635

ALTERNATOR

ALTERNATOR - 72 amperes (Delco-Remy no. 1103127) (J I Case installed) (Order A167155 alternator, A43384 fan and L59716 pulley)

1шт.

A47444

REMAN-ALTERNATOR

Alternator Assembly - remanufactured

1шт.

A47445

CORE-ALTERNATOR

Return Part Number use this part no. to return alternator core for credit

1шт.

A47625

ALTERNATOR

ALTERNATOR ASSEMBLY - new (Delco no. 1103115) (Less pulley and fan) (Service only) (Order A167155), Includes: Ref. 1-38 and Kit

1шт.

87297244

REMAN-ALTERNATOR

Remanufactured Alternator, 12 volt, 61 ampere

1шт.

87297245

CORE-ALTERNATOR

Return Part Number

1шт.

87297246

REMAN-ALTERNATOR

Reman For New P/N A47625

1шт.

87297247

CORE-ALTERNATOR

Return Part Number

1шт.

103802A1R

REMAN-ALTERNATOR

Reman For New P/N A47625

1шт.

103802A1C

CORE-ALTERNATOR

Return Part Number

1шт.

103804A1GV

ALTERNATOR

Value, 12V, 72A

1шт.

103804A1R

REMAN-ALTERNATOR

Reman For New P/N A47625

1шт.

103804A1C

CORE-ALTERNATOR

Return Part Number

1шт.

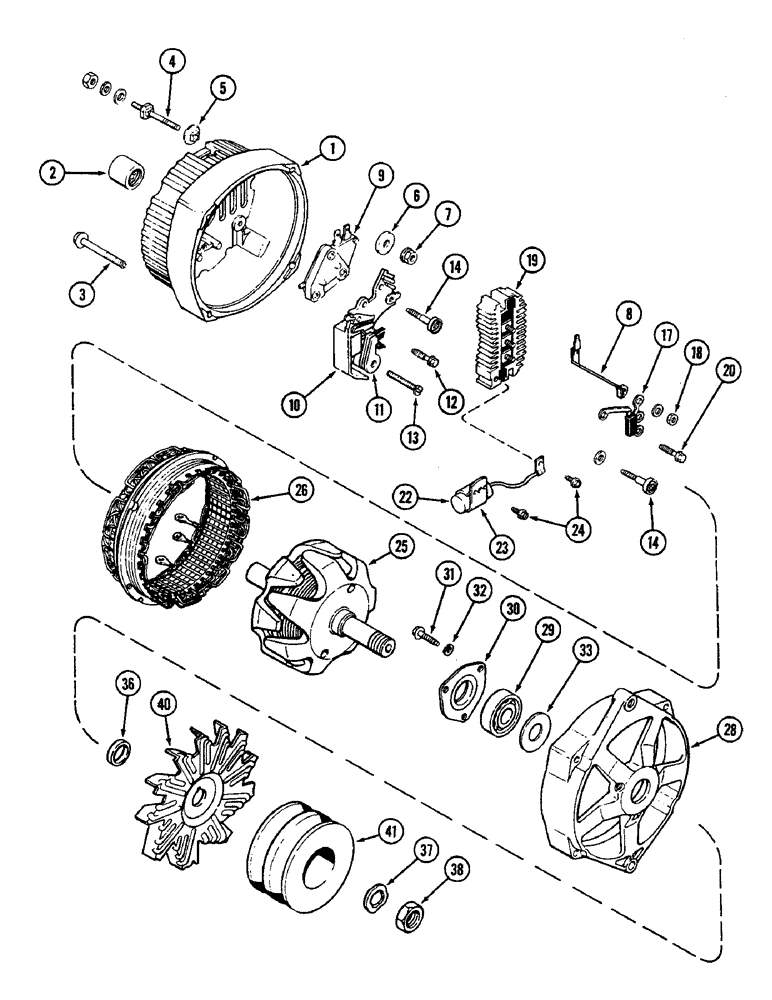
1

A47595

FRAME

FRAME - slip ring end

1шт.

2

A47578

ROLLER BEARING,0.6694" ID x 0.937" OD x 0.73"

BEARING - roller

1шт.

3

163-6

SCREW,Hex, #10 - 24 x 1 3/4"

BOLT - hex washer head, no. 10-24 x 1-3/4 inch

4шт.

A47597

TERMINAL CONNECTOR

TERMINAL KIT - battery, Includes: Ref. 4-7

1шт.

4

NSS

NOT SOLD SEPARAT

STUD - terminal

1шт.

5

NSS

NOT SOLD SEPARAT

INSULATOR

1шт.

6

NSS

NOT SOLD SEPARAT

WASHER - insulated

1шт.

7

NSS

NOT SOLD SEPARAT

NUT ASSEMBLY

2шт.

8

A47045

TERMINAL CONNECTOR

TERMINAL - relay

1шт.

9

A45213

REGULATOR

REGULATOR - voltage

1шт.

10

A47042

HOLDER

HOLDER ASSEMBLY - brush, Includes: Ref. 11

1шт.

11

A47987

BRUSH, COMMUTATOR

BRUSH BRUSH - alternator (Replaces A47626)

2шт.

12

A47043

SCREW,#8 - 32 x 21"

SCREW - holder

1шт.

13

A47581

SCREW,#8 - 32 x 1.43"

SCREW - holder

1шт.

14

A45223

SCREW,Spcl, #8 - 32 x 1 1/8"

SCREW - insulated, holder

1шт.

17

A48339

DIODE

DIODE - trio (Replaces A45219)

1шт.

18

129-16

NUT,#8-32

NUT, #8-32

3шт.

19

A45394

RECTIFIER

RECTIFIER BRIDGE

1шт.

20

A45221

SCREW,Hex Wshr Hd, #8 - 32 x 0.99"

SCREW - bridge, no. 8-32 x 1 inch

1шт.

22

A47734

CAPACITOR

CAPACITOR

1шт.

23

A45227

CLAMP

CLAMP - capacitor

1шт.

24

A45228

SELF-TAP SCREW,Hex Wash Hd, #8-32 x .59", Spc

SCREW - clamp, no. 8-32 x 3/8 inch

2шт.

25

A47047

ROTOR

ROTOR - (Includes slip rings)

1шт.

26

A47620

STATOR

STATOR - (Order A47040)

1шт.

28

A47596

FRAME

FRAME - drive end

1шт.

29

A47579

BALL BEARING,17 mm ID x 40 mm OD x 12 mm

BEARING - ball drive end (Order A65781)

1шт.

30

A44433

PLATE

PLATE - bearing retainer

1шт.

31

173-210

SCREW,Sl Rnd Hd, #10 - 24 x 3/8"

SCREW - plate, round head no. 10-24 x 3/8 inch

3шт.

32

195-512

WASHER,#10

WASHER - 7/32 x 7/16 x 1/16 inch (6 x 11 x 2 MM)

4шт.

33

A45232

WASHER

WASHER - grease slinger, bearing

1шт.

36

A47580

COLLAR

COLLAR - rotor shaft, 43/64 x 7/8 x 13/64 inch (17 x 22 x 5 MM)

1шт.

37

R16171

SPRING WASHER

WASHER - lock

1шт.

38

A25546

NUT

NUT - pulley and, Serial Range: fan-shaft

1шт.

40

A43384

FAN

FAN - alternator

1шт.

41

L59716

PULLEY

PULLEY - drive, alternator

1шт.

Выбрано товаров: 48