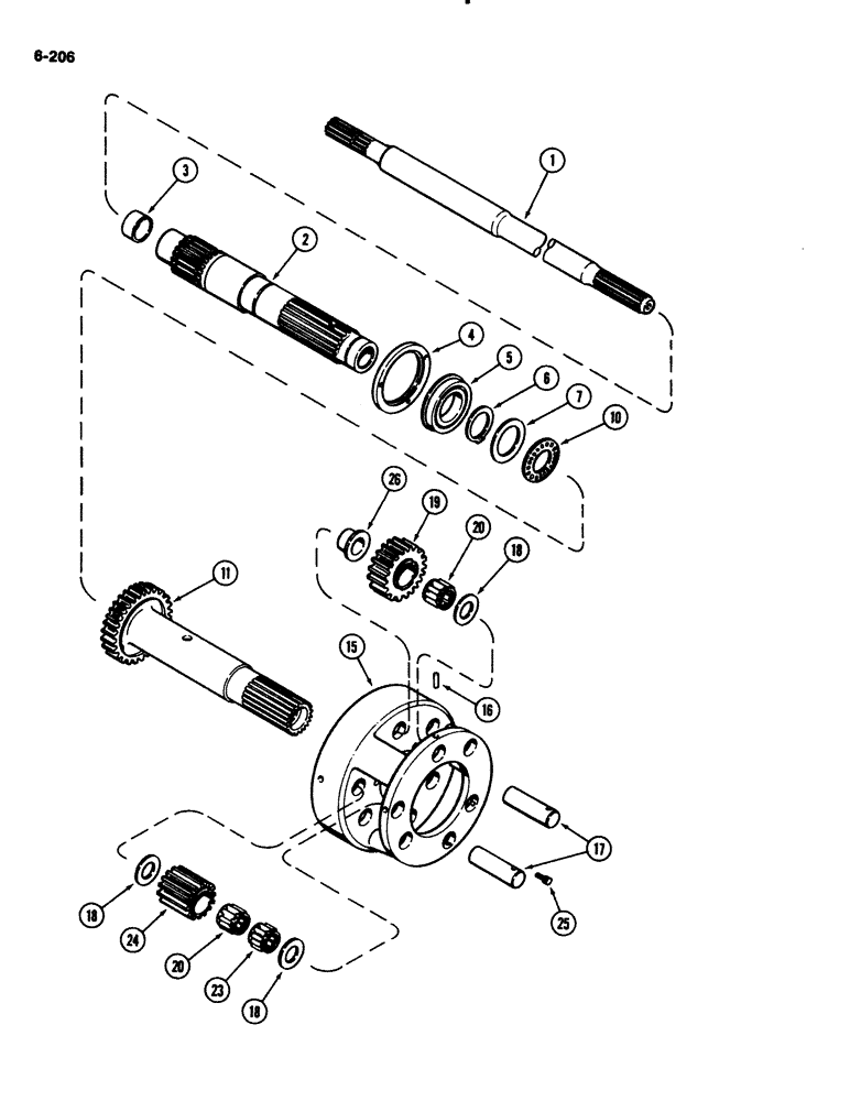
Запчасти Case IH 2294 (6-206) - POWER SHIFT TRANSMISSION, CLUTCH PLANETARY, PRIOR TO TRANSMISSION SERIAL NUMBER 16264554 (06) - POWER TRAIN

Схема запчастей Case IH 2294 - (6-206) - POWER SHIFT TRANSMISSION, CLUTCH PLANETARY, PRIOR TO TRANSMISSION SERIAL NUMBER 16264554 (06) - POWER TRAIN
16
24
19
18
2
3
23
20
6
18
17
10
25
11
7
5
26
4
1
18
15
20
FIT
1:1
100%

Артикул

Название

Примечание

Количество

1

A156861

SHAFT

- input, power and PTO drive, front

1шт.

2

A168048

SHAFT

ASSEMBLY - pinion drive, Includes: Ref. 3

1шт.

Distance Of 2.105-2.115 inches Between Retaining Ring Grooves on 34 Tooth Spline

1шт.

2

A168013

SHAFT

ASSEMBLY - pinion drive, Includes: Ref. 3

1шт.

Distance Of 1.605-1.615 inches Between Retaining Ring Grooves on 34 Tooth Spline

1шт.

3

A156939

BUSHING,31.83mm ID x 35.88mm OD x 19.05mm L

- PTO shaft support

1шт.

4

A146603

RETAINER

- carrier bearing

1шт.

5

A63109

BEARING, BALL

BEARING - ball, carrier (Includes snap ring)

1шт.

6

A7611

SNAP RING,#175, Ext

Ring, Snap, #175, Ext

1шт.

7

A54021

WASHER

RACE - thrust, 2-1/2 inch (63 mm)

1шт.

10

A154648

THRUST BEARING,44.5mm ID x 66.04mm OD x 2.69mm W

BEARING - flanged, needle thrust

1шт.

11

A148776

SHAFT

- planetary input drive (Order A157947)

1шт.

15

A159572

CARRIER

- planetary

1шт.

16

138-92

LOCK PIN,3/16" x 3/4", Slotted

PIN, 3/16" x 3/4", Slotted

6шт.

17

A63107

PIN

- planetary gear

6шт.

18

A58070

WASHER,25.45mm ID x 44.45mm OD x 0.76mm Thk

RACE - thrust, planetary gear, 1-3/4 inch (44 mm)

9шт.

19

A63105

GEAR

- planetary, short, 36 teeth, 1-1/4 inch long (32 mm)

3шт.

20

A62543

NEEDLE BEARING,25.39mm ID x 33.36mm OD x 31.56mm W

BEARING - roller, planetary gear, 1 x 1-5/16 x 1-1/4 inch (25 x 33 x 32 mm)

6шт.

23

A58077

ROLLER BEARING,25.395 mm ID x 33.3578 mm OD x 25.21 mm

BEARING - roller, planetary gear, 1 x 1-5/16 x 1 inch (25 x 33 x 25 mm)

3шт.

24

A63108

GEAR

- planetary, long, 24 teeth, 2-5/16 inch long (59 mm)

3шт.

25

62-410

HEX SOC SCREW,1/4"-28 x 5/8"

SCREW - hex socket head, 1/4 NF x 5/8 inch

3шт.

26

A140877

SPACER,25.65mm ID x 31.88mm OD x 27.9mm L

- flanged, short gear

3шт.

Выбрано товаров: 22