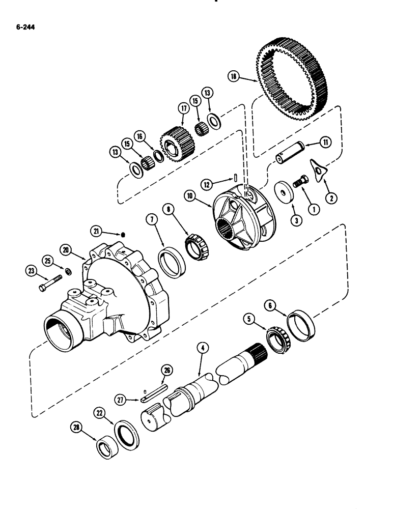
Запчасти Case IH 2294 (6-244) - REAR AXLE, HOUSING & PLANETARY GEARS, 96" (2438MM) LONG 3-7/8" DIA., 120" (3048MM) LONG 3-7/8" DIA. (06) - POWER TRAIN

Схема запчастей Case IH 2294 - (6-244) - REAR AXLE, HOUSING & PLANETARY GEARS, 96" (2438MM) LONG 3-7/8" DIA., 120" (3048MM) LONG 3-7/8" DIA. (06) - POWER TRAIN
15
17
15
8
13
4
20
6
21
25
18
12
28
2
7
1
3
16
23
26
10
27
11
13
22
5
FIT
1:1
100%

Артикул

Название

Примечание

Количество

1

26-1436

BOLT,Hex, 7/8" - 9 x 2-1/4", Gr 8

- hex, 7/8 NC x 2-1/4 inch (Grade 8)

2шт.

2

A63221

PLATE

- bearing lock

2шт.

3

A63220

PLATE

- retaining, rear axle

2шт.

4

A179760

SHAFT

- rear axle, 120 inch (3 048 mm) axle

2шт.

4

A179761

SHAFT

- rear axle, 96 inch (2 438 mm) axle

2шт.

5

A63216

ROLLER BEARING,89.98mm ID x 44mm W

CONE - bearing, outer

2шт.

6

A63214

CUP

- bearing, outer

2шт.

7

A50324

BEARING CUP

CUP - bearing, inner

2шт.

8

A34339

BEARING

CONE - bearing, inner

2шт.

10

A168153

CARRIER

- planetary gear

2шт.

11

A168244

PIN,41.94mm OD x 138.2mm L

- planetary gear

6шт.

12

138-2066

PIN,3/8" x 1 1/2", Coiled

6шт.

13

A67116

WASHER

- planetary pin roller

12шт.

15

A47252

ROLLER BEARING

BEARING KIT - roller, planetary gear (Pack of 57)

4шт.

16

A67117

SPACER

- roller bearing separator

6шт.

17

A168175

GEAR

- planetary, rear axle

1шт.

18

A151934

GEAR

- planetary, ring

2шт.

20

A179983

HOUSING

- rear axle

2шт.

21

221-12

PLUG,Sq Hd, 1/4"-18

- square head, 1/4 inch PT

1шт.

22

A154957

OIL SEAL

- oil, rear axle

2шт.

23

26-1072

BOLT,Hex, 5/8" - 11 x 4-1/2", Gr 8

- hex, 5/8 NC x 4-1/2 inch (Grade 8)

24шт.

25

A64303

WASHER

- 1-1/16 inch (27 mm)

24шт.

26

A34890

BUCKET TOOTH KEY

KEY - rear wheel to axle shaft, 6 inch long (152 mm)

2шт.

27

138-127

LOCK PIN,1/4" x 1/2", Slotted

PIN, 1/4" x 1/2", Slotted

2шт.

28

A177579

CAP

- end, axle

2шт.

Выбрано товаров: 25