Запчасти Case IH 2294 (2-008) - WATER PUMP, 504BDT DIESEL ENGINE (02) - ENGINE

Схема запчастей Case IH 2294 - (2-008) - WATER PUMP, 504BDT DIESEL ENGINE (02) - ENGINE
43
25
2
6
37
23
36
29
7
32
22
17
3
16
19
24
5
9
27
8
2
10
18
1
39
42
20
28
4
15
35
40
FIT
1:1
100%

Артикул

Название

Примечание

Количество

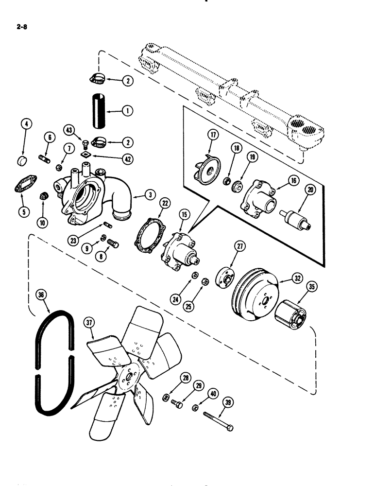
1

A58737

HOSE,30.99mm ID x 134.62mm L, SAE 20R4

HOSE - water pump bypass

1шт.

2

214-256

HOSE CLAMP,#20, 0.81" - 1.75", Type F Worm

CLAMP - hose, 1-1/16 to 1-3/4 inch (30 to 44 mm )

2шт.

3

A148968

HOUSING

BODY ASSEMBLY - water pump, Includes: Ref. 4

1шт.

4

A58568

PLUG,Cup, 1 3/8", Stainless

PLUG - cup, 1-3/8 inch (35 mm)

1шт.

5

A58649

GASKET

GASKET -, Serial Range: body-block

1шт.

6

G102128

BOLT

STUD - 3/8 NC x 1-1/2 inch

2шт.

7

9628503

NUT,3/8"-16, G5

NUT, 3/8"-16, G5

2шт.

8

13-620

BOLT,Hex, 3/8" - 16 x 1-1/4", Gr 5, Full Thd

BOLT, (Replaces 13-208) Hex, 3/8"-16 x 1 1/4", G5, Full Thd

2шт.

9

192-21

LOCK WASHER,3/8"

WASHER, LOCK, 3/8"

4шт.

10

221-844

PLUG,Hex Soc, 1/2"-14

PLUG - square head, 1/2 inch PT

1шт.

A48369

PUMP

PUMP KIT - water, remanufactured (includes Ref 22) (North America only)

1шт.

15

A157145

PUMP, WATER

PUMP ASSEMBLY - water, new, Includes: Ref. 16 - 20

1шт.

15

1342818C1R

REMAN-WATER PUMP

Remanufactured Water Pump

1шт.

15

A48335

CORE-WATER PUMP

Return Part Number, Water Pump

1шт.

16

NSS

NOT SOLD SEPARAT

HOUSING - pump (Order A157145)(Reference No. A58642)

1шт.

17

A152126

IMPELLER

IMPELLER - water (cast iron)

1шт.

18

A166280

SEAT

SEAT - impeller

1шт.

19

A166281

SEAL

SEAL - pump shaft

1шт.

20

A156995

BEARING

SHAFT ASSEMBLY - with bearing

1шт.

22

A58646

GASKET

GASKET -, Serial Range: pump-body

1шт.

23

A166044

STUD

STUD - 3/8 NC x 1-7/16 inch

4шт.

24

193-68

LOCK WASHER,Int Tooth, 3/8"

WASHER, LOCK, Int Tooth, 3/8"

4шт.

25

129-103

NUT,Hex, 3/8" - 16, Gr 5

NUT, 3/8"-16, G5

4шт.

27

A146221

HUB

HUB - fan and, Serial Range: pulley-pump

1шт.

28

A155047

RING,13.08mm ID x 26.92mm OD x 8.69mm Thk

WASHER - flat, 33/64 x 1-1/16 x 11/32 inch (13 x 27 x 9 mm)

1шт.

29

114-400

BOLT,Hex, 1/2" - 20 x 1-1/4", Gr 5

BOLT, Hex, 1/2"-20 x 1 1/4", G5, Full Thd

1шт.

32

A146982

PULLEY

PULLEY - fan driven

1шт.

35

A161678

BUSHING

SPACER - fan blade, 3-1/8 inch wide (79 mm)

1шт.

36

A145325

SET OF BELTS,60.00" L

Fan, Matched

1шт.

36

A57130

BELT,60.00" L

Fan, Single without Air Conditioning

1шт.

37

A164663

FAN

FAN - engine, 22 inch (556 mm)

1шт.

39

113-240

BOLT,Hex, 3/8" - 16 x 4-1/4", Gr 5

BOLT - hex, 3/8 NC 4-1/2 inch

4шт.

40

A50820

WASHER

WASHER - hardened

4шт.

42

A149624

CLIP

CLIP - wire (Used without air conditioner)

1шт.

43

113-204

BOLT,Hex, 3/8" - 16 x 1/2", Gr 5, Full Thd

BOLT, Hex, 3/8"-16 x 1/2", G5, Full Thd

1шт.

Выбрано товаров: 35