Запчасти Case IH 2294 (9-412) - HITCH DRAFT ARMS AND LIFT LINKS, P.I.N. 9939634 AND AFTER, NC THREAD (09) - CHASSIS/ATTACHMENTS

Схема запчастей Case IH 2294 - (9-412) - HITCH DRAFT ARMS AND LIFT LINKS, P.I.N. 9939634 AND AFTER, NC THREAD (09) - CHASSIS/ATTACHMENTS
33
14
15
17
13
9
18
29
4
38
19
60
42
43
53
2
52
12
7
3
45
56
63
62
26
55
16
54
11
5
34
8
61
30
31
10
64
6
40
39
20
32
1
41
FIT
1:1
100%

Артикул

Название

Примечание

Количество

1

REF

INSTRUCTION

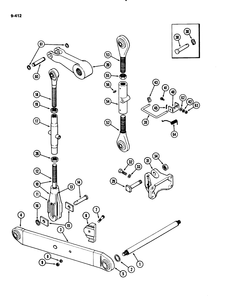
SHAFT - draft arms and springs (See Figure 9-410)

1шт.

2

A167661

WASHER

- spacer

2шт.

3

A143194

ARM

- draft, hitch (If equipped)

2шт.

3

A167794

ARM

- draft, hitch (Heavy Duty)

2шт.

4

A167796

TRUNNION

END ASSEMBLY - draft arm, front

1шт.

5

A61922

ARM

END ASSEMBLY - draft arm, rear

1шт.

6

A162756

BLOCK

- sway, draft arm

2шт.

7

111-504

CARRIAGE BOLT,Short NK, 1/2"-13 x 2 1/2", G5

BOLT - round head square neck, 1/2 NC x 2-1/2 inch

2шт.

8

92-8

LOCK WASHER,1/2"

2шт.

9

129-105

NUT,Hex, 1/2" - 13, Gr 5

2шт.

10

A166265

YOKE

ASSEMBLY - draft arm, lift link, Includes: Ref. 11 - 13

2шт.

11

A137078

YOKE

- draft arm

1шт.

12

A166366

SCREW,Stud, 1 1/4" - 12 x 9.85"

PIN - draft arm

1шт.

13

138-160

LOCK PIN,5/16" x 2", Slotted

Pin, 5/16" x 2", Slotted

1шт.

14

A67342

PIN

- draft arm yoke

2шт.

15

A67343

PLATE

- stop, yoke pin

4шт.

16

A64204

PIN

- klik

2шт.

17

A166372

TURNBUCKLE

- adjusting, lift link

2шт.

18

A166367

END

SCREW - upper link

2шт.

19

129-352

NUT,Jam, 1 1/4"-7, G5, LH

- hex jam, 1-1/4 inch NC

2шт.

20

A177253

LIFT ARM

ARM - lift, rockshaft (Replaces A164592)

2шт.

26

25-1420

JAM NUT,Jam, 1 1/4"-7, G5

- hex jam, 1-1/4 inch NC

2шт.

29

A164279

BOLT,1" - 8 x 5", Gr 8

- square head, 1 NC x 5 inch

1шт.

30

A64204

PIN

- klik

1шт.

31

A165800

BRACKET

- mounting, turnbuckle

1шт.

32

113-604

BOLT,Hex, 5/8" - 11 x 2", Gr 5

4шт.

33

192-25

LOCK WASHER,5/8"

WASHER, LOCK, 5/8"

4шт.

34

131-1184

LOCK NUT,1"-8, GA

NUT - hex lock, 1 inch NC

1шт.

38

A33432

PIN

- implement

1шт.

39

A163822

HOOK

- turnbuckle link storage

1шт.

40

A163821

BRACKET

- turnbuckle link

1шт.

41

187-1300

SELF-TAP SCREW,Hex, 3/8" - 18 x 1"

BOLT - round head, 3/8 NC x 1 inch

2шт.

42

192-21

LOCK WASHER,3/8"

WASHER, LOCK, 3/8"

2шт.

43

A33497

LINCH PIN,4.76mm OD Pin

PIN - klik

1шт.

45

132-312

COTTER PIN,3/16" x 1 1/4"

PIN, SPLIT (COTTER), 3/16" x 1 1/4"

1шт.

52

A169844

ROD

SCREW - lower turnbuckle (Heavy Duty)

1шт.

53

A166863

ROD

SCREW - upper turnbuckle (Heavy Duty)

1шт.

54

A165965

TURNBUCKLE

- upper link (Heavy Duty)

1шт.

55

129-154

NUT,Jam, 1 1/2"-6, G5

- hex, 1-1/2 inch NC

1шт.

56

219-1

LUBE NIPPLE,1/8" - 27 NPTF

FITTING - grease, straight, 1/8 inch

2шт.

60

A177258

PIN

- link to lift arm

2шт.

61

A34428

SNAP RING,#98, Ext

Ring, Snap, #98, Ext

4шт.

62

195-525

WASHER,3/8", SAE

- flat, 13/32 x 3/16 x 1/16 inch (10 x 21 x 2 mm)

2шт.

63

129-103

NUT,Hex, 3/8" - 16, Gr 5

NUT, 3/8"-16, G5

2шт.

64

A177792

SPRING

- retaining

1шт.

Выбрано товаров: 45