Запчасти Case IH 2294 (4-112) - ENGINE AUTOMATIC SHUTOFF KIT (04) - ELECTRICAL SYSTEMS

Схема запчастей Case IH 2294 - (4-112) - ENGINE AUTOMATIC SHUTOFF KIT (04) - ELECTRICAL SYSTEMS
30
35
33
28
9
5
34
4
34
31
12
21
15
24
16
29
8
6
23
22
14
13
7
29
15
24
2
3
16
11
16
28
20
10
1
FIT
1:1
100%

Артикул

Название

Примечание

Количество

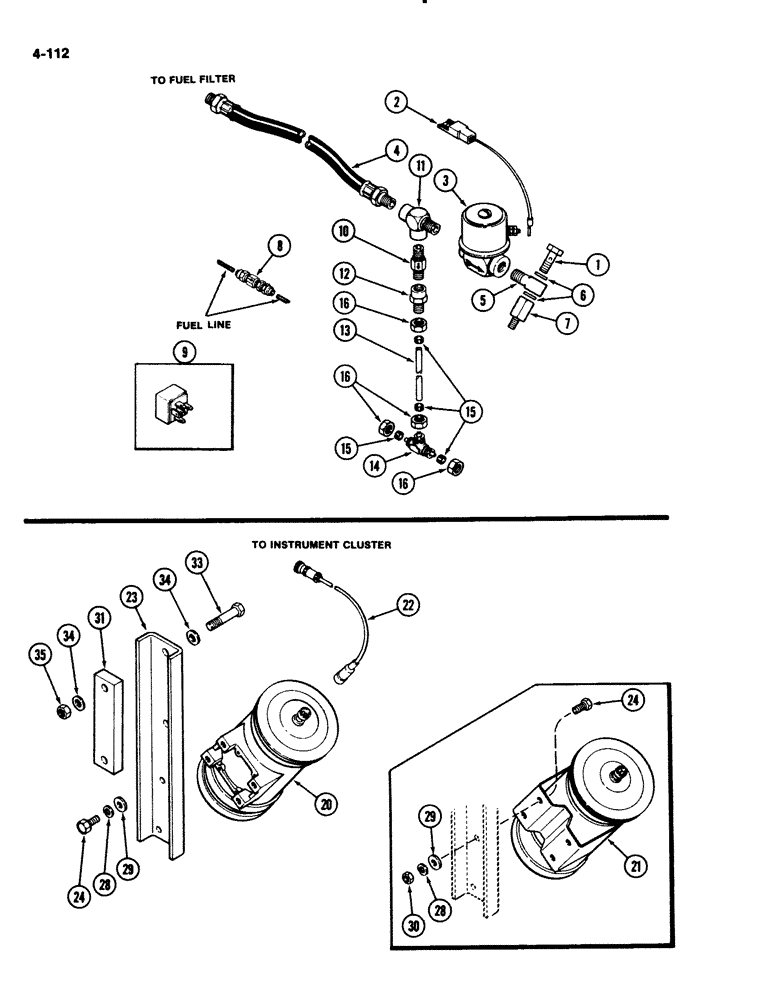
A180566

SHUTOFF KIT - engine automatic (Machinery Item) (Replaces A165226), Includes: Ref. 1 - 12

1шт.

1

A47945

BOLT

CONNECTOR BOLT - oil pressure, hollow

1шт.

2

A165227

ELECTRICAL WIRE

WIRE - switch to firewall connector

1шт.

3

A176720

VALVE

ASSEMBLY - fuel

1шт.

4

A47946

HOSE

- fuel, 15-3/8 inch long (391 mm)

1шт.

5

A47919

FITTING

- banjo type

1шт.

6

A27928

WASHER,14.22mm ID x 19.18mm OD x 2.06mm Thk

- banjo fitting, copper

2шт.

7

A47944

ADAPTER

- extension

1шт.

8

A48232

VALVE

- check

1шт.

9

A147176

RELAY

- 20 ampere

1шт.

10

A180904

VALVE

ASSEMBLY - relief, pressure

1шт.

11

217-51

TEE,1/4"-18 NPTF Fem x 1/4"-18 NPTF Male Run

- brass

1шт.

12

222-5132

FITTING,7/16"-24 x 1/4" NPT Fem

CONNECTOR - straight, 1/4 tube 7/16 thread x 1/4 inch PT

1шт.

13

A48233

HOSE - nylon, 1/4 OD x 9 inch long (6 x 229 mm) (Order L108947)

1шт.

14

222-2750

TEE

ASSEMBLY - 1/4 tube 7/16-14 inch thread, Includes: Ref. 15 and 16

1шт.

15

222-2610

SLEEVE

- 1/4 inch tube

3шт.

16

222-2600

NUT

NUT - hex, 7/16-14 inch thread

3шт.

A67547

GROUND SPEED ATTACHMENT - (Machinery Item), Includes: Ref. 20 - 35

1шт.

20

A177139

RELAY

SENSOR - ground speed (with tapped holes)

1шт.

21

A169110

SENSOR

- ground speed (Order A177139 sensor)

1шт.

22

A167862

HARNESS

- sensor

1шт.

23

A167568

BRACKET

- mounting, sensor

1шт.

24

113-207

BOLT,Hex, 3/8" - 16 x 1", Gr 5

2шт.

28

192-21

LOCK WASHER,3/8"

WASHER, LOCK, 3/8"

2шт.

29

195-525

WASHER,3/8", SAE

- flat, 13/32 x 13/16 x 1/16 inch (10 x 21 x 2 mm)

2шт.

30

129-103

NUT,Hex, 3/8" - 16, Gr 5

NUT, (Used with A169110 sensor) 3/8"-16, G5

2шт.

31

A167577

PLATE

- sensor clamp

1шт.

33

814-16070

BOLT,Hex, M16 x 2 x 70mm, Cl 8.8

2шт.

34

895-11016

WASHER,17.5mm ID x 30mm OD x 3mm Thk

Flat M16 x 30 x 3

4шт.

35

825-1116

NUT,M16, Cl 8

2шт.

Выбрано товаров: 30