Запчасти Case IH 2390 (5-158) - FRONT AXLE AND PIVOT, 104" WHEEL BASE (05) - STEERING

Схема запчастей Case IH 2390 - (5-158) - FRONT AXLE AND PIVOT, 104" WHEEL BASE (05) - STEERING
6
2
22
13
26
3
30
14
34
19
27
42
21
1
40
33
25
12
15
43
4
10
12
41
31
16
16
20
39
9
38
5
37
38
18
17
7
32
8
11
FIT
1:1
100%

Артикул

Название

Примечание

Количество

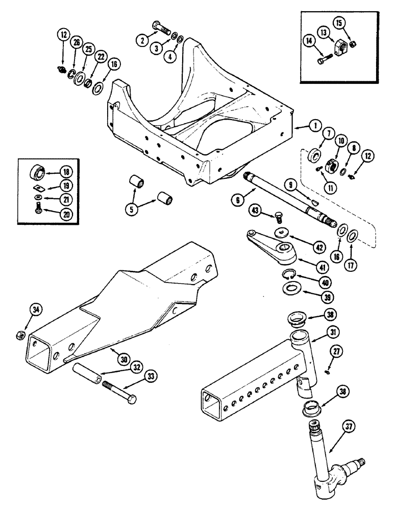
1

A160544

FRAME

SUPPORT - front axle

1шт.

2

26-1244

BOLT,Hex, 3/4" - 10 x 2-3/4", Gr 8

- 3/4 x 2-3/4" NC (Grade 8)

4шт.

3

195-45

WASHER,3/4"

4шт.

4

A26462

WASHER

- hardened, 49/64 x 1-1/4 x 5/64" (19.45 x 31.75 x 1.98 MM)

4шт.

5

A149887

BUSHING,34.95mm ID x 38.21mm OD x 50.8mm L

- pivot pin

2шт.

6

A160928

PIN,34.92mm OD x 581.66mm L

- axle pivot

1шт.

7

A160552

BUSHING,34.98mm ID x 63.5mm OD x 15.88mm L

COLLAR - front

1шт.

8

A160576

RING

- retaining

1шт.

9

126-43

WOODRUFF KEY,#128, 5/16" x 2 1/8"

KEY - Woodruff No. 129

1шт.

10

A161075

COLLAR

- pivot shaft lock, Includes: Ref. 11

1шт.

11

62-514

BOLT (SPREADER),5/16" - 24 x 7/8"

BOLT - 5/16 x 7/8" NF hex socket head

1шт.

12

219-1

LUBE NIPPLE,1/8" - 27 NPTF

FITTING - grease, 1/8" PT straight (Front)

2шт.

13

A160551

NUT

- pivot shaft lock (Order A161075 collar, see Ref 10)

1шт.

14

26-844

BOLT,Hex, 1/2" - 13 x 2-3/4", Gr 8

- 1/2 x 2-3/4" NC hex (Grade 8)

1шт.

15

131-10

NUT,1/2"-13, GB

NUT, LOCK, 1/2"-13, GB

1шт.

16

A149907

WASHER

- thrust, 1-13/32 x 2-1/2 x 1/16" (35.7 x 63.5 x 1.59 MM)

1шт.

17

A149890

WASHER

- thrust, 1-3/8 x 2-1/2 x 1/8" (34.92 x 63.5 x 3.17 MM)

1шт.

18

A160549

COLLAR

- lock, pivot pin (Prior to P.I.N. 9905953)

1шт.

19

A143426

LOCKING TAB

TAB - bolt lock (Prior to P.I.N. 9905953)

1шт.

20

26-820

BOLT,Hex, 1/2" - 13 x 1-1/4", Gr 8

1шт.

21

95-8

WASHER,1/2"

- 1/2 x 1-1/4 x 7/64" (12.7 x 31.75 x 2.78 mm)

1шт.

22

A160550

COLLAR

- half

2шт.

25

A160439

WASHER

- cup, rear

1шт.

26

R21976

RING

- retaining, rear

1шт.

27

219-1

LUBE NIPPLE,1/8" - 27 NPTF

FITTING - grease, 1/8" straight

2шт.

30

A149892

SHAFT

AXLE - center section (Without keyway) (Order A160930 and A46432)

1шт.

30

A160930

SHAFT

AXLE - center section (With keyway)

1шт.

31

A143540

SHAFT

AXLE - LH end section

1шт.

31

A143537

SHAFT

AXLE - RH end section (LH shown)

1шт.

32

A139628

BUSHING

SPACER - axle adjusting bolt

4шт.

33

113-814

BOLT,Hex, 7/8" - 9 x 7-1/2", Gr 5

- 7/8 x 7-1/2" NC hex (Grade 5)

4шт.

34

425-1014

NUT,7/8"-9, G5

NUT - 7/8" NC hex

4шт.

37

A161274

SPINDLE

- front wheel (Replaces A147118)

2шт.

38

A143358

BUSHING,57.05mm ID x 62.08mm OD x 25.7mm L

- spindle

4шт.

39

A35347

SHIM,.1345" Thk

Washer - Spindle retainer (1-49/64" x 3-1/4") (44.96 x 82.55 x 3.17 mm) .1345" Thk

2шт.

40

D25280

SNAP RING,#175, Ext

Ring, Snap, #175, Ext

2шт.

41

A147122

ARM

- steering, LH spindle

1шт.

41

A147121

ARM

- steering, RH spindle (LH shown)

1шт.

42

A161870

WASHER

- steering arm, 25/32 x 2-1/2 x 5/16" (19.81 x 63.50 x 7.87 MM)

2шт.

43

113-709

BOLT,Hex, 3/4" - 10 x 1-1/2", Gr 5

- 3/4 x 2-1/2" NC hex (Grade 5)

2шт.

Выбрано товаров: 40