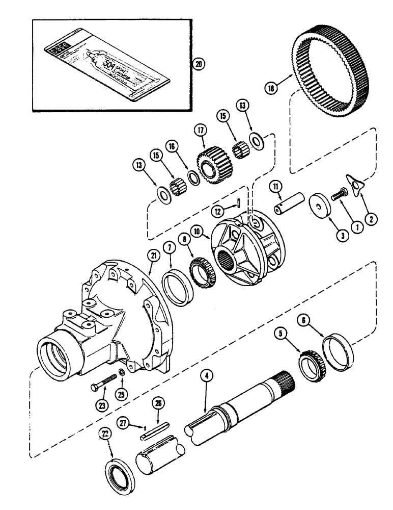
Запчасти Case IH 2390 (6-202) - REAR AXLE, HOUSING AND PLANETARY GEARS, LONG AXLE, 45-25/32" LONG (1162.51 MM) (06) - POWER TRAIN

Схема запчастей Case IH 2390 - (6-202) - REAR AXLE, HOUSING AND PLANETARY GEARS, LONG AXLE, 45-25/32" LONG (1162.51 MM) (06) - POWER TRAIN
26
22
20
27
16
2
11
13
6
7
15
1
18
10
4
17
23
8
21
12
13
25
5
3
15
FIT
1:1
100%

Артикул

Название

Примечание

Количество

1

26-1436

BOLT,Hex, 7/8" - 9 x 2-1/4", Gr 8

- 7/8 x 2-1/4" NC hex (Grade 8)

2шт.

2

A63221

PLATE

- bearing lock

2шт.

3

A63220

PLATE

- retaining, rear axle

2шт.

4

A151846

SHAFT

- rear axle, 3-7/8" diameter (98.42 MM)

2шт.

5

A63217

ROLLER BEARING,100 mm ID x 160 mm OD x 41.20 mm

CONE - bearing, outer, 3-15/16" ID (100.07 MM)

2шт.

6

A63215

CUP

- bearing, outer, 6-19/64" OD (160.02 MM)

2шт.

7

A63214

CUP

- bearing, inner, 6-7/64" OD (155.19 MM)

2шт.

8

A63216

ROLLER BEARING,89.98mm ID x 44mm W

CONE - bearing, inner, 3-35/64" ID (90.17 MM)

2шт.

10

A148018

CARRIER

- planet gear

2шт.

11

A151874

PIN

- planet gear, with 3/8" hole (9.65 MM)

6шт.

12

138-2006

PIN,3/8" x 1", Coiled

- roll, 3/8 x 3/4" spirol

6шт.

13

A67116

WASHER

- planet pin roller, 1-21/32 x 3 x 1/32" (42.16 x 76.2 x 0.76 MM)

12шт.

15

A47252

ROLLER BEARING

BEARING - roller, planet gear (Includes 38 rollers)

2шт.

16

A67117

SPACER

- roller bearing separator, 1-3/4 x 2-9/32 x 5/64" (44.45 x 57.91 x 2.03 MM)

6шт.

17

A153937

GEAR

- planet, rear axle (Replaces A153220)

6шт.

18

A151934

GEAR

- planetary ring

2шт.

20

B17428

LOCTITE

- gasket eliminator (2 oz - 50cc tube)

1шт.

21

A153968

HOUSING

- rear axle

2шт.

22

A63218

OIL SEAL

- oil, rear axle

2шт.

23

26-1072

BOLT,Hex, 5/8" - 11 x 4-1/2", Gr 8

- 5/8 x 4-1/2" NC hex (Grade 8)

24шт.

25

A64303

WASHER

- hardened steel

24шт.

26

A63219

KEY

- axle, 3/4" square x 6" long

2шт.

27

138-127

LOCK PIN,1/4" x 1/2", Slotted

PIN, (M6.35 x 12.7) 1/4" x 1/2", Slotted

2шт.

Выбрано товаров: 23