Запчасти Case IH 2390 (8-256) - GEAR AND PISTON PUMP (08) - HYDRAULICS

Схема запчастей Case IH 2390 - (8-256) - GEAR AND PISTON PUMP (08) - HYDRAULICS
4
20
15
1
11
13
12
25
24
2
16
6
14
22
3
17
9
21
7
24
10
18
8
23
19
5
FIT
1:1
100%

Артикул

Название

Примечание

Количество

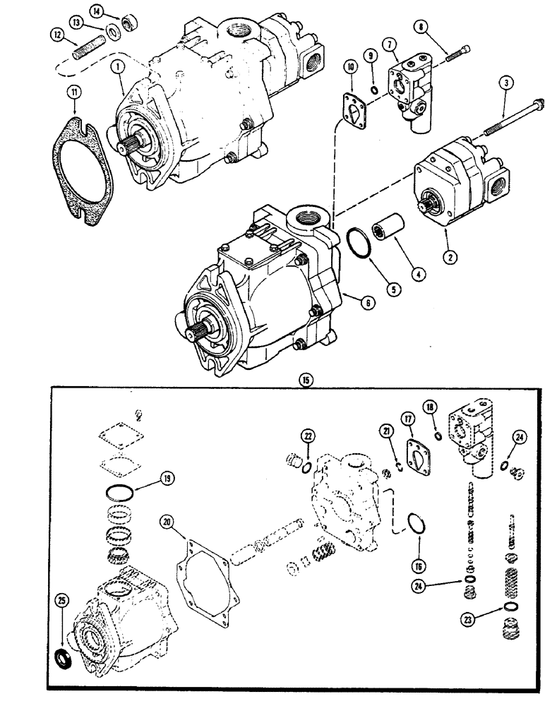
1

A163167

PUMP

ASSEMBLY - hydraulic (Replaces A141787), Includes: Ref. 2 - 10

1шт.

2

REF

INSTRUCTION

PUMP ASSEMBLY - gear section (See Figure 8-262)

1шт.

3

A47412

SCREW,M8 x 100mm

- metric

2шт.

4

A47312

COUPLING, BREAK AWAY

COUPLING - gear pump to piston pump

1шт.

5

F98069

O-RING

- pump seal (In A47567 kit)

1шт.

6

NSS

NOT SOLD SEPARAT

PUMP ASSEMBLY - piston section (See Figure 8-258)

1шт.

7

REF

INSTRUCTION

COMPENSATOR ASSEMBLY (See Figure 8-264)

1шт.

8

165-26

HEX SOC SCREW,#10 - 24 x 1 1/4"

SCREW - #10 x 1-1/4" NC socket head

4шт.

9

A138385

O-RING,0.07" Thk x 0.301" ID, -11, Cl 6, 90 Duro

- 5/16 x 7/16 x 1/16" (7.94 x 11.11 x 1.59 MM) (In A47567 kit)

1шт.

10

A47328

GASKET

- compensator (In A47567 kit)

1шт.

11

A141828

GASKET

- pump mounting

1шт.

12

A160002

STUD

- 1/2" NC x 2-1/4"

2шт.

13

L30674

WASHER

- 7/32 x 1 x 1/8" (5.56 x to 25.4 x 3.17 MM)

2шт.

14

129-105

NUT,Hex, 1/2" - 13, Gr 5

2шт.

A47643

SEAL

KIT - gear pump seal (Not shown)

1шт.

15

A47567

KIT

- complete, pump repair, Includes: Ref. 16 - 25

1шт.

16

F98069

O-RING

- gear pump to piston pump (See above)

1шт.

17

A47328

GASKET

- compensator (See above)

1шт.

18

A138385

O-RING,0.07" Thk x 0.301" ID, -11, Cl 6, 90 Duro

- 5/16 x 7/16 x 1/16" (7.94 x 11.11 x 1.59 MM) (See above)

1шт.

19

S5730

O-RING,0.103" Thk x 2.05" ID, -137, Cl 5, 75 Duro

- yoke cover, piston pump (See Figure 8-258)

2шт.

20

A47280

GASKET,0.53mm Thk

- block, piston pump (See Figure 8-260)

1шт.

21

H756783

O-RING,0.103" Thk x 0.487" ID, -112, Cl 6, 90 Duro

- 1/2 x 11/16 x 3/32" (12.7 x 17.45 x 2.36 MM) (See Figure 8-260)

1шт.

22

237-6010

O-RING,0.097" Thk x 0.755" ID, -910, Cl 6, 90 Duro

- 3/4 x 61/64 x 3/32" (19.05 x 24.21 x 2.38 MM) (See Figure 8-260)

1шт.

23

A65918

O-RING,0.551" ID x 0.691" OD

- 9/16 x 11/16 x 1/16" (14.22 x 17.53 x 1.59 MM) (See Figure 8-264)

1шт.

24

218-5003

O-RING,0.072" Thk x 0.351" ID, -904, Cl 6, 90 Duro

- 11/32 x 1/2 x 5/64" (8.73 x 12.7 x 1.98 MM) (See Figure 8-264)

2шт.

25

A47480

SEAL,25.35mm ID x 44.78mm OD x 7.57mm Thk

- oil (Not used this pump)

1шт.

Выбрано товаров: 26