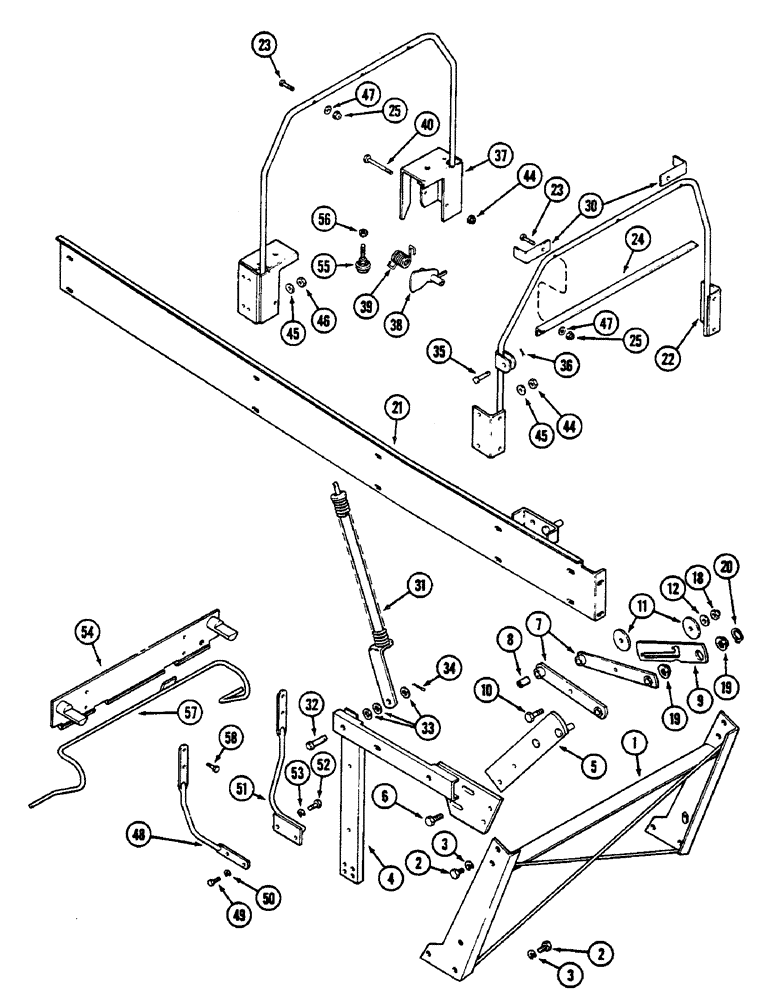
Запчасти Case IH 2390 (9-326) - HOOD SUPPORTS, HINGE AND LATCH (09) - CHASSIS/ATTACHMENTS

Схема запчастей Case IH 2390 - (9-326) - HOOD SUPPORTS, HINGE AND LATCH (09) - CHASSIS/ATTACHMENTS
24
7
25
54
19
38
46
36
5
12
31
47
3
55
2
9
1
3
58
40
51
4
11
21
50
45
18
33
47
56
32
45
44
19
25
53
37
10
8
57
44
34
35
6
39
49
48
30
2
52
22
23
20
23
FIT
1:1
100%

Артикул

Название

Примечание

Количество

1

A145660

SUPPORT

- hood front

1шт.

2

187-1332

SELF-TAP SCREW,Hex Washer, 3/8" - 16 x 5/8"

BOLT - 3/8 x 5/8" NC hex self-threading

9шт.

2

113-206

BOLT,Hex, 3/8" - 16 x 3/4", Gr 5, Full Thd

1шт.

3

192-21

LOCK WASHER,3/8"

WASHER, LOCK, 3/8"

10шт.

4

A145679

CHANNEL

- hood, RH

1шт.

4

A145678

CHANNEL

- hood, LH

1шт.

5

NLS

NO LONGER SERVICED

- hinge support, RH

1шт.

5

A147613

BRACKET

- hinge support, LH

1шт.

6

121-226

SERRATED BOLT,Hex, 3/8" - 16 x 1"

4шт.

7

A163392

LINK

- hood tilt (Replaces A147610 and A160669), Includes: Ref. 8

4шт.

8

A59809

BUSHING,12.8mm ID x 15.93mm OD x 25.4mm L

- hood tilt link

2шт.

9

A147632

LEVER

- hood lock

1шт.

10

113-208

BOLT,Hex, 3/8" - 16 x 1-1/4", Gr 5

1шт.

11

195-2174

WASHER,13/32" x 2" x .109"

- 3/8 x 2 x 1/8" (9.52 x 50.8 x 3.17 MM)

2шт.

12

195-104

WASHER,3/8"

- 7/16 x 1 x 5/64" (11.11 x 25.4 x 1.98 MM)

1шт.

18

131-206

NUT,3/8"-16

NUT - 3/8" hex elastic

1шт.

19

131-425

PUSH-ON NUT,Push, 1/2"

NUT, LOCK, (Replaces A143129) Push, 1/2"

8шт.

20

B18208

SNAP RING,#100, Ext

hood lock lever #100, Ext

1шт.

21

A145730

FRAME

- hood, RH

1шт.

21

A145732

FRAME

- hood, LH

1шт.

22

A145704

BRACE

- hood and cylinder

1шт.

23

113-5

BOLT,Hex, 1/4" - 20 x 1-1/2", Gr 5

Hex, 1/4"- 20 x 1 1/2", G5

6шт.

24

A149068

BRACKET

ANGLE - support, center

1шт.

25

131-204

NUT,1/4"-20

NUT - 1/4" NC hex elastic

3шт.

30

A149342

BRACKET

- hood support

2шт.

31

A147817

GAS STRUT,952.5mm Extended, 609.6mm Compressed

- hood lift

2шт.

32

141-63

CLEVIS PIN,1/2" x 1 11/16'"

PIN - 1/2" clevis

2шт.

34

132-56

COTTER PIN,Ext Prong Sq Cut, 1/8" x 2"

Pin, Split (Cotter), 1/8" x 2"

2шт.

33

195-106

WASHER,1/2"

- 9/16 x 1-3/8 x 7/64" (14.29 x 34.92 x 2.78 MM)

4шт.

35

141-62

CLEVIS PIN,1/4" x 1.219"

PIN - 1/4" clevis

2шт.

36

132-10

X,1/16" x 1 1/8"

PIN - 1/16 x 1" cotter

2шт.

37

A147213

HARNESS

BRACE - hood support, rear

1шт.

38

A147728

TRIGGER

- hood

2шт.

39

A147730

SPRING

- torsion, hood lock

2шт.

40

113-53

BOLT,Hex, 1/4" - 20 x 3-1/4", Gr 5

2шт.

44

131-204

NUT,1/4"-20

NUT - 1/4" NC hex elastic

2шт.

45

195-103

WASHER,5/16"

- 3/8 x 7/8 x 5/64" (9.52 x 22.22 x 1.98 MM)

20шт.

46

131-205

LOCK NUT,5/16"-18

NUT - 5/16" NC hex elastic

20шт.

47

195-102

WASHER,1/4"

- 5/16 x 3/4 x 1/16" (7.94 x 19.05 x 1.59 mm)

6шт.

48

A147218

BRACE

ROD - hood support, RH rear

1шт.

49

113-102

BOLT,Hex, 5/16" - 18 x 3/4", Gr 5

Hex, 5/16"-18 x 3/4", G5, Full Thd

2шт.

50

192-20

LOCK WASHER,Helical Spring, 0.318" ID, CST, ZND

WASHER, LOCK, 5/16"

2шт.

51

A147219

ROD

- hood support, LH rear

1шт.

52

113-206

BOLT,Hex, 3/8" - 16 x 3/4", Gr 5, Full Thd

2шт.

53

192-21

LOCK WASHER,3/8"

WASHER, LOCK, 3/8"

2шт.

54

A147221

SUPPORT

- rear

1шт.

55

A145178

WAD

BUMPER - hood stop

2шт.

56

9635082

NUT,5/16" - 18, Gr 5

2шт.

57

A147749

HANDLE

- hood release

1шт.

58

121-132

BOLT - 5/16 x 3/4" NC hex Whiz lock (Grade 5)

4шт.

Выбрано товаров: 50