Запчасти Case IH 2390 (9-410) - AIR CONDITIONING, COMPRESSOR MOUNTING AND DRIVE, P.I.N.9906496 AND AFTER (09) - CHASSIS/ATTACHMENTS

Схема запчастей Case IH 2390 - (9-410) - AIR CONDITIONING, COMPRESSOR MOUNTING AND DRIVE, P.I.N.9906496 AND AFTER (09) - CHASSIS/ATTACHMENTS
20
14
2
9
12
15
23
17
3
27
13
22
25
18
6
1
20
10
21
11
16
8
4
10
24
5
26
FIT
1:1
100%

Артикул

Название

Примечание

Количество

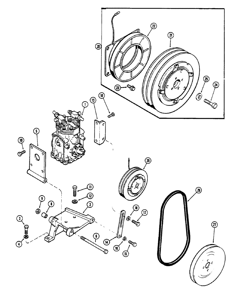
1

REF

INSTRUCTION

COMPRESSOR - air conditioning (See Figure 9-414)

1шт.

2

A161525

SUPPORT

- compressor tilt mount

1шт.

3

13-822

BOLT,Hex, 1/2" - 13 x 1-3/8", Gr 5, Full Thd

2шт.

4

92-8

LOCK WASHER,1/2"

2шт.

5

A161611

SUPPORT

- compressor tilt

1шт.

6

113-2420

BOLT,Hex, 1/2" - 13 x 7-1/2", Gr 5

- 1/2 x 7-1/2" NC hex (Grade 5)

1шт.

8

A161610

SPACER

- 1/2 x 3/4 x 1-1/4" (12.7 x 18.98 x 31.75 MM)

1шт.

9

131-1182

LOCK NUT,1/2"-13, GA

NUT - 1/2" NC lock

1шт.

10

121-228

SERRATED BOLT,Hex, 3/8" - 16 x 3/4"

6шт.

11

113-209

BOLT,Hex, 3/8" - 16 x 1-1/2", Gr 5

2шт.

12

193-110

LOCK WASHER,Ext Tooth, 3/8"

WASHER - 3/8" external Shakeproof

2шт.

13

A145520

BRACKET

ANGLE - tilt mount adjusting

1шт.

14

A145521

STRAP

- tilt mount adjusting

1шт.

15

113-207

BOLT,Hex, 3/8" - 16 x 1", Gr 5

1шт.

16

192-21

LOCK WASHER,3/8"

WASHER, LOCK, 3/8"

1шт.

17

113-103

BOLT,Hex, 5/16" - 18 x 1", Gr 5

1шт.

18

195-103

WASHER,5/16"

- 3/8 x 7/8 x 3/32" (9.52 x 22.22 x 2.38 MM)

1шт.

20

A162008

CLUTCH

ASSEMBLY - compressor (Warner Electric no. 1-1411-45B), Includes: Ref. 21 - 25

1шт.

21

NSS

NOT SOLD SEPARAT

PULLEY - rotor

1шт.

22

NSS

NOT SOLD SEPARAT

FIELD - pulley

1шт.

23

121-3

SERRATED BOLT,Hex, 1/4" - 20 x 1/2", Gr 5

4шт.

24

114-100

BOLT,Hex, 5/16" - 24 x 1-1/4", Gr 5

- 5/16 x 1-1/4" NF hex (Grade 5)

1шт.

25

A27343

BUSHING

SPACER - clutch, 11/32 x 15/16 x 7/64" (8.73 x 23.81 x 2.78 MM)

1шт.

26

51200857

BELT,0.53" W x 44.55" L

Compressor drive 0.53" W x 44.55" L

1шт.

27

A145140

PULLEY

- compressor drive (On water pump)

1шт.

Выбрано товаров: 25