Запчасти Case IH 2390 (2-43) - CRANKSHAFT AND FLYWHEEL, 504BDT, DIESEL ENGINE, ENGINE SERIAL NO. 10326239 AND AFTER (02) - ENGINE

Схема запчастей Case IH 2390 - (2-43) - CRANKSHAFT AND FLYWHEEL, 504BDT, DIESEL ENGINE, ENGINE SERIAL NO. 10326239 AND AFTER (02) - ENGINE
8
9
37
5
5
12
3
11
4
41
15
6
5
4
24
36
2
29
20
14
23
4
5
28
35
4
1
42
13
31
30
10
7
22
21
40
FIT
1:1
100%

Артикул

Название

Примечание

Количество

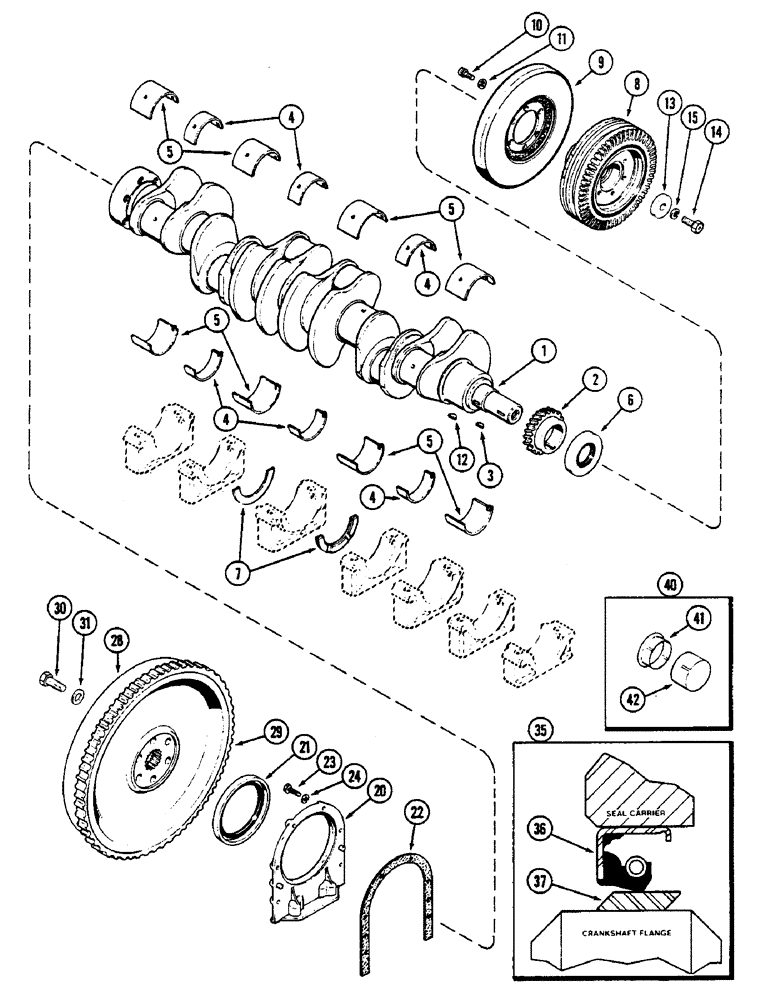
1

A77270

CRANKSHAFT

ASSEMBLY - engine, Includes: Ref. 2 and 3

1шт.

2

A66404

GEAR

- crankshaft front

1шт.

3

126-129

WOODRUFF KEY,#C, 5/16" x 1 1/8", HT

Gear #C, 5/16" x 1 1/8", HT

1шт.

4

A43089

BEARING LINER

LINER - main bearing, narrow, Standard (Set of 2)

3шт.

4

A43120

LINING

LINER - main bearing, narrow 0.002" undersize (0.05 MM) (Set of 2)

3шт.

4

A43121

SET OF CONN ROD BRGS STD

LINER - main bearing, narrow 0.010" undersize (0.25 MM) (Set of 2)

3шт.

4

A43122

LINING

LINER - main bearing, narrow 0.020" undersize (0.50 MM) (Set of 2)

3шт.

4

A43123

SET OF CONN ROD BRGS STD

LINER - main bearing, narrow 0.030" undersize (0.76 MM) (Set of 2)

3шт.

5

A43090

BEARING LINER

LINER - main bearing, wide, standard (Set of 2)

4шт.

5

A43124

LINING

LINER - main bearing, wide 0.002" undersize (0.05 MM) (Set of 2)

4шт.

5

A43125

CRANKSHAFT BEARING

LINER - main bearing, wide 0.010" undersize (0.25 MM) (Set of 2)

4шт.

5

A43126

LINING

LINER - main bearing, wide 0.020" undersize (0.50 MM) (Set of 2)

4шт.

5

A43127

LINING

LINER - main bearing, wide 0.030" undersize (0.76 MM) (Set of 2)

4шт.

6

A62049

OIL SEAL

- oil, crankshaft fron 2-5/8 x 3-5/8 x 1/2" (66.55 x 82.08 x 12.7 MM) (See Ref 40)

1шт.

7

A58565

WASHER

- thrust, crankshaft (Standard) 0.157" thick (3.99 MM)

2шт.

7

A42447

WASHER

- thrust, crankshaft (Oversize) 0.163" thick (4.14 MM)

1шт.

8

A154908

PULLEY

- fan drive

1шт.

9

A151598

DAMPER

- pulley viscous

1шт.

10

166-87

BOLT,Flg, 1/2" - 13 x 1 1/2", Gr 8

SCREW - 1/2 x 1-1/2" NC Ferry head

6шт.

11

L30674

WASHER

- 17/32 x 1 x 1/8" (13.46 x 25.4 x 3.05 MM)

6шт.

12

126-129

WOODRUFF KEY,#C, 5/16" x 1 1/8", HT

Pulley #C, 5/16" x 1 1/8", HT

1шт.

13

A156428

WASHER

- drive pulley, 21/32 x 2-1/8 x 23/64" (16.67 x 53.97 x 9.02 MM)

2шт.

14

114-613

BOLT,Hex, 5/8" - 18 x 1-1/2", Gr 5

SCREW - drive pulley, 5/8 x 1-1/2" NF hex.

1шт.

15

92-10

LOCK WASHER,5/8"

WASHER, LOCK, 5/8"

1шт.

20

A57457

RETAINER

- crankshaft rear oil seal

1шт.

21

A62050

OIL SEAL

- oil, crankshaft rear, 4-3/4 x 5-3/4 x 1/2" (120.65 x 146.05 x 12.7 MM) (See Ref 35)

1шт.

22

A32830

GASKET

- retainer

1шт.

23

193-554

SCREW,SEMS, Hex Hd, 3/8"-16 x 1 1/4", G5

BOLT - 3/8 x 1-1/4" NC hex (Includes lockwasher)

6шт.

28

A153946

FLYWHEEL

ASSEMBLY (Replaces A66613), Includes: Ref. 29

1шт.

29

A27920

GEAR

- ring, 137 teeth

1шт.

30

28-1028

BOLT,Hex, 5/8" - 18 x 1-3/4", Gr 8

- 5/8 x 1-3/4" NF hex (Grade 8)

6шт.

31

A58629

BEARING WASHER,16.66mm ID x 25.4mm OD x 3.04mm Thk

WASHER - hardened

6шт.

35

A43194

KIT

- wear seal, crankshaft rear, Includes: Ref. 36 and 37

1шт.

36

NSS

NOT SOLD SEPARAT

SEAL - oil, rear

1шт.

37

NSS

NOT SOLD SEPARAT

SLEEVE - wear

1шт.

40

A154684

SLEEVE

KIT - wear seal, crankshaft front, Includes: Ref. 41 and 42

1шт.

41

NSS

NOT SOLD SEPARAT

SLEEVE - wear

1шт.

42

NSS

NOT SOLD SEPARAT

TOOL - installation

1шт.

Выбрано товаров: 38