Запчасти Case IH 2390 (4-098) - CAB, HEADLINER WIRING HARNESS, CAB SERIAL NO. 12013067 THROUGH 12050250 (04) - ELECTRICAL SYSTEMS

Схема запчастей Case IH 2390 - (4-098) - CAB, HEADLINER WIRING HARNESS, CAB SERIAL NO. 12013067 THROUGH 12050250 (04) - ELECTRICAL SYSTEMS
7
18
22
4
5
3
8
23
20
15
11
16
17
14
2
9
18
12
10
6
1
13
21
FIT
1:1
100%

Артикул

Название

Примечание

Количество

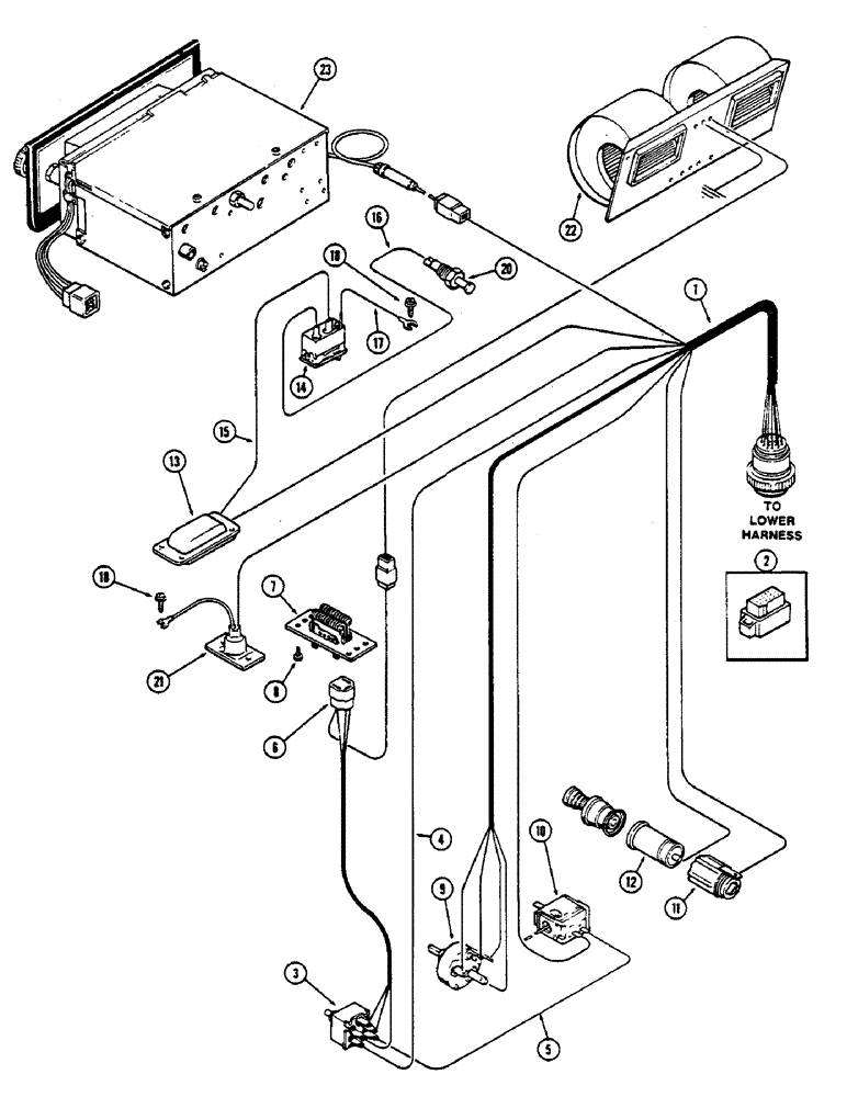
1

F64546

HARNESS

ASSEMBLY - headliner wiring (Cab serial no. 12022944 through 12050250) (Order F98195)

1шт.

2

F64478

HARNESS

ASSEMBLY - headliner wiring (Prior to cab serial no. 12022944)

1шт.

3

REF

INSTRUCTION

SWITCH - blower (See Figure 9-396)

1шт.

4

F64443

ELECTRICAL WIRE

WIRE - switch to blower motor, red 88" (2235.2 MM)

1шт.

5

A42624

ELECTRICAL WIRE

WIRE - blower switch to air conditioner switch, black 6" (152.4 MM)

1шт.

6

F64222

HARNESS

- wire, blower switch resistor (Cab serial no. 12008153 and after)

1шт.

7

F44900

RESISTOR

- voltage (Cab serial no. 12008153 and after)

1шт.

8

187-579

SELF-TAP SCREW,Hex Wash Hd, #10 x 1/2"

SCREW - self - tapping, #10-16 x 1/2" washer head

2шт.

9

REF

INSTRUCTION

SWITCH - wiper (See Figure 9-396)

1шт.

10

REF

INSTRUCTION

SWITCH - air conditioner (See Figure 9-396)

1шт.

11

REF

INSTRUCTION

SHELL - lighter socket (See Figure 9-396)

1шт.

12

REF

INSTRUCTION

SOCKET - lighter (See Figure 9-396)

1шт.

13

REF

INSTRUCTION

LAMP - dome (See Figure 9-380)

1шт.

14

REF

INSTRUCTION

SWITCH - dome lamp (See Figure 9-380)

1шт.

15

F64126

ELECTRICAL WIRE

WIRE - switch to lamp, black 4" (101.6 MM)

1шт.

16

F64127

ELECTRICAL WIRE

WIRE - switch to door switch, white 70" (1778 MM)

1шт.

17

F64476

WIRE - switch to ground, black 15" (381 MM)

1шт.

18

187-1088

SELF-TAP SCREW,Hex Wash Hd, #10 x 1/2"

SCREW - self-tapping, #10-16 x 1/2" Phillips pan head

2шт.

20

F63895

SWITCH

- lamp, door opening

1шт.

21

REF

INSTRUCTION

LAMP - console (See Figure 9-380)

1шт.

22

REF

INSTRUCTION

BLOWER ASSEMBLY - (See Figure 9-384)

1шт.

23

REF

INSTRUCTION

RADIO - (See Figure 9-402 and 9-404)

1шт.

Выбрано товаров: 22