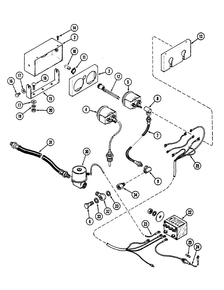
Запчасти Case IH 2390 (4-143) - ENGINE AUTOMATIC SHUTOFF KIT (04) - ELECTRICAL SYSTEMS

Схема запчастей Case IH 2390 - (4-143) - ENGINE AUTOMATIC SHUTOFF KIT (04) - ELECTRICAL SYSTEMS
14
11
4
6
20
34
33
18
30
32
15
2
3
8
31
23
9
10
5
33
25
17
35
7
24
22
12
19
17
13
16
FIT
1:1
100%

Артикул

Название

Примечание

Количество

A163347

KIT

SHUTOFF KIT - engine automatic (Machinery item), Includes: Ref. 2 - 35

1шт.

2

A47906

PANEL

- gauge

1шт.

3

A47908

PLATE

- gauge holder

1шт.

4

A47911

GAUGE

ASSEMBLY - water temperature

1шт.

5

A47910

GAUGE

ASSEMBLY - oil pressure

1шт.

6

A47945

BOLT

CONNECTOR BOLT - oil pressure, hollow

1шт.

7

A47943

HOSE,0.078" Thk x 0.468" ID, -906, Cl 6, 90 Duro

- oil pressure, 90" long (2286.0 MM)

1шт.

8

218-933

ELBOW,90 Degree, 1/8" NPTF Male x 1/8" NPSM Fem Sw

- 1/8" PT, 90 degree

1шт.

9

218-1403

FITTING

ELBOW - 1/8" PT, 90 degree

1шт.

10

B50213

BULB

- light, No. 53

1шт.

11

A47916

CLAMP

- retaining

1шт.

12

A47915

SOCKET

ASSEMBLY - light

1шт.

13

A47907

COVER

- panel, rear

1шт.

14

182-525

SCREW,Sl Pan Hd, #10 - 32 x 3/8"

- #6 x 3/8" NC pan head

2шт.

15

A47909

BRACKET

- panel mounting

1шт.

16

163-8

SCREW - #10 x 1/2" NF hex

2шт.

17

195-518

WASHER,1/4", SAE

- 9/32 x 5/8 x 5/64" (7.14 x 15.87 x 1.98 mm)

4шт.

18

412-410

CARRIAGE BOLT,Short Sq Nk 1/4" - 20 x 5/8", Gr 2

BOLT - 1/4 x 3/4" NC round head

2шт.

19

192-19

LOCK WASHER,Helical Spring, 0.256" ID, CST, ZND

WASHER, LOCK, 1/4"

2шт.

20

7770

NUT,Hex, 1/4 - 20, Cl 5

1/4"-20, G5

2шт.

22

A47925

SWITCH

ASSEMBLY - magnetic

1шт.

23

A47926

WIRE - switch to fuel valve, 79" long (2006.6 MM)

1шт.

24

A47927

ELECTRICAL WIRE

WIRE AND FUSE HOLDER ASSEMBLY - switch to ignition switch

1шт.

25

223-14

FUSE,10 Amp, Type SFE

- wire, SFE 14 ampere

1шт.

30

A47917

VALVE

ASSEMBLY - fuel

1шт.

31

A47946

HOSE

- fuel, 15-3/8" long (390.52 MM)

1шт.

32

A47919

FITTING

- banjo type

1шт.

33

A27928

WASHER,14.22mm ID x 19.18mm OD x 2.06mm Thk

- banjo fitting, copper

2шт.

34

A47944

ADAPTER

- extension

1шт.

35

A47913

HARNESS

ASSEMBLY - wire

1шт.

Выбрано товаров: 30