Запчасти Case IH 2394 (6-026) - TORQUE LIMITER AND PUMP DRIVE, 12 SPEED TRANSMISSION (06) - POWER TRAIN

Схема запчастей Case IH 2394 - (6-026) - TORQUE LIMITER AND PUMP DRIVE, 12 SPEED TRANSMISSION (06) - POWER TRAIN
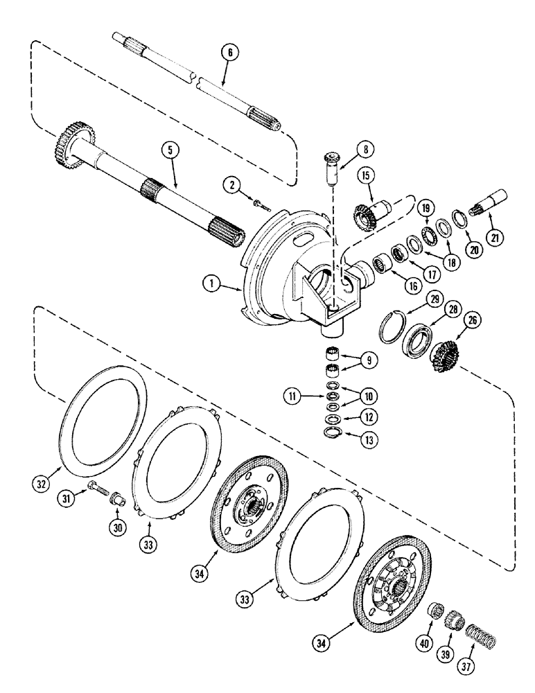
6
32
18
34
37
40
31
21
1
33
33
17
39
28
9
2
29
11
15
34
10
5
20
13
26
12
19
8
16
30
FIT
1:1
100%

Артикул

Название

Примечание

Количество

1

A153446

HOUSING

HOUSING - pump drive

1шт.

2

413-632

BOLT,Hex, 3/8" - 16 x 2", Gr 5

BOLT, Hex, 3/8"-16 x 2", G5

6шт.

5

A168984

SHAFT

SPARE PART SHAFT - planetary input drive

1шт.

Transmission serial no. 16260432 and after.

1шт.

5

A151828

SHAFT

SHAFT - planetary inout drive

1шт.

Prior to transmission serial no. 16260432.

1шт.

6

A152396

SHAFT

SHAFT - PTO drive, front

1шт.

8

A63074

GEAR

GEAR - bevel, charging pump

1шт.

9

A63065

NEEDLE BEARING,Needle, 28.57mm ID x 34.92mm OD x 19.05mm W

BEARING - needle

2шт.

10

A63075

THRUST BEARING,0.887" ID x 1.417" OD x 0.063"

RACE - thrust bearing

2шт.

11

F19633

NEEDLE BEARING,22.27mm ID x 36.24mm OD x 1.98mm W

BEARING - thrust, needle

1шт.

12

A63076

WASHER

RACE - thrust bearing

1шт.

13

A64081

RING

RING - retaining, internal 0.094 inch

1шт.

13

A64082

RING

RING - retaining, internal 0.084 inch

1шт.

13

A64083

RING

RING - retaining, internal 0.074 inch

1шт.

15

A144805

GEAR

GEAR - bevel, dual pump

1шт.

16

A144861

NEEDLE BEARING

BEARING - roller

1шт.

17

A144862

NEEDLE BEARING,1.625" ID x 2.0005" OD x 0.625"

BEARING - roller

1шт.

18

A50673

BEARING WASHER,38.27mm ID x 55mm OD x 3.16mm Thk

RACE - thrust bearing

2шт.

19

T41022

THRUST BEARING,38.22mm ID x 55.17mm OD x 1.98mm W

BEARING - thrust, needle

1шт.

20

A144792

RING

RING - retaining, internal 0.094 inch

1шт.

20

A144793

RING

RING - retaining, internal 0.084 inch

1шт.

20

A144794

RING

RING - retaining, internal 0.074 inch

1шт.

21

A140942

COUPLING, BREAK AWAY

COUPLING - pump drive

1шт.

26

A151827

GEAR

GEAR - pump drive

1шт.

28

A54073

BALL BEARING,2.5591" ID x 3.937" OD x 0.7087"

BEARING - ball

1шт.

29

A31234

RING

RING - retaining

1шт.

30

A155865

RETAINER

RETAINER - torque limiter spring

6шт.

31

326-840

BOLT,Hex, 1/2" - 13 x 2-1/2", Gr 8

BOLT, Hex, 1/2"-13 x 2 1/2", G8

6шт.

32

A64370

SPRING

SPRING - belleville (Yellow color code)

1шт.

33

A155859

PLATE

PLATE - pressure

2шт.

34

1981314C1

TORQUE LIMITER,301.75mm OD

PLATE - torque limiter (Replaces A157381)

2шт.

34

1981314C1R

REMAN-CLUTCH DISC

Clutch Plate

2шт.

34

1981314C1C

CORE-CLUTCH DISC

Return Part Number

2шт.

37

A65416

SPRING

SPRING - input drive shaft

1шт.

39

A66610

SLEEVE

SLEEVE - drive shaft

1шт.

40

A76482

BUSHING,20T

BUSHING - drive shaft

1шт.

Выбрано товаров: 37