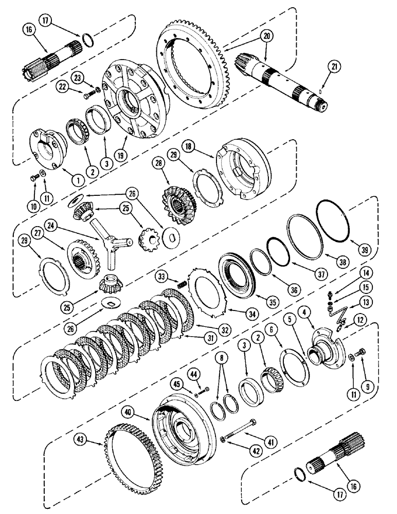
Запчасти Case IH 2394 (6-052) - DIFFERENTIAL, BEARING CARRIER, CAGE, SIDE GEAR AND SHAFT, PRIOR TO TRANSMISSION SERIAL NO. 16260432 (06) - POWER TRAIN

Схема запчастей Case IH 2394 - (6-052) - DIFFERENTIAL, BEARING CARRIER, CAGE, SIDE GEAR AND SHAFT, PRIOR TO TRANSMISSION SERIAL NO. 16260432 (06) - POWER TRAIN
14
38
26
23
41
40
31
1
16
26
34
29
17
18
28
12
13
3
35
43
5
11
22
25
27
2
32
42
16
24
11
3
17
44
37
21
2
8
20
25
45
15
33
39
29
19
36
6
4
10
9
FIT
1:1
100%

Артикул

Название

Примечание

Количество

1

A63190

CARRIER,2.4" ID x 7.4" OD x 3.49"

- differential bearing, right

1шт.

2

A63185

ROLLER BEARING,85 mm ID x 130 mm OD x 24, 30.20 mm

CONE - bearing, ring gear cage (Order 622336C1)

2шт.

2

A63171

BEARING CUP,85 mm ID x 130 mm OD x 30.2 mm

CUP - bearing, ring gear cage

2шт.

4

A148761

CARRIER

- differential bearing, left, Includes: Ref. 5

1шт.

5

211-204

BALL

- 3/16 inch, grade 200, chrome alloy steel

1шт.

6

A63186

SHIM,.015" Thk

Brg. carrier .015" Thk

1шт.

6

A63187

SHIM,.007" Thk

Brg. carrier .007" Thk

1шт.

6

A63188

SHIM,.005" Thk

Brg. carrier .005" Thk

1шт.

8

A63192

RING

- seal, bearing carrier

2шт.

9

413-822

BOLT,Hex, 1/2" - 13 x 1-3/8", Gr 5

- hex, 1/2 NC x 1-3/8 inch

4шт.

10

413-828

BOLT,Hex, 1/2" - 13 x 1-3/4", Gr 5

4шт.

11

A148376

WASHER

- flat, hardened

8шт.

12

222-91

ELBOW,45 Degree, 1/2"-24 x 1/8" NPT

- 45 degree, 1/4 tube 1/2-24 thread x 1/8 inch PT

1шт.

13

A64877

TUBE

- oil, differential clutch lock

1шт.

14

A154119

FITTING

- bulkhead

1шт.

15

237-6004

O-RING,0.072" Thk x 0.351" ID, -904, Cl 6, 90 Duro

4-1, 90 Duro, .351" ID x .072" Thk

1шт.

16

A168168

SHAFT

- differential with sun gear

2шт.

17

102-12215

SNAP RING,#215, 2.060", Ext Spiral

RING - retaining

2шт.

A154865

CAGE

ASSEMBLY - differential, Includes: Ref. 18 and 19

1шт.

18

NSS

NOT SOLD SEPARAT

CAGE - differential, intermediate

1шт.

19

NSS

NOT SOLD SEPARAT

CAGE - differential ring gear

1шт.

20

A168190

GEAR

SET - pinion and spiral bevel (Matched set)

1шт.

21

138-2076

PIN,5/32" x 1/2", Coiled

1шт.

22

26-830

BOLT,Hex, 1/2" - 13 x 1-7/8", Gr 8

- hex, 1/2 NC x 1-7/8 inch

12шт.

23

A150672

WASHER

- flat, hardened

12шт.

24

A154544

PIN

- differential pinion (Order A168104 and A179590)

1шт.

25

A179575

PINION

GEAR - pinion, bevel

3шт.

26

A154535

WASHER

- thrust

3шт.

27

A154890

GEAR

- bevel side, right

1шт.

28

A154867

GEAR

- bevel side, left

1шт.

29

A153988

THRUST WASHER,137.92mm ID x 191.52mm OD x 2.39mm Thk

- thrust

2шт.

31

A63175

PLATE

- differential lock clutch, steel

6шт.

32

A136340

PLATE

- differential lock clutch, sintered

6шт.

33

A63172

SPRING

- return

3шт.

34

A63173

PLATE

- differential lock piston return spring

1шт.

35

A146670

PISTON

- differential lock

1шт.

36

A146683

RING

- sealing, 4-15/32 inch ID

1шт.

37

A150754

O-RING,4.718" ID x 0.107"

- 4-11/16 inch ID

1шт.

38

A146682

RING

- sealing, 8-9/32 inch OD

1шт.

39

A150753

O-RING,7.84" ID x 0.107"

- 7-7/8 inch OD

1шт.

40

A144907

CAGE

- differential lock

1шт.

41

326-10100

BOLT,Hex, 5/8" - 11 x 6-1/4", Gr 8

9шт.

42

A64303

WASHER

- flat, hardened

9шт.

43

A157139

GEAR

- ring, park lock

1шт.

44

326-628

BOLT,Hex, 3/8" - 16 x 1-3/4", Gr 8

- hex, 3/8 NC x 1-3/4 inch, grade 8

8шт.

45

A140282

WASHER,9.78mm ID x 19.66mm OD x 0.81mm Thk

- cage bolt

8шт.

Выбрано товаров: 46