Запчасти Case IH 2394 (8-016) - GEAR AND PISTON PUMP ASSEMBLY (CONTINUED) (08) - HYDRAULICS

Схема запчастей Case IH 2394 - (8-016) - GEAR AND PISTON PUMP ASSEMBLY (CONTINUED) (08) - HYDRAULICS
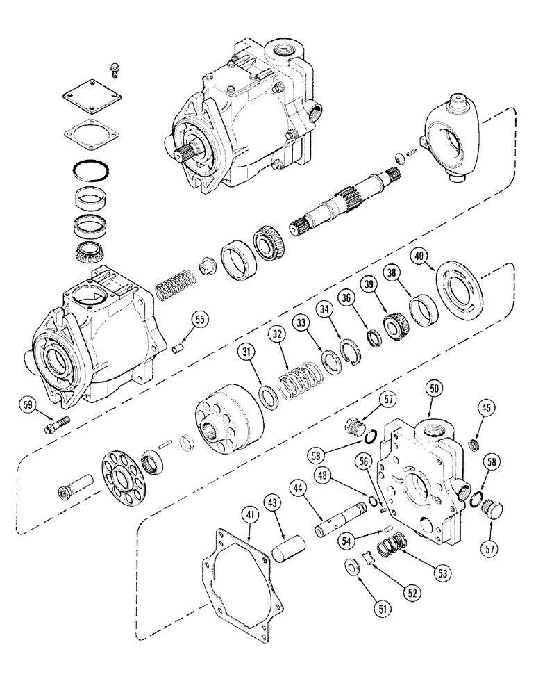
33
44
36
31
53
52
51
54
50
34
58
43
59
45
55
40
56
39
32
58
57
41
38
57
48
FIT
1:1
100%

Артикул

Название

Примечание

Количество

A166505

PUMP, HYDRAULIC

PUMP ASSEMBLY - hydraulic, Includes: Ref. 31 - 59 and 1 - 30 on Figure 8-014

1шт.

31

A47299

WASHER

- spring

1шт.

Part of Rotating Group Kit, P/N N8303

1шт.

32

A47298

SPRING

- block

1шт.

Part of Rotating Group Kit, P/N N8303

1шт.

33

A47300

SPRING WASHER

WASHER - spring

1шт.

Part of Rotating Group Kit, P/N N8303

1шт.

34

100-21162

SNAP RING,1.625", Int, #162

Ring, Snap, 1.625", Int, #162

1шт.

Part of Rotating Group Kit, P/N N8303

1шт.

145582C1

KIT

SPACER KIT - bearing (Replaces A47303), Includes: Ref. 36

1шт.

36

NSS

NOT SOLD SEPARAT

SPACER - bearing 0.0139 inch

1шт.

36

NSS

NOT SOLD SEPARAT

SPACER - bearing 0.0142 inch

1шт.

36

NSS

NOT SOLD SEPARAT

SPACER - bearing 0.0145 inch

1шт.

36

NSS

NOT SOLD SEPARAT

SPACER - bearing 0.0148 inch

1шт.

36

NSS

NOT SOLD SEPARAT

SPACER - bearing 0.0151 inch

1шт.

36

NSS

NOT SOLD SEPARAT

SPACER - bearing 0.0154 inch

1шт.

36

NSS

NOT SOLD SEPARAT

SPACER - bearing 0.0157 inch

1шт.

36

NSS

NOT SOLD SEPARAT

SPACER - bearing 0.0160 inch

1шт.

36

NSS

NOT SOLD SEPARAT

SPACER - bearing 0.0163 inch

1шт.

36

NSS

NOT SOLD SEPARAT

SPACER - bearing 0.0166 inch

1шт.

36

NSS

NOT SOLD SEPARAT

SPACER - bearing 0.0169 inch

1шт.

38

FB14849

BEARING CUP

- bearing (Order 371883R1)

1шт.

39

FB14850

ROLLER BEARING

CONE - bearing (Order 371882R9)

1шт.

40

A47302

PLATE

- wafer

1шт.

41

A47280

GASKET,0.53mm Thk

GASKER - housing

1шт.

1263240C1

PACKAGE

PISTON AND ROD KIT - compensator, Includes: Ref. 43 - 45

1шт.

43

NSS

NOT SOLD SEPARAT

PISTON - compensator

1шт.

44

NSS

NOT SOLD SEPARAT

ROD - compensator

1шт.

45

A47340

RING

- retaining

1шт.

48

238-6112

O-RING,0.103" Thk x 0.487" ID, -112, Cl 6, 90 Duro

1шт.

50

A49434

PIPE

BLOCK - valve

1шт.

51

A47306

PLUG

SEAT - valve block

1шт.

52

A47307

VALVE

- check

1шт.

53

A47308

SPRING

- valve block

1шт.

54

A47309

PIN

PLUG - headless, 1/4 x 1/2 inch

1шт.

55

A47301

PIN

- locating

2шт.

56

217-430

PLUG,Hex Soc, 1/8" - 27 NPTF

- hex socket, 1/8 inch PT

1шт.

57

86512512

PLUG,7/8" - 14 ORB

2шт.

58

237-6010

O-RING,0.097" Thk x 0.755" ID, -910, Cl 6, 90 Duro

10-1, 90 Duro, .755" ID x .097" Thk

2шт.

59

27077R1

12 PT SCREW,Flg, 3/8" - 16 x 1 1/2"

BOLT - 12 point, 3/8 NC x 1-1/2 inch, grade 8

6шт.

N8303

KIT

- rotating group, Includes: Ref. 31 - 34 and parts on Figures 8-014 (Order 145592C91)

1шт.

Выбрано товаров: 41