Запчасти Case IH 2394 (8-048) - REMOTE HYDRAULICS ADD-ON ATTACHMENT, 3RD OR 4TH CIRCUIT WITHOUT LOAD CHECK (08) - HYDRAULICS

Схема запчастей Case IH 2394 - (8-048) - REMOTE HYDRAULICS ADD-ON ATTACHMENT, 3RD OR 4TH CIRCUIT WITHOUT LOAD CHECK (08) - HYDRAULICS
8
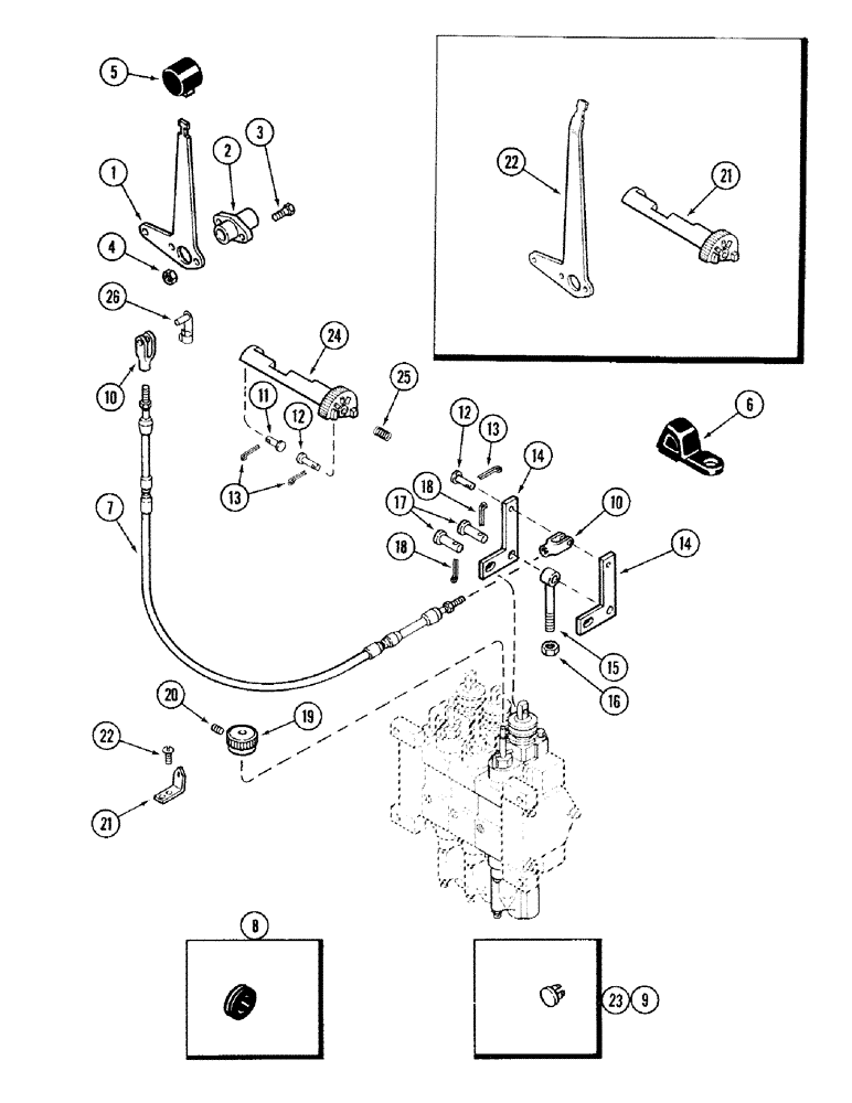
1
13
7
11
4
6
3
26
18
21
10
14
13
23
5
19
14
20
12
9
2
16
10
25
21
22
17
18
22
12
15
24
FIT
1:1
100%

Артикул

Название

Примечание

Количество

A181930

ATTACHMENT

- remote hydraulics, 3rd or 4th circuit (Replaces A180262 and A180263)(Machinery Item), Includes: Ref. 1 - 26 and 27 - 75 on Figure 8-050

1шт.

1

A141392

LEVER

- inner (3rd circuit)

1шт.

2

A160500

BUSHING,15.95mm ID x 25.4mm OD x 55.37mm L

BEARING - control lever

1шт.

3

413-412

BOLT,Hex, 1/4" - 20 x 3/4", Gr 5

- hex, 1/4 NC x 3/4 inch

2шт.

4

231-1444

NUT,1/4"-20, GB

NUT, LOCK, 1/4"-20, GB

2шт.

5

A177438

KNOB

- hand lever (Black)

1шт.

6

A141542

LEVER

TAB - float lockout

1шт.

7

A177635

CABLE

- control, Serial Range: lever-valve

1шт.

8

A141389

GROMMET

- cable

1шт.

9

A67295

PLUG

- 9/16 inch diameter head

2шт.

10

213-113

ADJUSTABLE CLEVIS,#10-32

CLEVIS - adjustable, No. 10

2шт.

11

A167543

PIN,4.72mm OD x 19.99mm L

- clevis

2шт.

12

A67313

PIN

- clevis

2шт.

13

432-412

COTTER PIN,1/16" x 3/4"

PIN, SPLIT (COTTER), 1/16" x 3/4"

3шт.

14

A145598

LEVER

- remote valve bellcrank

2шт.

15

A145597

EYE

- bellcrank pivot

1шт.

16

425-146

JAM NUT,3/8" - 16, Gr 5

- hex, jam, 3/8 inch NC

1шт.

17

427-6106

CLEVIS PIN,9.53mm OD x 26.92mm L

PIN, CLEVIS, 3/8" x 1 1/16"

2шт.

18

32-612

COTTER PIN,3/32" x 3/4"

PIN, SPLIT (COTTER), 3/32" x 3/4"

2шт.

19

A160814

KNOB

- flow control

1шт.

20

84-21010

SET SCREW,Hex Soc, #10-32 x 5/8"

SCREW - set, hex socket, No. 10 NF x 5/8 inch

1шт.

21

A162860

QUADRANT

- remote lockout, outer (4th circuit)

1шт.

22

A181781

LEVER

- outer (4th circuit)

1шт.

23

A162961

PLUG

- 3/4 inch diameter head

1шт.

24

A162861

QUADRANT

- remote lockout, inner (3rd circuit)

1шт.

25

A164976

SPRING

- remote lockout

1шт.

26

A149683

PIN

- clevis, spring, 3/16 inch

1шт.

Выбрано товаров: 27