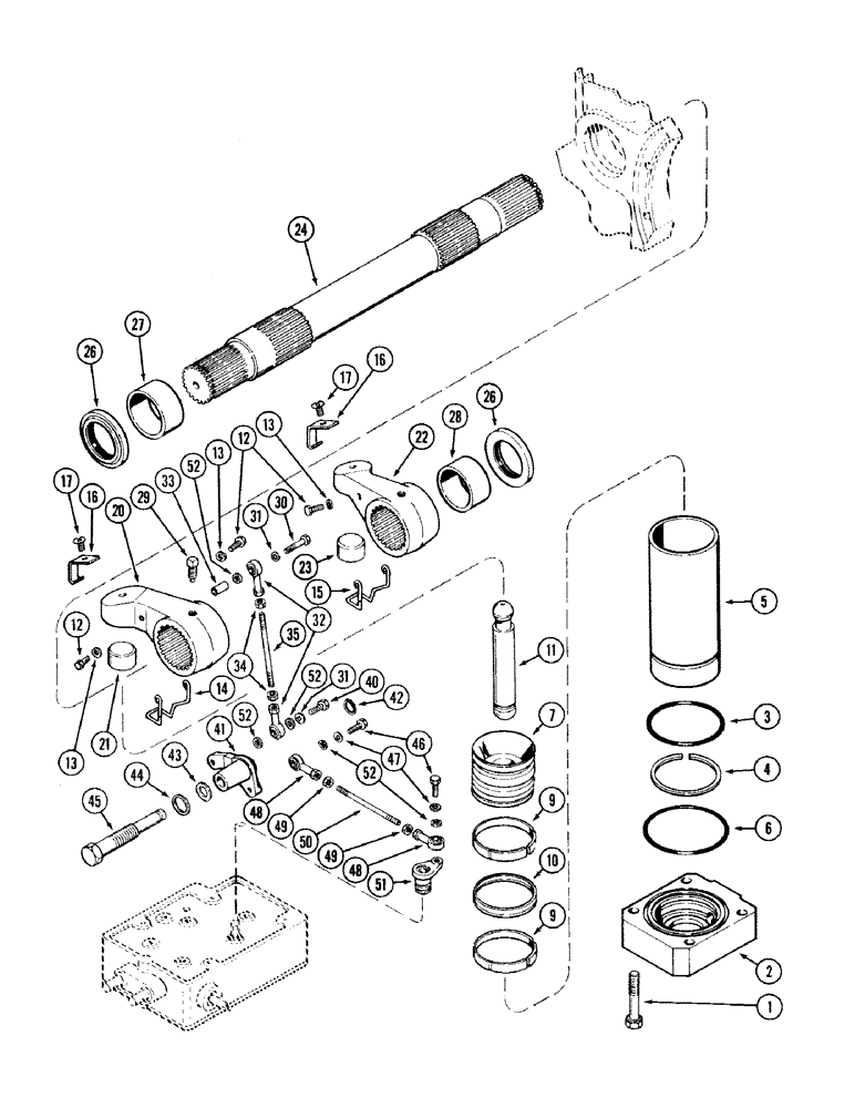
Запчасти Case IH 2394 (8-112) - HITCH SYSTEM, ROCKSHAFT, POWER ARMS AND PISTONS (08) - HYDRAULICS

Схема запчастей Case IH 2394 - (8-112) - HITCH SYSTEM, ROCKSHAFT, POWER ARMS AND PISTONS (08) - HYDRAULICS
48
34
31
17
10
16
17
27
26
44
33
12
45
52
30
11
16
13
48
42
15
29
28
43
31
47
32
1
12
5
50
40
2
14
52
9
49
22
52
20
46
23
13
51
9
24
52
4
13
35
26
7
3
21
49
41
6
FIT
1:1
100%

Артикул

Название

Примечание

Количество

1

413-1064

BOLT,Hex, 5/8" - 11 x 4", Gr 5

- hex, 5/8 NC x 4 inch

8шт.

2

A147764

CAP

- cylinder liner

2шт.

3

238-5246

O-RING,0.139" Thk x 4.484" ID, -246, Cl 5, 75 Duro

2шт.

4

A141666

RING

- retaining

2шт.

5

A161488

LINING

LINER - hydraulic lift cylinder

2шт.

6

238-5252

O-RING,0.139" Thk x 5.234" ID, -252, Cl 5, 75 Duro

2шт.

7

A139459

PISTON

ASSEMBLY - rockshaft, Includes: Ref. 9 and 10

2шт.

9

A63393

RING

- wear

2шт.

10

A137343

SEAL

- U cup

1шт.

11

A185254

ROD

- connecting, piston to power arm

2шт.

12

413-410

BOLT,Hex, 1/4" - 20 x 5/8", Gr 5

- hex, 1/4 NC x 5/8 inch

4шт.

13

95-11028

WASHER,1/4"

- flat, 0.281 x 0.625 x 0.065 inch

4шт.

14

A185194

CLIP,ELECTRICAL

CLIP - power arm, right (Used with A185228)

1шт.

14

A164200

SPRING

CLIP - power arm, right (Used with A63380)

1шт.

15

A185195

CLIP

- power arm, left (Used with A185229)

1шт.

15

A164199

SPRING

CLIP - power arm, left (Used with A63381)

1шт.

16

A164198

CLIP

RETAINER - arm clip

2шт.

17

301-1498

DRIVE SCREW,Drive, 5/16" x 1/2"

- round head, 5/16 NC X 1/2 inch

2шт.

20

A185228

ARM

ASSEMBLY - power, right, Includes: Ref. 21

1шт.

20

A63380

ARM

ASSEMBLY - power, right (Order A185228 arm and and A185194 clip), Includes: Ref. 21

1шт.

21

A63384

INSERT

- arm

1шт.

22

A185229

ARM

ASSEMBLY - power, left, Includes: Ref. 23

1шт.

22

A63381

ARM

ASSEMBLY - power, left (Order A185229 arm and A185195 clip), Includes: Ref. 23

1шт.

23

A63384

INSERT

- arm

1шт.

24

A63376

ROCKSHAFT

- hitch

1шт.

26

A164658

OIL SEAL

- oil, rockshaft

2шт.

27

A162255

BUSHING,79.52mm ID x 85.81mm OD x 41.78mm L

- rockshaft, right, 3-1/8 inch ID

1шт.

28

A162256

BUSHING,73.17mm ID x 79.6mm OD x 41.53mm L

- rockshaft, left, 2-7/8 inch ID

1шт.

29

A63385

SET SCREW,1/2" - 13 x 1 1/8"

- set

2шт.

30

413-640

BOLT,Hex, 3/8" - 16 x 2-1/2", Gr 5

- hex, 3/8 NC x 2-1/2 inch

1шт.

31

93-21039

LOCK WASHER,Int Tooth, 3/8"

WASHER - internal tooth lock, 3/8 inch

2шт.

32

A32398

BALL JOINT

LINK - eye, female

2шт.

33

A135379

BUSHING

SPACER - upper follower up rod to power arm

1шт.

34

86585245

SPECIAL NUT,JAM, 5/8" - 18

- hex jam, 3/8 inch NF

2шт.

35

A63452

ROD

- follow up, upper

1шт.

40

413-618

BOLT,Hex, 3/8" - 16 x 1-1/8", Gr 5

1шт.

41

A147761

ARM

BELLCRANK - follow up linkage

1шт.

42

100-1175

SNAP RING,#75, Ext

Ring, Snap, #75, Ext

1шт.

43

A26462

WASHER

- special

1шт.

44

A27366

GASKET

WASHER - follow up bellcrank stud, copper

1шт.

45

A135380

STUD

- follow up linkage bellcrank

1шт.

46

413-618

BOLT,Hex, 3/8" - 16 x 1-1/8", Gr 5

2шт.

47

93-21039

LOCK WASHER,Int Tooth, 3/8"

WASHER - internal tooth lock, 3/8 inch

2шт.

48

A32398

BALL JOINT

LINK - eye, female

2шт.

49

86585245

SPECIAL NUT,JAM, 5/8" - 18

- hex jam, 3/8 inch NF

2шт.

50

A63455

ROD

- follow up, lower

1шт.

51

REF

INSTRUCTION

LEVER - draft control follow up (See Figure 8-114)

1шт.

52

A32395

WASHER

- rod to bellcrank and lever

5шт.

Выбрано товаров: 48