Запчасти Case IH 2394 (9-138) - CAB, AIR CONDITIONING SYSTEM, PRIOR TO CAB S/N 12093701, PRIOR TO EUROPEAN CAB S/N 12092344 (09) - CHASSIS/ATTACHMENTS

Схема запчастей Case IH 2394 - (9-138) - CAB, AIR CONDITIONING SYSTEM, PRIOR TO CAB S/N 12093701, PRIOR TO EUROPEAN CAB S/N 12092344 (09) - CHASSIS/ATTACHMENTS
5
16
21
19
15
15
8
10
22
4
9
11
2
17
18
1
20
FIT
1:1
100%

Артикул

Название

Примечание

Количество

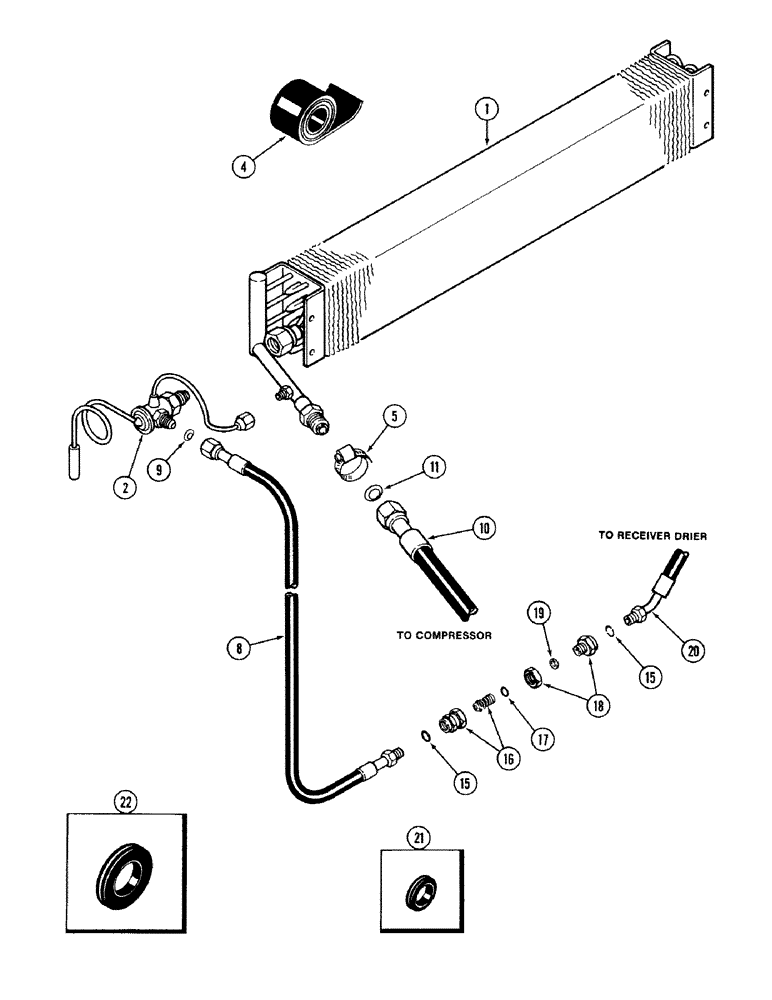
1

F63870

EVAPORATOR

- evaporator

1шт.

2

F64389

VALVE

- expansion

1шт.

4

345-37

TAPE

- cork, insulating, 1/8 x 2-1/2 x 12 inch (Order A42902)

1шт.

5

214-1420

HOSE CLAMP,#20, 0.81" - 1.75", Type F Worm

CLAMP, HOSE, , Adj. #20, 0.81/1.75 Type F Worm

1шт.

8

F64304

HOSE

- high side (To coupling)

1шт.

9

222-993

GASKET,3/8 Tube, Fl, Copper

1шт.

10

F64305

HOSE

- low side (To compressor)

1шт.

11

222-996

GASKET,3/4 Tube, Fl, Copper

- copper, 3/4 inch

1шт.

15

238-5012

O-RING,0.07" Thk x 0.364" ID, -12, Cl 5, 75 Duro

-012, 70 Duro, .364" ID x .070" Thk

2шт.

16

A42663

COUPLING,1/2" - 20 NPT

COUPLING - high side, Includes: Ref. 17

1шт.

17

A42665

O-RING,0.239" ID x 0.375" OD x 0.07"

- coupling piston

1шт.

18

A61196

COUPLING, BREAK AWAY

COUPLING ASSEMBLY - receiver-drier hose to cab, Includes: Ref. 19

1шт.

19

A42667

GASKET

- coupling

1шт.

20

A145698

HOSE

-, Serial Range: cab-receiver-drier

1шт.

21

F64486

GROMMET

- hose

1шт.

22

F64485

GROMMET

- hose

1шт.

Выбрано товаров: 16