Запчасти Case IH 2590 (6-180) - GEAR SHIFT MECHANISM (06) - POWER TRAIN

Схема запчастей Case IH 2590 - (6-180) - GEAR SHIFT MECHANISM (06) - POWER TRAIN
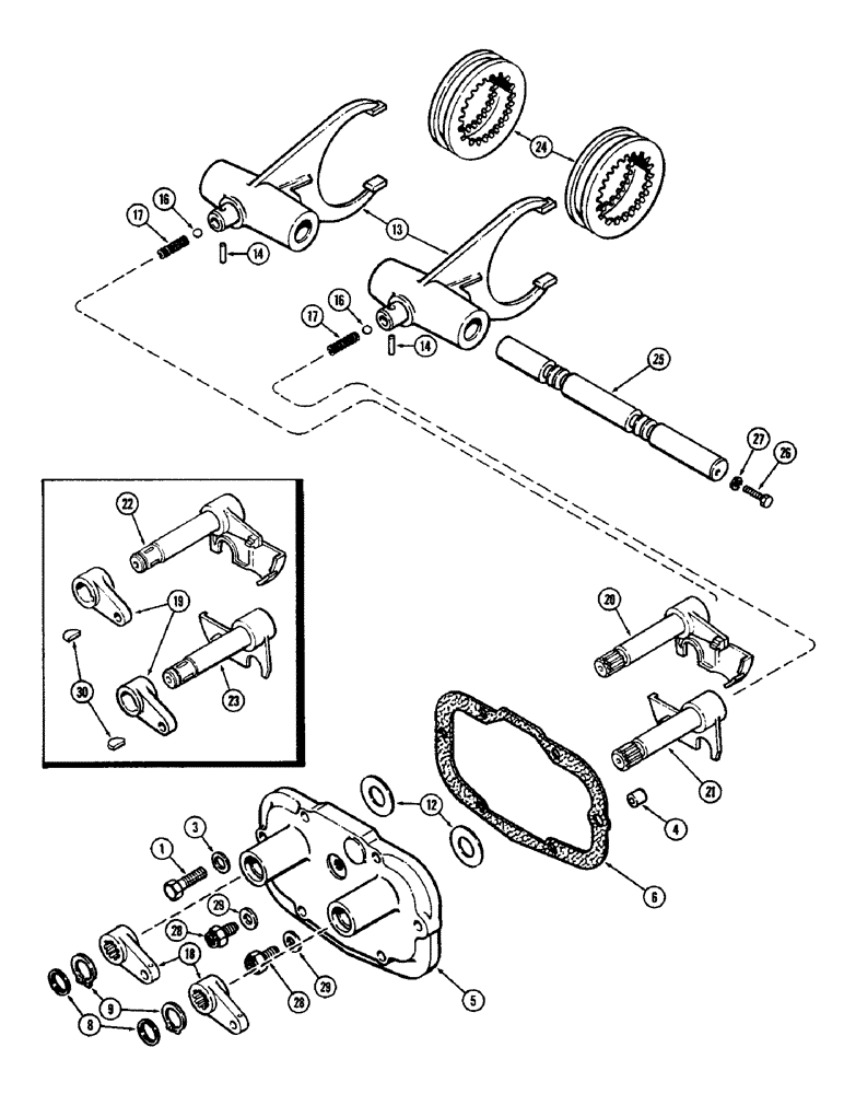
16
1
14
22
30
18
17
25
21
12
13
20
4
29
6
28
24
8
27
26
3
14
23
9
28
16
5
19
29
17
FIT
1:1
100%

Артикул

Название

Примечание

Количество

1

113-209

BOLT,Hex, 3/8" - 16 x 1-1/2", Gr 5

5шт.

1

113-233

BOLT,Hex, 3/8" - 16 x 1-3/4", Gr 5

1шт.

3

195-25

WASHER,3/8"

- 13/32 x 13/16 x 1/16" (10.32 x 20.64 x 1.59 MM)

6шт.

4

A63167

SLEEVE

- dowel

1шт.

5

A150365

HOUSING

- shifter

1шт.

6

A64067

GASKET

- housing

1шт.

8

A76307

OIL SEAL,25.4mm ID x 31.9mm OD x 4.75mm Thk

- shaft

2шт.

9

F62023

SNAP RING,#93, Ext

Ring, Snap, , shifter shaft #93, Ext

2шт.

12

A65121

SHIM,.005" Thk

Shifter shaft, 1" x 2" (25.4 x 50.8 x 0.13 mm) .005" Thk

1шт.

13

A136728

FORK

- gear shifter

2шт.

14

138-132

LOCK PIN,1/4" x 7/8", Slotted

PIN, (M6.35 x 22.22 ) 1/4" x 7/8", Slotted

2шт.

16

211-12

BALL,7/16 Dia

- 7/16" diameter (11.18 MM), shifter fork

2шт.

17

A26530

SPRING

- detent

2шт.

18

A64936

LEVER

- shift fork control (Splined) (Transmission serial no. 10202296 and after)

2шт.

19

A67298

LEVER

- shift fork control (Keyway) (Prior to transmission no. 10202296)

2шт.

20

A153006

LEVER

- shift, first and second (Transmission serial no. 10202296 and after)

1шт.

21

A153005

LEVER

- shift, third and fourth (Transmission serial no. 10202296 and after)

1шт.

22

A150065

LEVER

- shift, first and second, with keyway

1шт.

23

A150066

LEVER

- shift, third and fourth, with keyway

1шт.

24

A138190

COLLAR

- sliding

2шт.

25

A66753

RAIL

- shifter

1шт.

26

113-176

BOLT,Hex, 5/16" - 18 x 1-3/8", Gr 5

- 5/16 x 1-3/8" NC hex

1шт.

27

92-5

LOCK WASHER,5/16"

1шт.

28

A160237

SWITCH

- neutral start

2шт.

29

G49402

SHIM,.010" Thk

Neutral start switch (0.25 mm) .010" Thk

1шт.

30

126-118

WOODRUFF KEY,#10, 5/32" x 7/8", HT

KEY - Woodruff, 5/32 x 3/4" (3.97 x 19.05 MM)

2шт.

Выбрано товаров: 26