Запчасти Case IH 2590 (2-06) - WATER FILTER KITS, 504BDT, DIESEL ENGINE (02) - ENGINE

Схема запчастей Case IH 2590 - (2-06) - WATER FILTER KITS, 504BDT, DIESEL ENGINE (02) - ENGINE
21
3
2
15
21
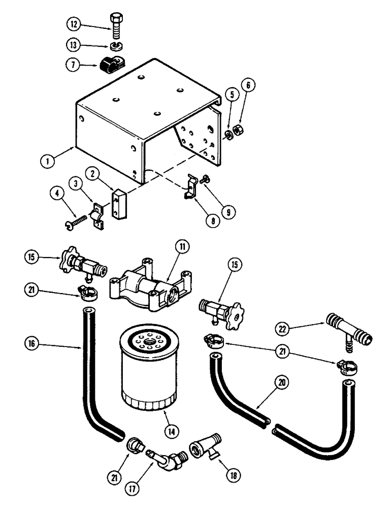
1
22
20
21
18
9
11
13
8
16
17
12
15
7
5
14
4
6
FIT
1:1
100%

Артикул

Название

Примечание

Количество

A46453

KIT

- support water filterIncludes: Refs. 1 - 9

1шт.

1

A160611

BRACKET

SUPPORT - throttle cable and filter head

1шт.

2

A160612

SPACER

- clamp, throttle cable

1шт.

3

A75815

CLAMP

- throttle cable

1шт.

4

182-544

SCREW,Slotted Pan Hd, #10-24 x 1 1/4"

- #10 x 1-1/4" slotted pan head

2шт.

5

192-18

LOCK WASHER,Helical Spring, #10, 0.196" ID, CST, ZND

WASHER, LOCK, #10

2шт.

6

129-17

NUT,Hex, #10 - 24

NUT - hex #10-24

2шт.

7

49859

CLAMP

CLIP - fuel, Serial Range: tube-support

1шт.

8

B51765

CLIP

- stop cable, fuel pump

1шт.

9

173-274

SCREW,Sl Rnd Hd, #8 - 32 x 1/2"

- #8-24 x 1" round head

1шт.

A46400

KIT

- water filter and conditioner, Includes: Refs. 11 - 13

1шт.

11

A152821

HEAD

- filter and valve

1шт.

12

113-209

BOLT,Hex, 3/8" - 16 x 1-1/2", Gr 5

4шт.

13

80680

LOCK WASHER,3/8 0.381 CST ZND

WASHER, LOCK, 3/8"

4шт.

14

A152819

FILTER

CARTRIDGE - water filter (Pre-charged) (Order A151931), Includes: Refs. 14 - 22

1шт.

14

A151931

FILTER

CARTRIDGE - water filter (Service only)

1шт.

15

A154051

COCK, DRAIN

VALVE - water

2шт.

16

A154770

HOSE,0.38" ID x 6.10", SAE 20R3 PER SAE J20

9.60 mm ID x 154.90 mm, SAE 20R3 - Valve to Block

1шт.

17

217-142

ELBOW,45 Degree Elbow, 3/8" Hose Barb x 1/4" Male NPTF

- 1/4" PT x 3/8" hose 45 degree

1шт.

18

221-1691

TEE,Street, 1/4" NPT

CONNECTOR - branch, 1/4 x 1/4 x 1/4" (In block)

1шт.

20

A161557

HOSE,9.60 mm ID x 558.80 mm, SAE 20R3

- Valve to heater hose (Replaces A154053) 9.60 mm ID x 558.80 mm, SAE 20R3

1шт.

21

214-253

HOSE CLAMP,#10, 0.56" - 1.06", Type F Worm

CLAMP - hose, 9/16" to 1-1/16" (14.29 x 26.99 MM)

6шт.

22

A154014

CONNECTOR, ELEC

CONNECTOR - branch, heater hose split

1шт.

Выбрано товаров: 23