Запчасти Case IH 2590 (8-260) - GEAR AND PISTON PUMP ASSEMBLY (08) - HYDRAULICS

Схема запчастей Case IH 2590 - (8-260) - GEAR AND PISTON PUMP ASSEMBLY (08) - HYDRAULICS
14
9
26
25
30
5
8
7
6
27
10
28
13
1
4
3
2
18
19
12
17
29
15
FIT
1:1
100%

Артикул

Название

Примечание

Количество

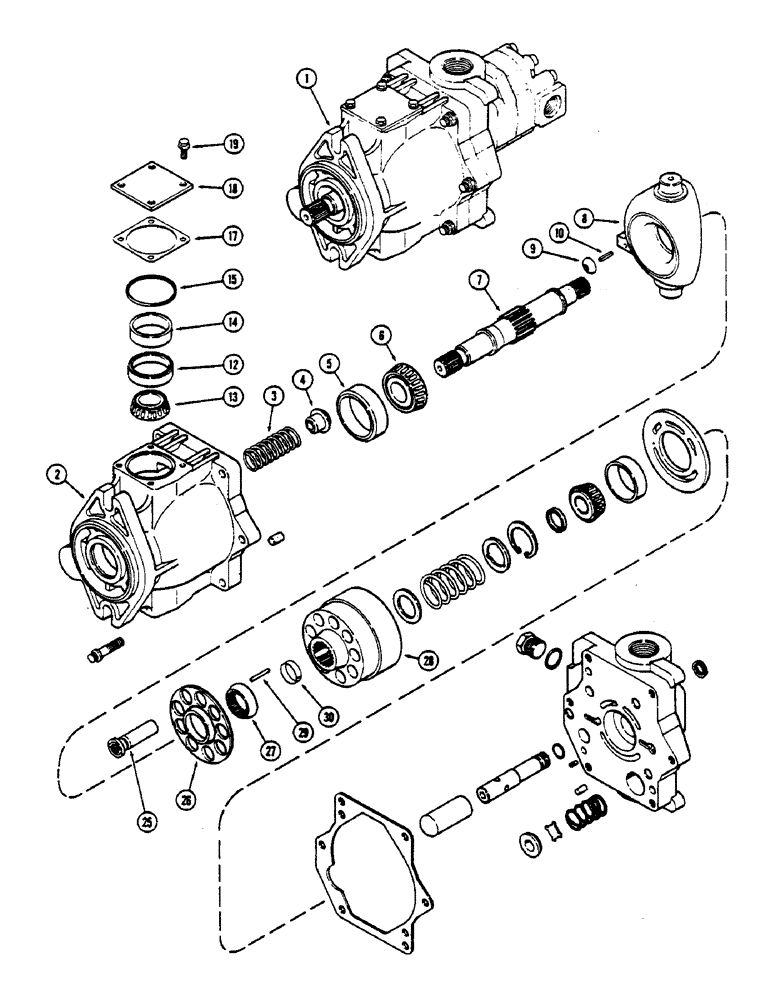
1

A163167

PUMP

ASSEMBLY - gear and piston, Includes: Refs. 2 - 59

1шт.

2

A47278

HOUSING

- piston pump

1шт.

3

A47281

SPRING

- housing

1шт.

4

A47282

PLUG

SEAT - spring

1шт.

5

D59595

TAPERED BEARING

CUP - bearing

1шт.

6

A31272

ROLLER BEARING,1" ID x 0.8125"

CONE - bearing

1шт.

7

A47289

SHAFT

- drive, piston pump

1шт.

8

A47284

YOKE

- swing

1шт.

9

A47283

SEAT

- spherical

1шт.

10

138-88

LOCK PIN,3/16" x 1/2", Slotted

PIN, 3/16" x 1/2", Slotted

1шт.

12

D29267

BEARING CUP,1.98" OD x 0.42"

CUP - bearing, 1-63/64" O.D. (50.40 MM)

1шт.

13

D53168

TAPERED BEARING

CONE - bearing

1шт.

14

A47286

SPACER

- yoke bearing

2шт.

15

S5730

O-RING,0.103" Thk x 2.05" ID, -137, Cl 5, 75 Duro

- cover (In A47567 kit, Figure 8-258)

2шт.

A47287

KIT

- yoke bearing shim, Includes: Ref. 17

1шт.

17

NSS

NOT SOLD SEPARAT

SHIM - 0.003" (0.08 MM) (3 in kit)

1шт.

17

NSS

NOT SOLD SEPARAT

SHIM - 0.005" (0.13 MM) (2 in kit)

1шт.

17

NSS

NOT SOLD SEPARAT

SHIM - 0.010" (0.25 MM) (2 in kit)

1шт.

18

A47288

COVER

- housing

2шт.

19

121-3

SERRATED BOLT,Hex, 1/4" - 20 x 1/2", Gr 5

8шт.

25

A47334

PACKAGE

KIT - piston (Includes 9 pistons and 9 shoes)

1шт.

26

A47292

PLATE

- piston pump shoe

1шт.

27

A47293

WASHER

- spherical

1шт.

28

A47295

BLOCK

- cylinder

1шт.

29

A47296

PIN

- cylinder block

3шт.

30

A47297

SNAP RING,7.11mm Thk, Int

- pin

1шт.

A47341

KIT

- seal, gear and piston pump

1шт.

Выбрано товаров: 27