Запчасти Case IH 2590 (8-262) - GEAR AND PISTON PUMP ASSEMBLY (08) - HYDRAULICS

Схема запчастей Case IH 2590 - (8-262) - GEAR AND PISTON PUMP ASSEMBLY (08) - HYDRAULICS
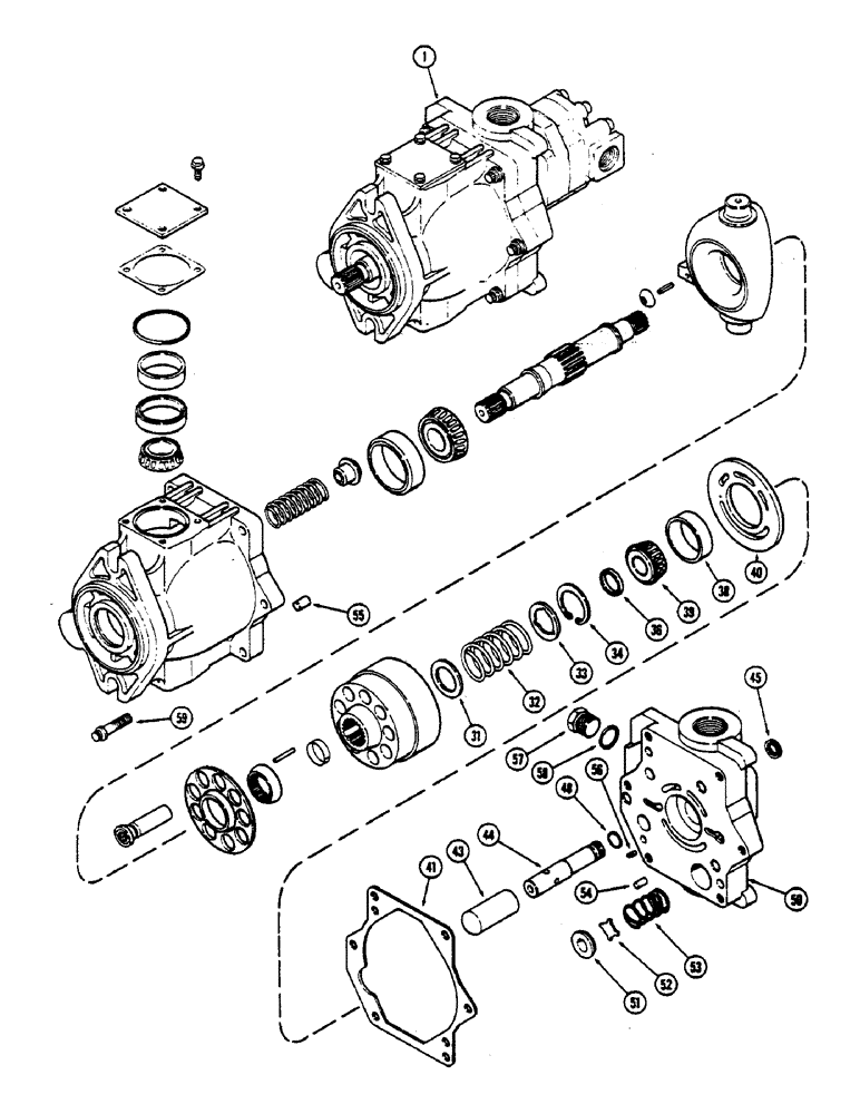
36
41
43
53
45
50
54
57
31
48
32
56
34
39
33
55
52
1
51
59
38
58
44
40
FIT
1:1
100%

Артикул

Название

Примечание

Количество

A163167

PUMP

ASSEMBLY - gear and piston (Continued from Figure 8-260)

1шт.

31

A47299

WASHER

- spring, front

1шт.

32

A47298

SPRING

- cylinder block

1шт.

33

A47300

SPRING WASHER

WASHER - spring, rear

1шт.

34

D27833

SNAP RING,1.625", Int, #162

RING, Snap, , cylinder block 1.625", Int, #162

1шт.

A47303

KIT

- spacer, rear bearing, Includes: Ref. 36

1шт.

36

NSS

NOT SOLD SEPARAT

SPACER - 0.139" (3.53 MM)

1шт.

36

NSS

NOT SOLD SEPARAT

SPACER - 0.142" (3.61 MM)

1шт.

36

NSS

NOT SOLD SEPARAT

SPACER - 0.145" (3.68 MM)

1шт.

36

NSS

NOT SOLD SEPARAT

SPACER - 0.148" (3.78 MM)

1шт.

36

NSS

NOT SOLD SEPARAT

SPACER - 0.151" (3.84 MM)

1шт.

36

NSS

NOT SOLD SEPARAT

SPACER - 0.154" (3.91 MM)

1шт.

36

NSS

NOT SOLD SEPARAT

SPACER - 0.157" (3.99 MM)

1шт.

36

NSS

NOT SOLD SEPARAT

SPACER - 0.160" (4.06 MM)

1шт.

36

NSS

NOT SOLD SEPARAT

SPACER - 0.163" (4.14 MM)

1шт.

36

NSS

NOT SOLD SEPARAT

SPACER - 0.166" (4.22 MM)

1шт.

36

NSS

NOT SOLD SEPARAT

SPACER - 0.169" (4.29 MM)

1шт.

38

FB14849

BEARING CUP

- bearing

1шт.

39

FB14850

ROLLER BEARING

CONE - bearing

1шт.

40

A47302

PLATE

- wafer

1шт.

41

A47280

GASKET,0.53mm Thk

- body (In A47567 kit, Figure 8-258)

1шт.

A47305

KIT

- piston rod, Includes: Refs. 43 - 45

1шт.

43

NSS

NOT SOLD SEPARAT

PISTON

1шт.

44

NSS

NOT SOLD SEPARAT

ROD

1шт.

45

A47340

RING

- snap, piston rod

1шт.

48

H756783

O-RING,0.103" Thk x 0.487" ID, -112, Cl 6, 90 Duro

- 1/2 x 11/16 x 3/32" (12.7 x 17.45 x 2.36 MM) (In A47567 kit, Figure 8-200)

1шт.

50

A47304

BLOCK

- valve

1шт.

51

A47306

PLUG

SEAT - valve block

1шт.

52

A47307

VALVE

- check

1шт.

53

A47308

SPRING

- valve block

1шт.

54

A47309

PIN

- 1/4 x 1/2" headless

1шт.

55

A47301

PIN

- housing to valve body

2шт.

56

221-1849

PLUG

- 1/8"-27 pipe

1шт.

57

86512512

PLUG,7/8" - 14 ORB

Valve body Hex Hd, 7/8"-14 ORB

1шт.

58

237-6010

O-RING,0.097" Thk x 0.755" ID, -910, Cl 6, 90 Duro

- plug (In A47567 kit, Figure 8-258)

1шт.

59

166-47

12 PT SCREW,Flg, 3/8" - 16 x 1 1/2", Gr 8

SCREW - 3/8 x 1-1/2" NC 12 point head

6шт.

Выбрано товаров: 36